GM Service Manual Online
For 1990-2009 cars only
Makes
🢒
Oldsmobile
🢒
2002
🢒
Bravada
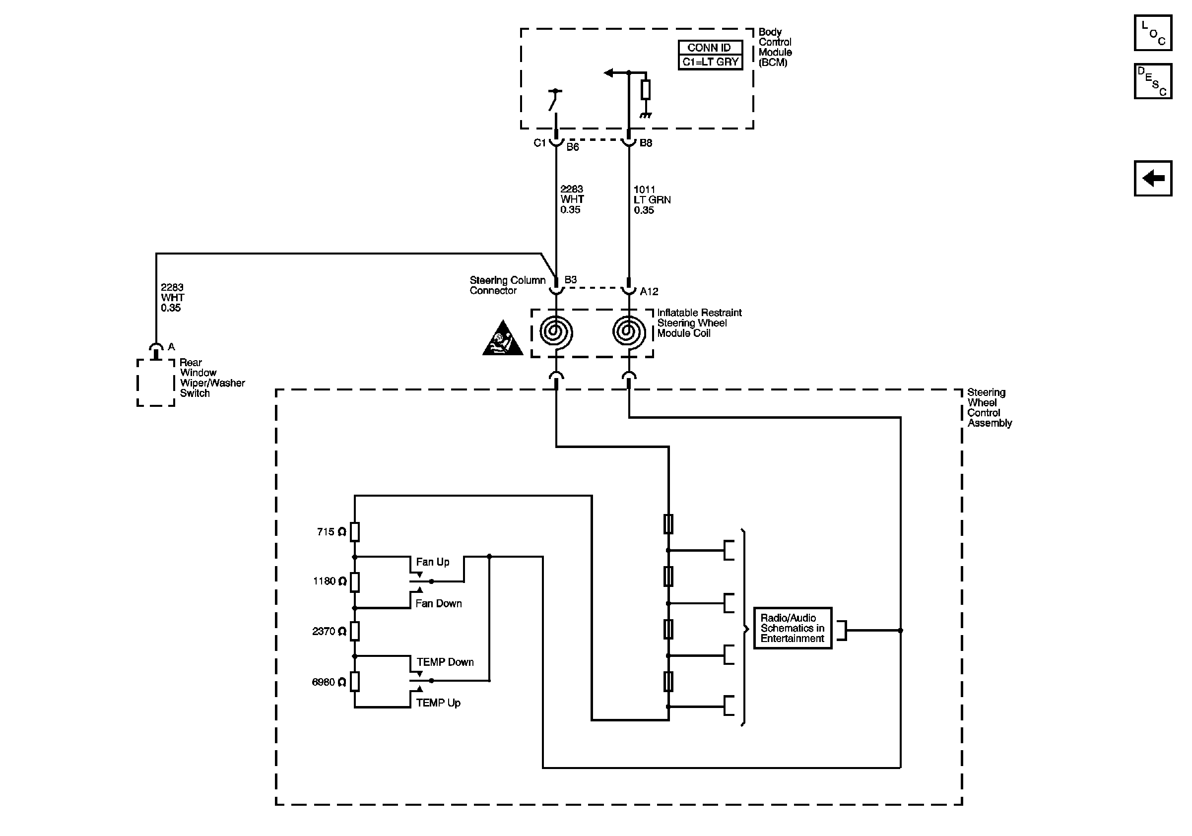
🢒 Steering Wheel Controls
Steering Wheel Controls
Steering Wheel Controls
Master Electrical Component List
Air Temperature Description and Operation
Rear Mode Controls - Body Type VIN 3
Steering Wheel Controls