GM Service Manual Online
For 1990-2009 cars only
Figure 1:

B+ Bus - Underhood Fuse Block


Object Number: 895938  Size: FS
Master Electrical Component List
B+ Bus - Rear Fuse Block
Figure 2:

B+ Bus - Rear Fuse Block


Object Number: 895946  Size: FS
Master Electrical Component List
ACCY/RUN/START, RUN, and START Bus Bars
B+ Bus - Underhood Fuse Block
B+ Bus - Underhood Fuse Block
Figure 3:

ACCY/RUN/START, RUN, and START Bus Bars


Object Number: 895949  Size: FS
Master Electrical Component List
ACCY/RUN and RUN/START Bus Bars
B+ Bus - Rear Fuse Block
B+ Bus - Underhood Fuse Block
Figure 4:

ACCY/RUN, and RUN/START Bus Bars


Object Number: 895954  Size: FS
Master Electrical Component List
TRAILER, ABS, ATC, BLOWER, ELEC BRK, CIGAR, ST/LP, VEH CHMSL, and VEH STOP fuses
ACCY/RUN/START, RUN, and START Bus Bars
B+ Bus - Underhood Fuse Block
Figure 5:

TRAILER, ABS, ATC, BLOWER, ELEK BRK, CIGAR, ST/LP, VEH CHMSL, and VEH STOP Fuses


Object Number: 895958  Size: FS
Master Electrical Component List
COILS, CANISTER, ECAS, IPC/DIC, FLASH, TBC1, and PCM B Fuses
ACCY/RUN and RUN/START Bus Bars
B+ Bus - Underhood Fuse Block
Figure 6:

COILS, CANISTER, ECAS, IPC/DIC, FLASH, TBC 1, and PCM B Fuses


Object Number: 895996  Size: FS
Master Electrical Component List
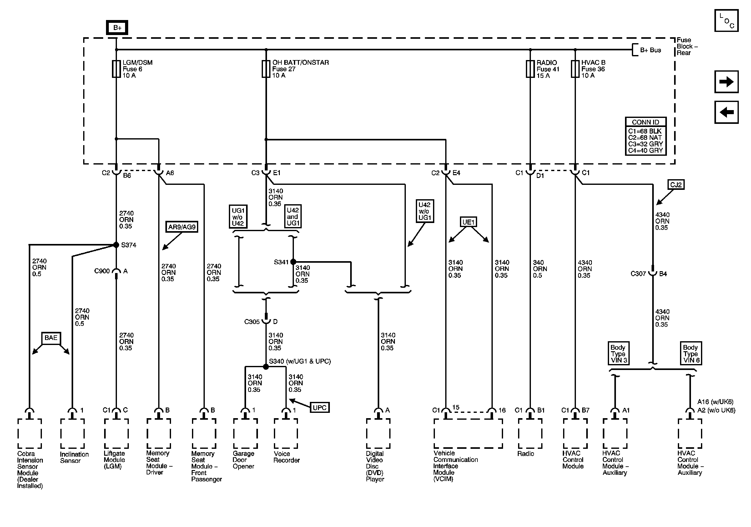
LGM/DSM, OH BATT/ONSTAR, RADIO, HVAC B
TRAILER, ABS, ATC, BLOWER, ELEC BRK, CIGAR, ST/LP, VEH CHMSL, and VEH STOP fuses
B+ Bus - Underhood Fuse Block
Figure 7:

LGM/DSM, OH BATT/ONSTAR, RADIO, and HVAC B Fuses


Object Number: 895976  Size: FS
Master Electrical Component List
ETC, INJ A and INJ B Fuses - 5.3L
COILS, CANISTER, ECAS, IPC/DIC, FLASH, TBC1, and PCM B Fuses
B+ Bus - Underhood Fuse Block
Figure 8:

ETC, INJ A and INJ B Fuses - 5.3L


Object Number: 895965  Size: FS
Master Electrical Component List
SUNROOF, AUX PWR2, RR HVAC, AUX PWR1, TBC2, TBC3, TBC4 Fuses
LGM/DSM, OH BATT/ONSTAR, RADIO, HVAC B
B+ Bus - Underhood Fuse Block
Figure 9:

SUNROOF, AUX PWR 2, RR HVAC, AUX PWR 1, TBC 2, TBC 3, and TBC 4 Fuses


Object Number: 895998  Size: FS
Master Electrical Component List
TBC5, DDM, PDM, AMP Fuses, DOORS Circuit Breakers
ETC, INJ A and INJ B Fuses - 5.3L
B+ Bus - Underhood Fuse Block
Figure 10:

TBC 5, DDM, PDM, AMP Fuses, LT DOORS and RT DOORS Circuit Breakers


Object Number: 896001  Size: FS
Master Electrical Component List
RR FOG, LR PARK, TR PARK, RR PARK, F PARK, LGM 2 Fuses, RR WIPER and SEATS Circuit Breakers
SUNROOF, AUX PWR2, RR HVAC, AUX PWR1, TBC2, TBC3, TBC4 Fuses
B+ Bus - Underhood Fuse Block
Figure 11:

RR FOG, LR PARK, TR PARK, RR PARK, F PARK, LGM #2 Fuses, RR WIPER, and SEATS Circuit Breakers


Object Number: 896004  Size: FS
Master Electrical Component List
TRL L TRN, TRL R TRN, LT TURN and RT TURN Fuses
TBC5, DDM, PDM, AMP Fuses, DOORS Circuit Breakers
B+ Bus - Underhood Fuse Block
Figure 12:

TRL L TRN, TRL R TRN, LT TURN, and RT TURN Fuses


Object Number: 884726  Size: FS
Master Electrical Component List
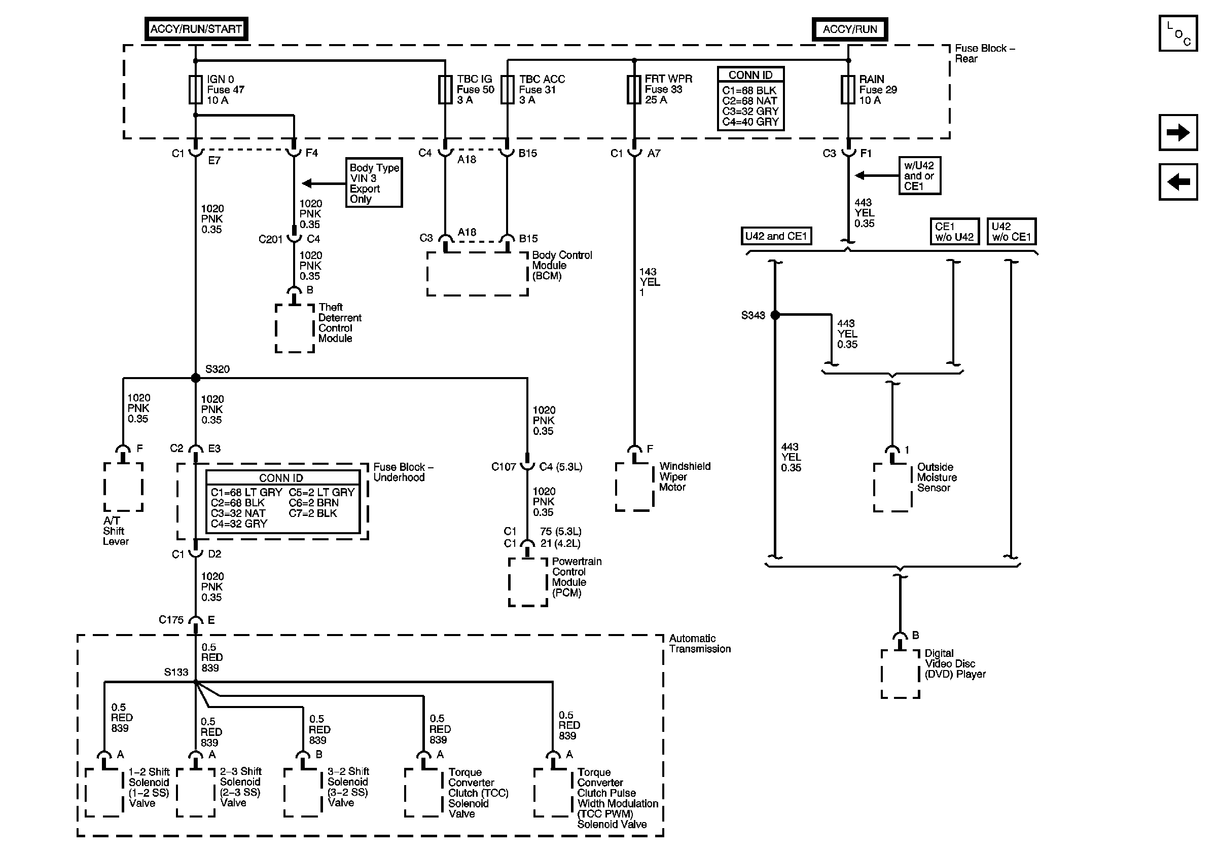
IGN 0, TBC IF, TBC ACC, FRT WPR, and RAIN Fuses
RR FOG, LR PARK, TR PARK, RR PARK, F PARK, LGM 2 Fuses, RR WIPER and SEATS Circuit Breakers
Figure 13:

IGN 0, TBC IG, TBC ACC, FRT WPR, and RAIN Fuses


Object Number: 895991  Size: FS
Master Electrical Component List
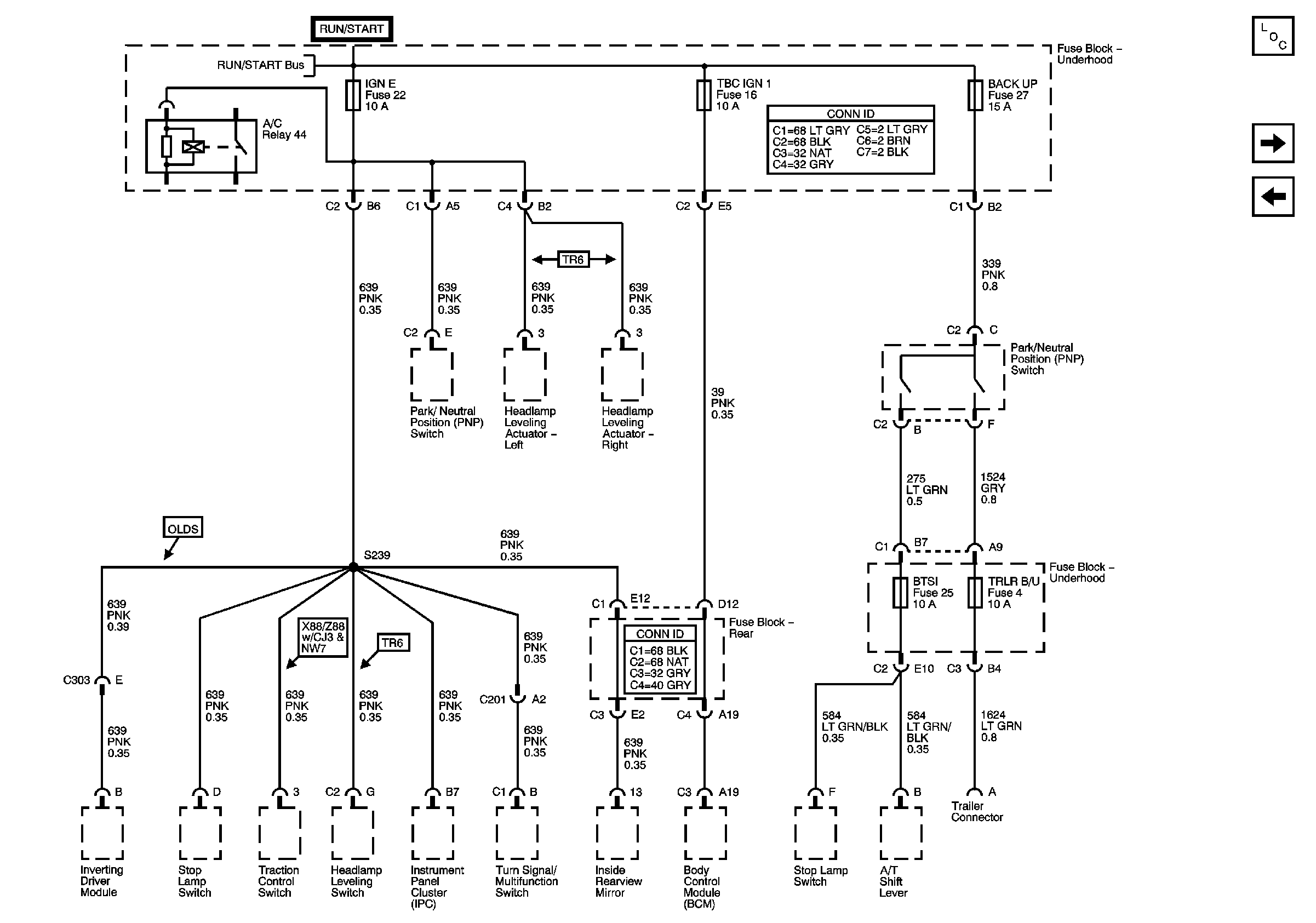
IGN E TBC IGN 1, BACK UP, BTSI, and TRLR B/U Fuses
TRL L TRN, TRL R TRN, LT TURN and RT TURN Fuses
Figure 14:

IGN E, TBC IGN 1, BACK UP, BTSI, and TRLR B/U Fuses


Object Number: 896007  Size: FS
Master Electrical Component List
PCM I Fuse - 4.2L
IGN 0, TBC IF, TBC ACC, FRT WPR, and RAIN Fuses
ACCY/RUN and RUN/START Bus Bars
Figure 15:

PCM I Fuse - 4.2L


Object Number: 884742  Size: FS
Master Electrical Component List
PCM I, O2A, O2B and ENG I Fuses - 5.3L
IGN E TBC IGN 1, BACK UP, BTSI, and TRLR B/U Fuses
ACCY/RUN and RUN/START Bus Bars
Figure 16:

PCM I, O2A, O2B and ENG I Fuses - 5.3L


Object Number: 896022  Size: FS
Master Electrical Component List
O2, ETC, ENG I, SIR, HVAC, 4WD Fuses
PCM I Fuse - 4.2L
ACCY/RUN and RUN/START Bus Bars
Figure 17:

O2, ETC, ENG I, SIR, HVAC, and 4WD Fuses


Object Number: 896030  Size: FS
Master Electrical Component List
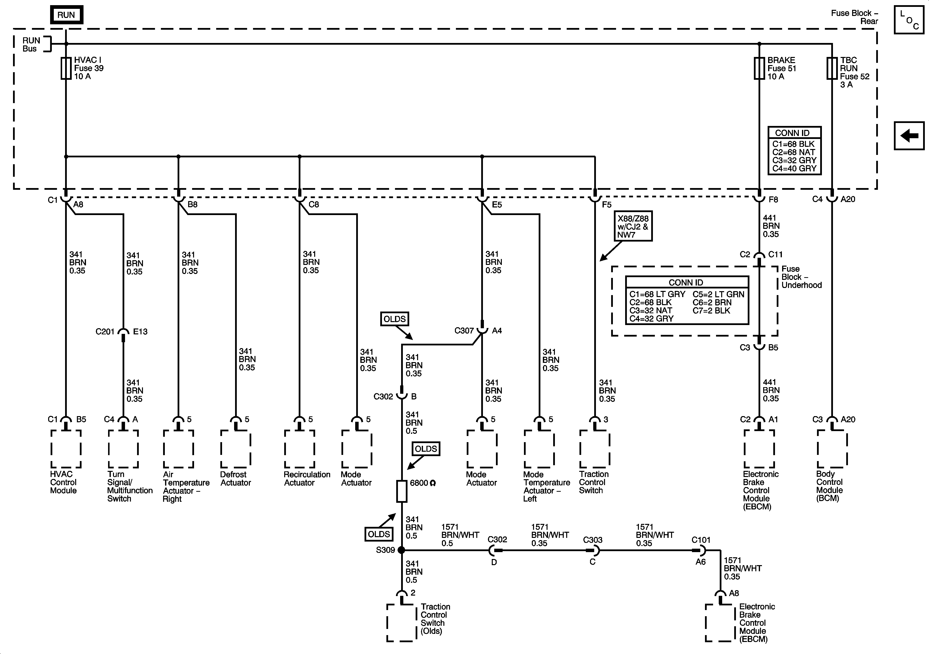
HVAC I, BRAKE, and TBC RUN Fuses
PCM I, O2A, O2B and ENG I Fuses - 5.3L
ACCY/RUN and RUN/START Bus Bars
ACCY/RUN/START, RUN, and START Bus Bars
Figure 18:

HVAC I, BRAKE, and TBC RUN Fuses


Object Number: 896039  Size: FS
Master Electrical Component List
O2, ETC, ENG I, SIR, HVAC, 4WD Fuses
ACCY/RUN/START, RUN, and START Bus Bars