GM Service Manual Online
For 1990-2009 cars only
Figure 1:

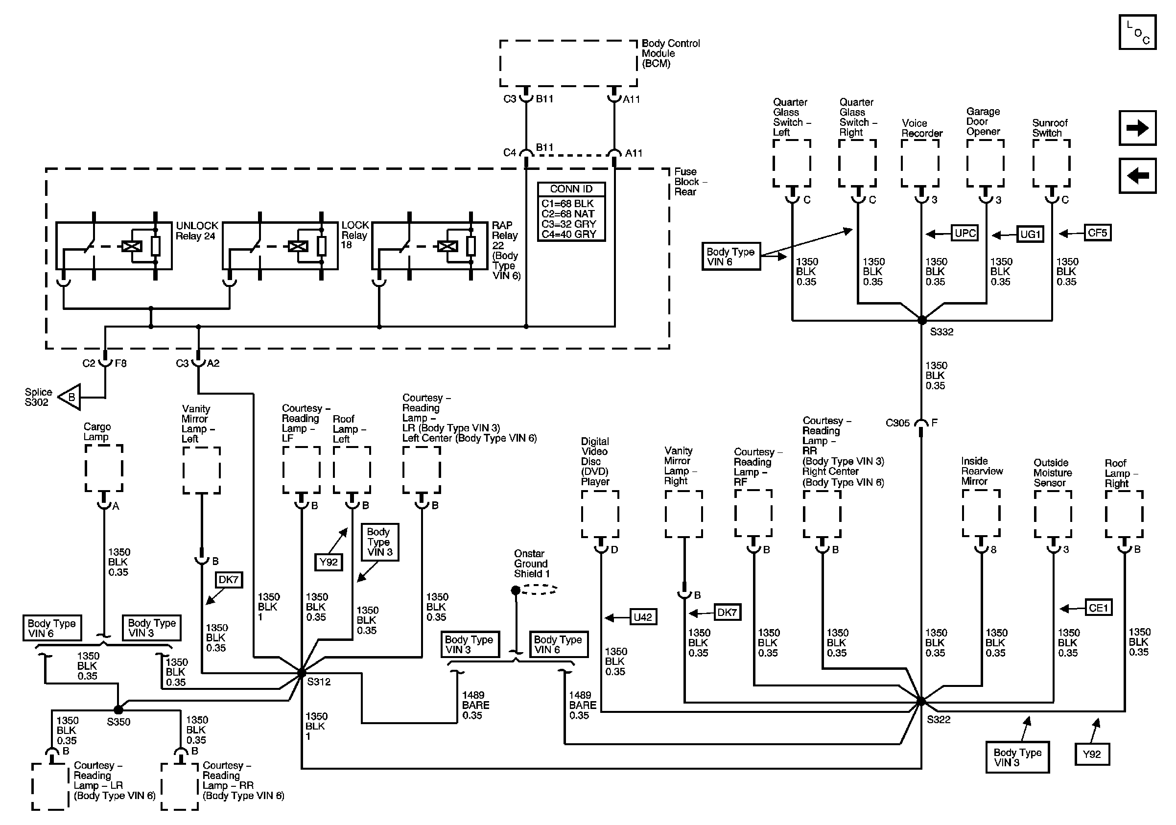
G101, G103, G106 and G110


Object Number: 877117  Size: FS
Master Electrical Component List
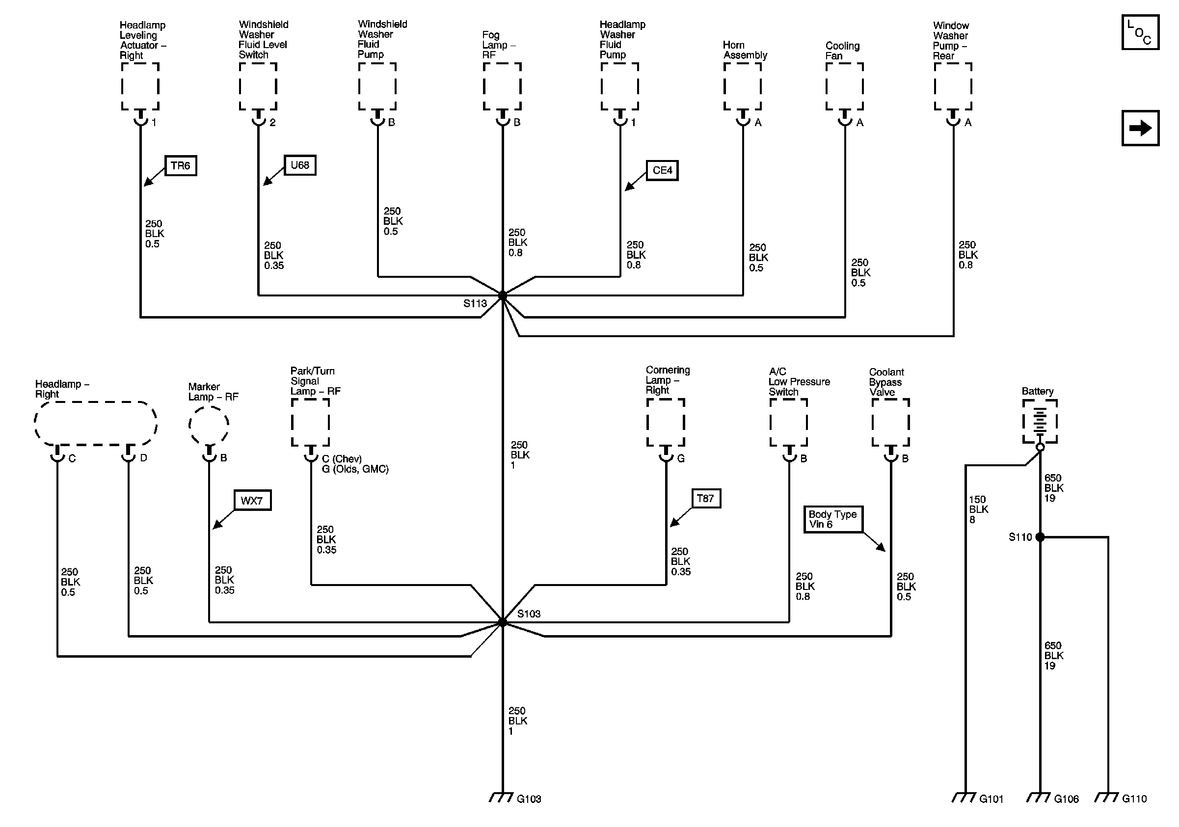
G102, G104, G105 and G107
Figure 2:

G102, G104, G105 and G107


Object Number: 877115  Size: FS
Master Electrical Component List
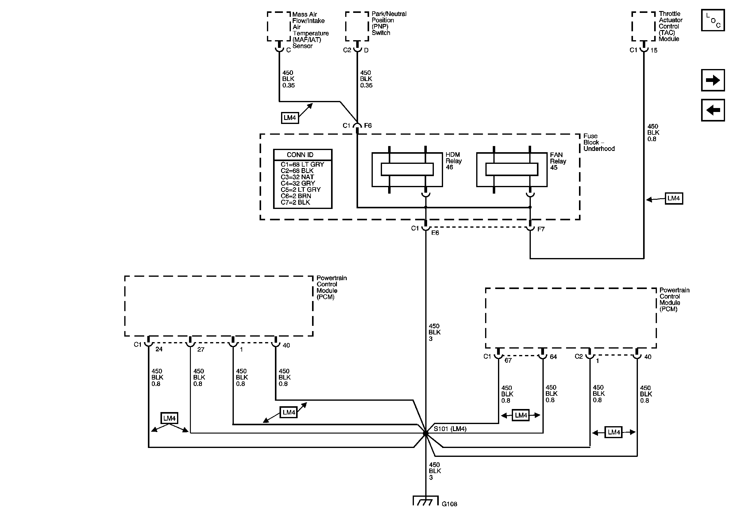
G108
G101, G103, G106 and G110
SIR Caution for Zoning
Figure 3:

G108


Object Number: 877118  Size: FS
Master Electrical Component List
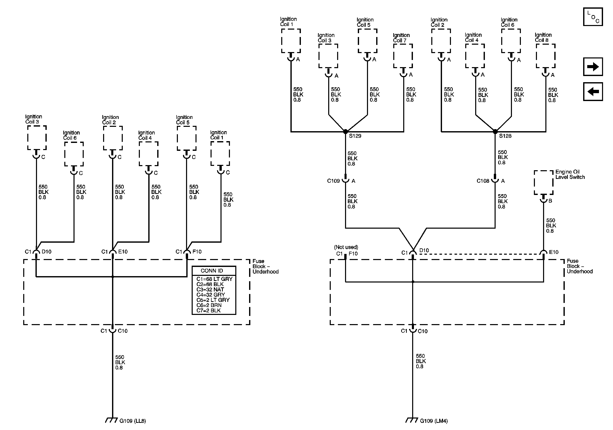
G109
G102, G104, G105 and G107
Figure 4:

G109


Object Number: 877120  Size: FS
Master Electrical Component List
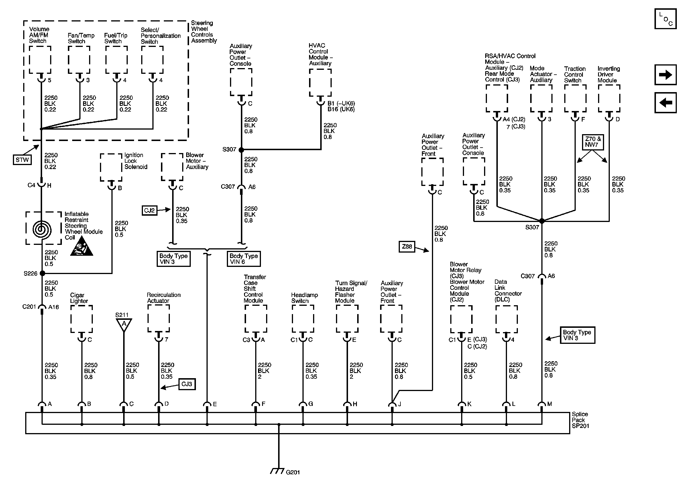
G201 - 1 of 2
G108
Figure 5:

G201 -- 1 of 2


Object Number: 877131  Size: FS
Master Electrical Component List
G201 - 2 of 2, G305 and G306
G109
SIR Caution for Zoning
G201 - 2 of 2, G305 and G306
Figure 6:

G302 -- 1 of 2, G303 and G304


Object Number: 877133  Size: FS
Master Electrical Component List
G302 2 of 2
G201 - 2 of 2, G305 and G306
G302 2 of 2
Figure 7:

G201 -- 2 of 2, G305 and G306


Object Number: 877134  Size: FS
Master Electrical Component List
G302 - 1 of 2, G303 and G304
G201 - 1 of 2
G201 - 1 of 2
Figure 8:

G302 -- 2 of 2


Object Number: 877132  Size: FS
Master Electrical Component List
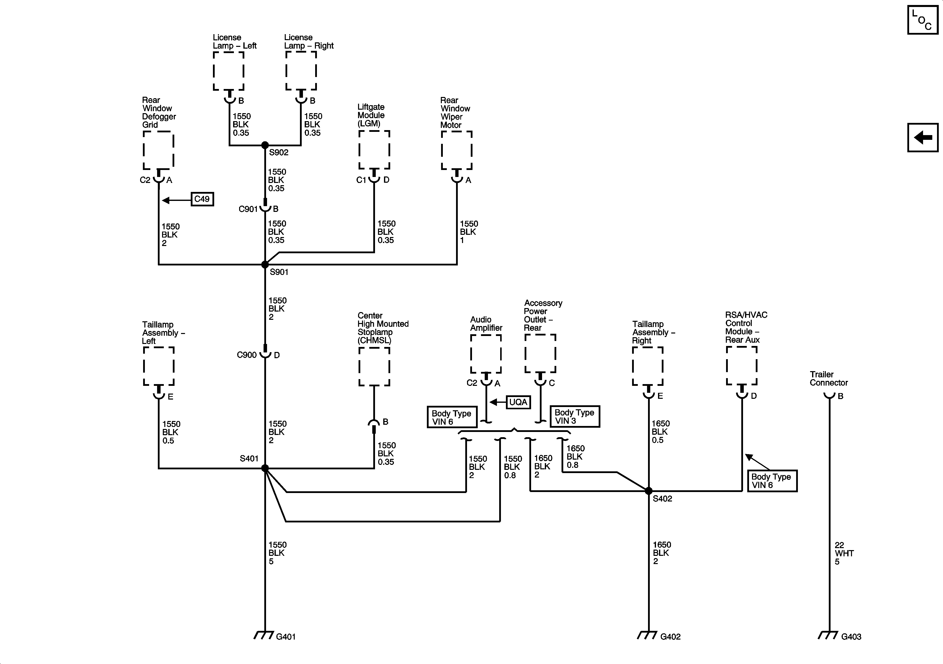
G401, G402 and G403
G302 - 1 of 2, G303 and G304
G302 - 1 of 2, G303 and G304
Figure 9:

G401, G402 and G403


Object Number: 877136  Size: FS
Master Electrical Component List
G302 2 of 2