GM Service Manual Online
For 1990-2009 cars only
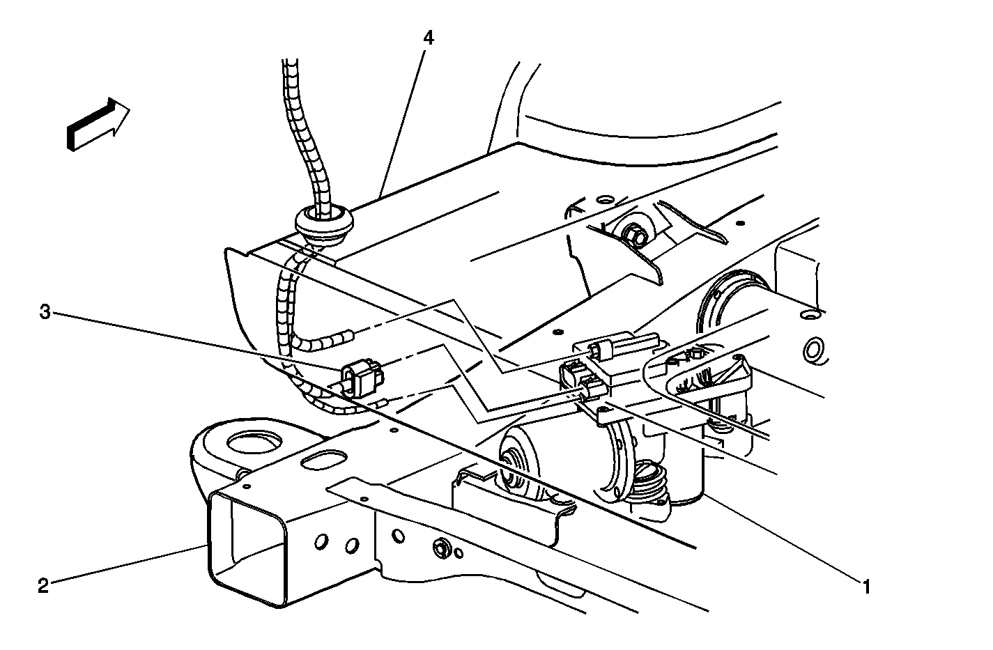
Figure 1:

Chassis, Right Side


Object Number: 749838  Size: MF
(1)Air Suspension Sensor, RR
(2)Upper Control Arm, RR
(3)Frame
Figure 2:

Chassis, Right Rear (Body Type VIN 3)


Object Number: 799439  Size: MF
(1)Wiring, Switch-to-Compressor
(2)Wire Harness Connector
(3)Frame
(4)Air Suspension Compressor
(5)Rear Floor Panel
Figure 3:

Rear Trim Panel (Body Type VIN 3)


Object Number: 799438  Size: MF
(1)Lower Trim Panel
(2)Air Suspension Inflator Switch
Figure 4:

Right Rear (Body Type VIN 3)


Object Number: 799435  Size: MF
(1)Lower Side Trim Panel
(2)Indicator
Figure 5:

Chassis, LR (Body Type VIN 6)


Object Number: 799442  Size: MF
(1)Air Suspension Compressor
(2)Frame
(3)Wiring, Compressor-to-Switch
(4)Rear Floor Panel