GM Service Manual Online
For 1990-2009 cars only
Figure 1:

Power, Ground, Serial Data and MIL


Object Number: 918720  Size: FS
Figure 2:

Gages


Object Number: 918722  Size: FS
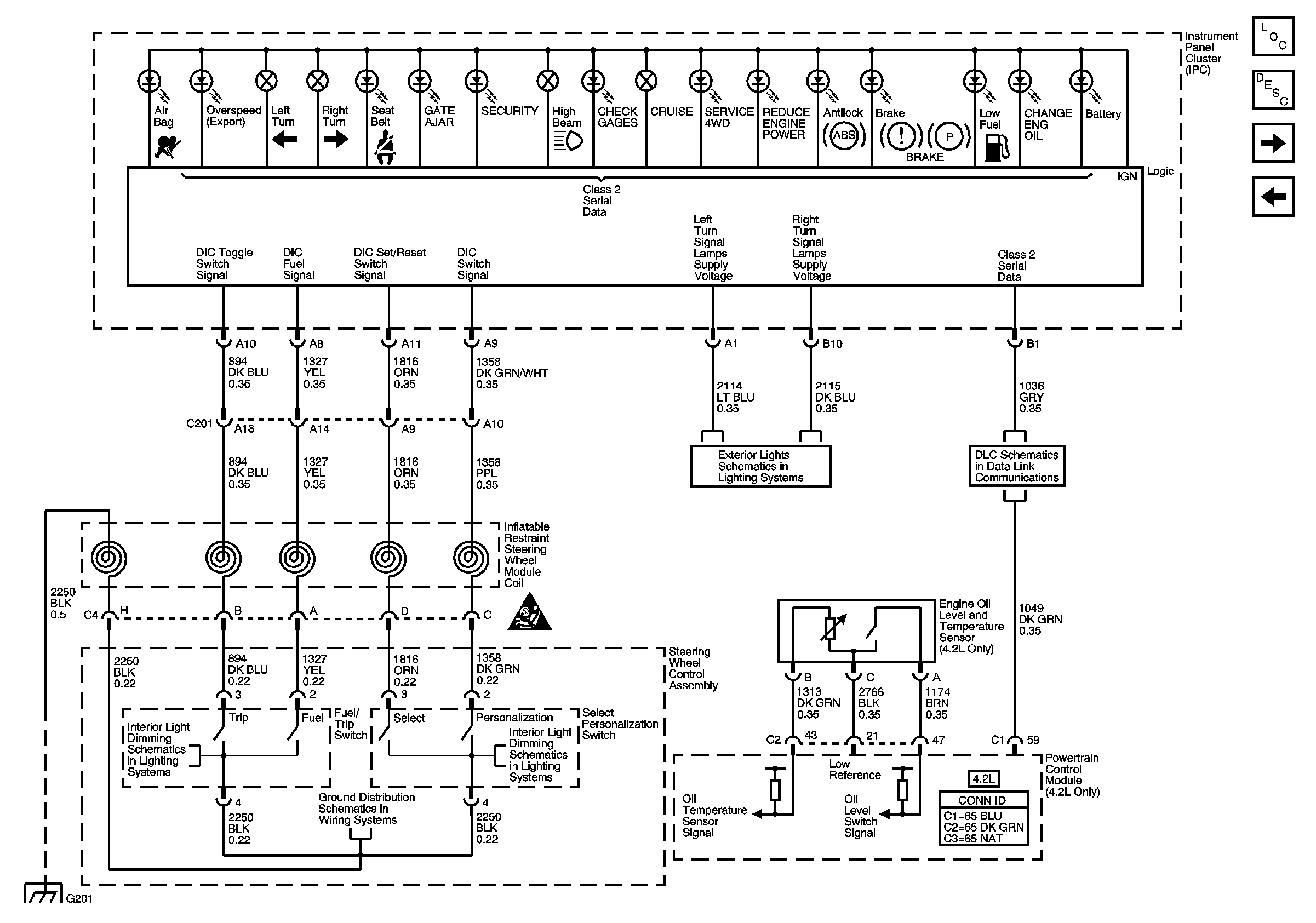
Figure 3:

Indicators, DIC Controls, Engine Oil Level and Temperature Sensor


Object Number: 899137  Size: FS
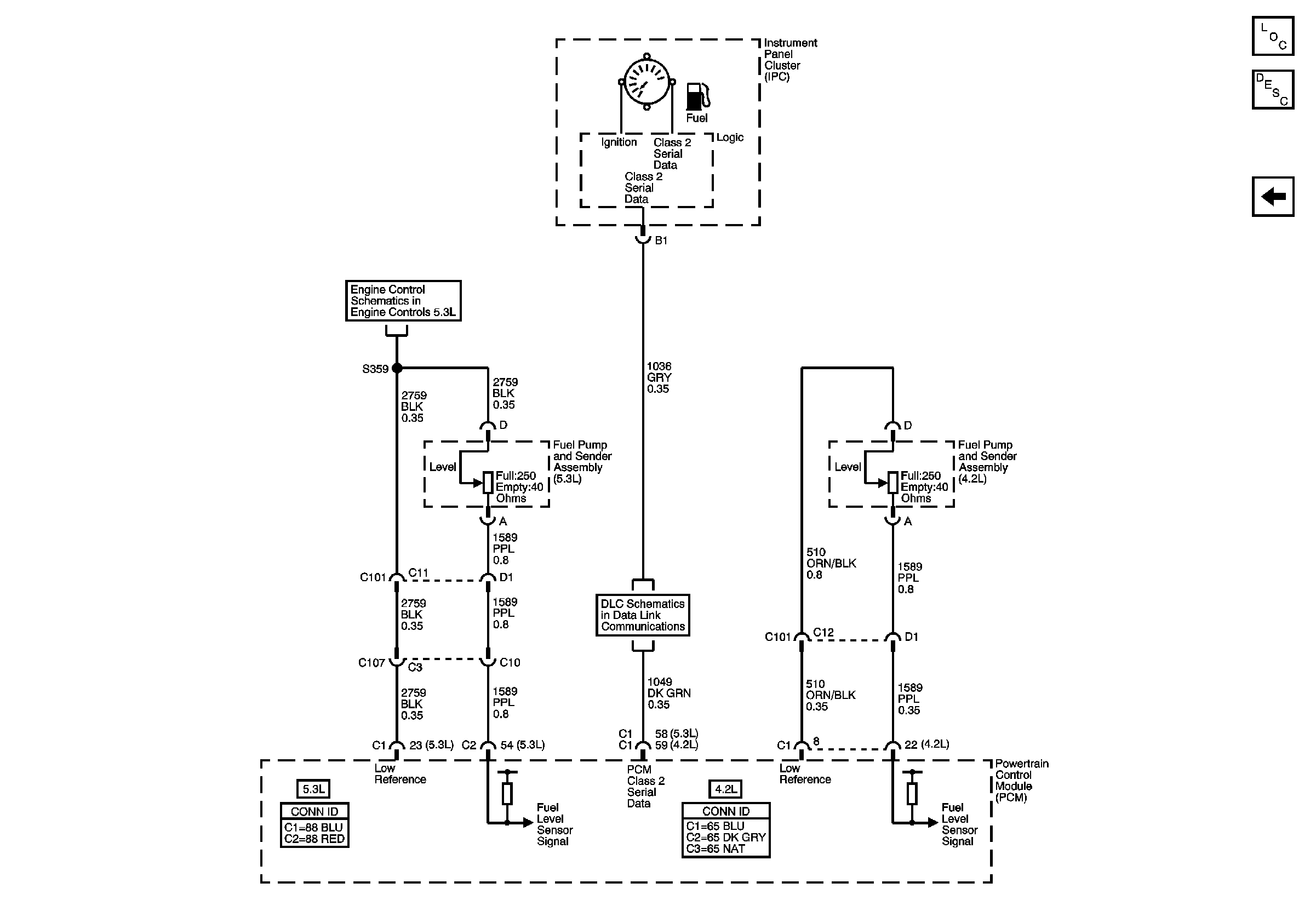
Figure 4:

Fuel Gage


Object Number: 918724  Size: FS