GM Service Manual Online
For 1990-2009 cars only
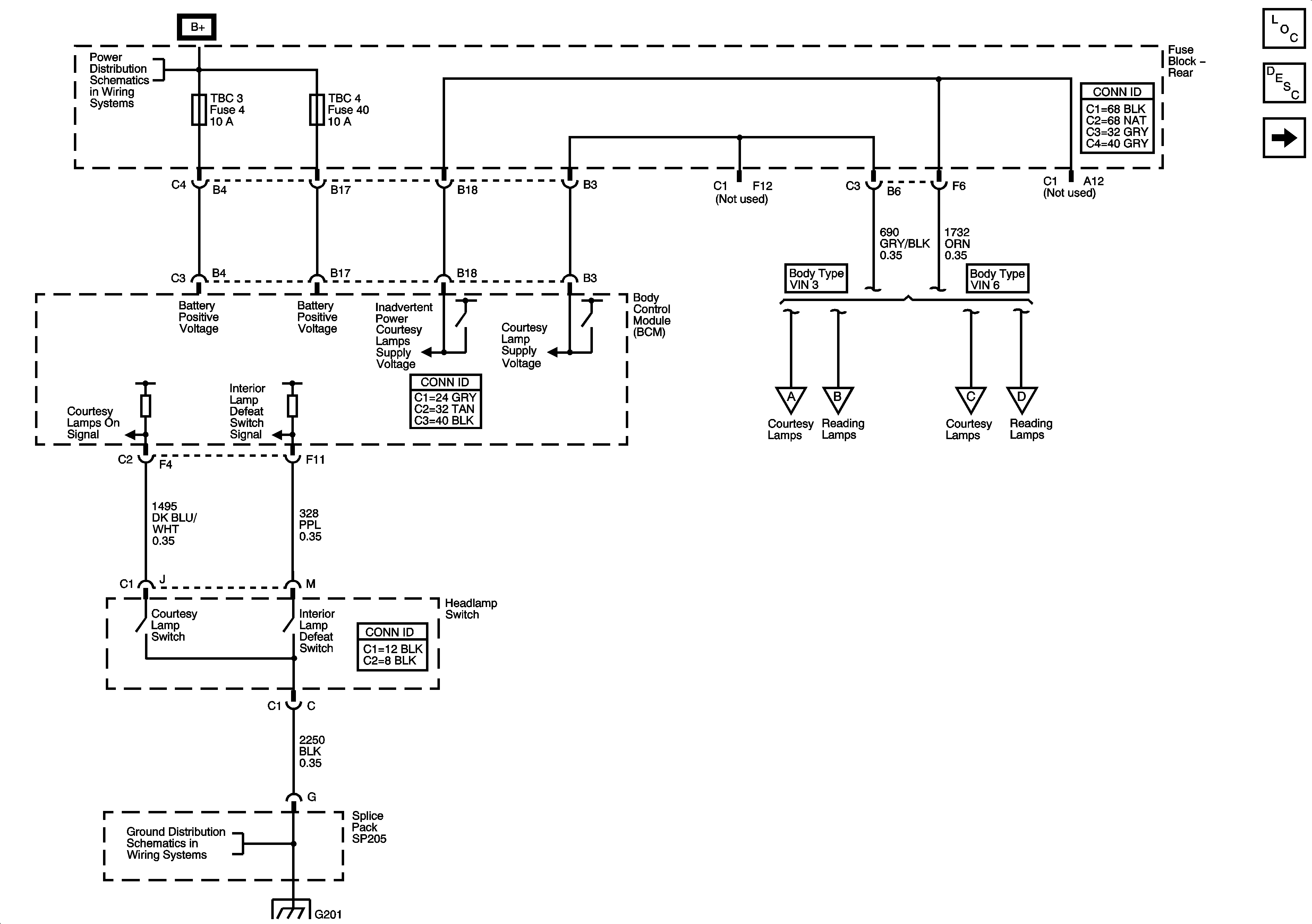
Figure 1:

Interior Lamps Controls


Object Number: 905185  Size: FS
Master Electrical Component List
Interior Lighting Systems Description and Operation
Front Door Switches
G113 (V8 Engine)
Front Door Switches
Interior Lights (Long Wheelbase, Body Type VIN 6)
B+ Bus - Rear Fuse Block
Figure 2:

Courtesy /Reading Lamps, Cargo Lamp, Vanity Mirror Lamps (Short Wheelbase, Body Type VIN 3)


Object Number: 685088  Size: FS
Master Electrical Component List
Interior Lighting Systems Description and Operation
Interior Lights (Long Wheelbase, Body Type VIN 6)
Interior Lamps (Short Wheelbase, Body Type VIN 3)
G302 2 of 2
G302 - 1 of 2, G303 and G304
Interior Lamps (Short Wheelbase, Body Type VIN 3)
Figure 3:

Interior Lamps (Long Wheelbase, Body Type VIN 6)


Object Number: 840238  Size: FS
Master Electrical Component List
Interior Lighting Systems Description and Operation
Liftgate and Rear Door Switches
Front Door Switches
G302 2 of 2
G302 - 1 of 2, G303 and G304
Interior Lamps (Short Wheelbase, Body Type VIN 3)
Figure 4:

Liftgate and Door Switches


Object Number: 685084  Size: FS
Master Electrical Component List
Interior Lighting Systems Description and Operation
Interior Lights (Long Wheelbase, Body Type VIN 6)
SP306
Data Link Connector and SP205
G302 - 1 of 2, G303 and G304