GM Service Manual Online
For 1990-2009 cars only
Makes
🢒
Oldsmobile
🢒
2003
🢒
Bravada
🢒
Body and Accessories
🢒
Wiring Systems
🢒 Interior Lights Dimming Schematics
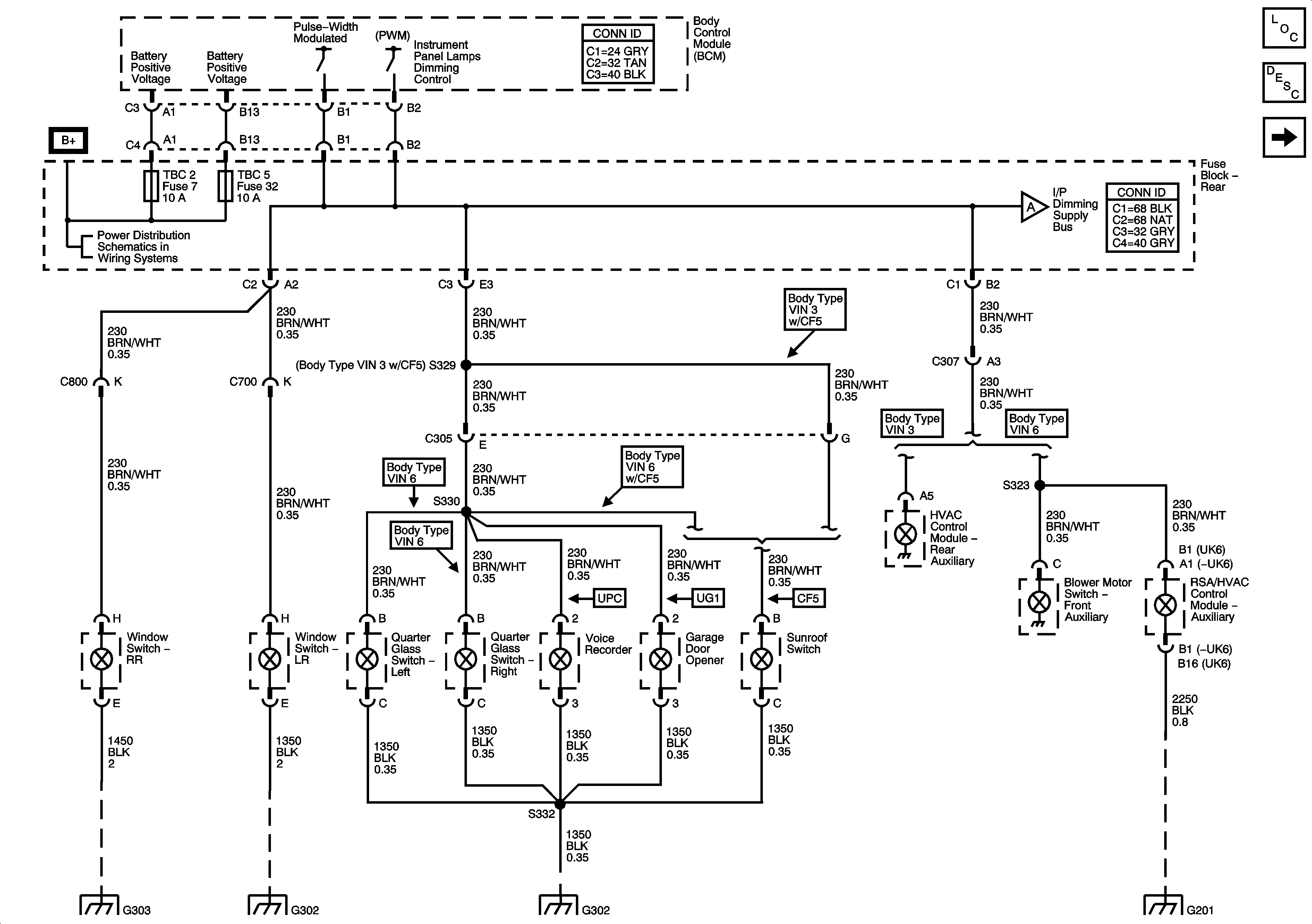
Figure
1:
I/P Dimming Supply - 1 of 2
Master Electrical Component List
Interior Lighting Systems Description and Operation
I/P Dimming Supply - 2 of 2
G201 - 1 of 2
G302 - 1 of 2, G303 and G304
B+ Bus - Rear Fuse Block
Figure
2:
I/P Dimming Supply - 2 of 2
Master Electrical Component List
Interior Lighting Systems Description and Operation
Courtesy Lamp Supply
I/P Dimming Supply - 1of 2
SIR Caution for Zoning
G201 - 1 of 2
G201 - 2 of 2, G305 and G306
Courtesy Lamp Supply
I/P Dimming Supply - 1of 2
Headlamp Switch
Figure
3:
Courtesy Lamp Supply
Master Electrical Component List
Interior Lighting Systems Description and Operation
I/P Dimming Supply - 2 of 2
G201 - 1 of 2
I/P Dimming Supply - 2 of 2
Driver Door Module Power and Ground
SP306