GM Service Manual Online
For 1990-2009 cars only
Makes
🢒
Oldsmobile
🢒
2003
🢒
Bravada
🢒
Body and Accessories
🢒
Entertainment
🢒 Theft Deterrent System Schematics
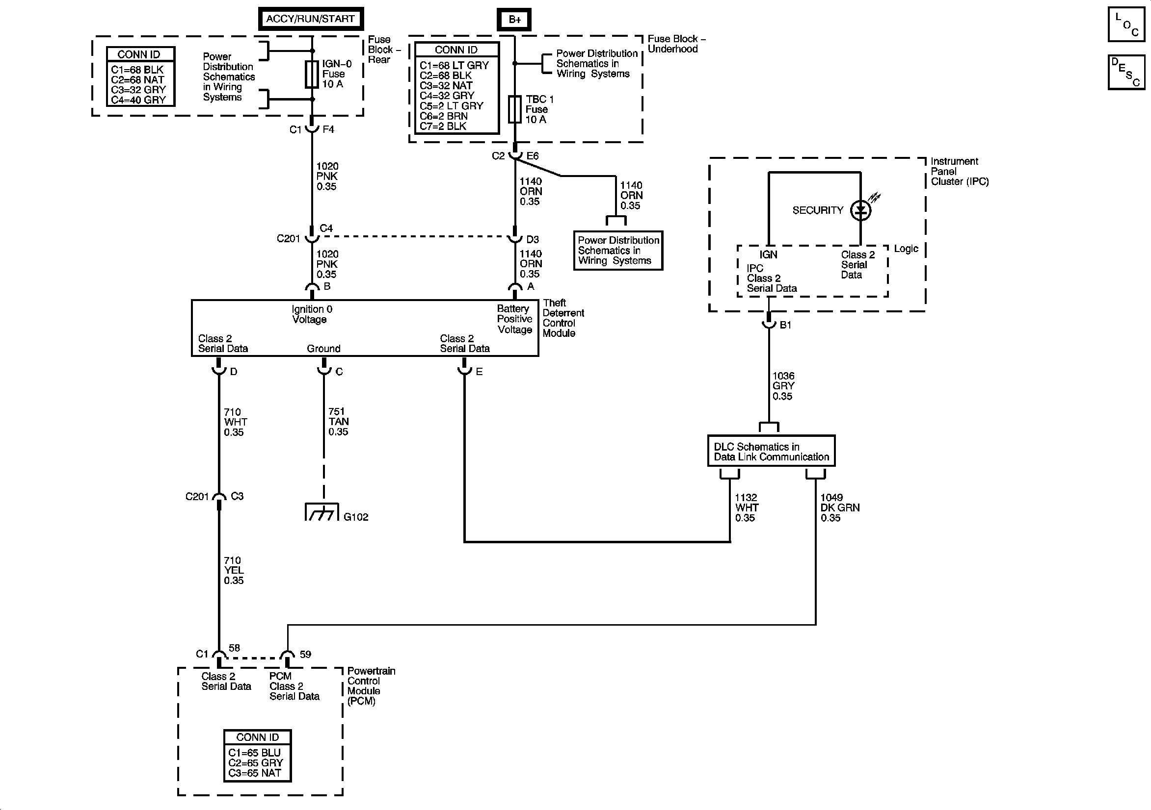
Figure
1:
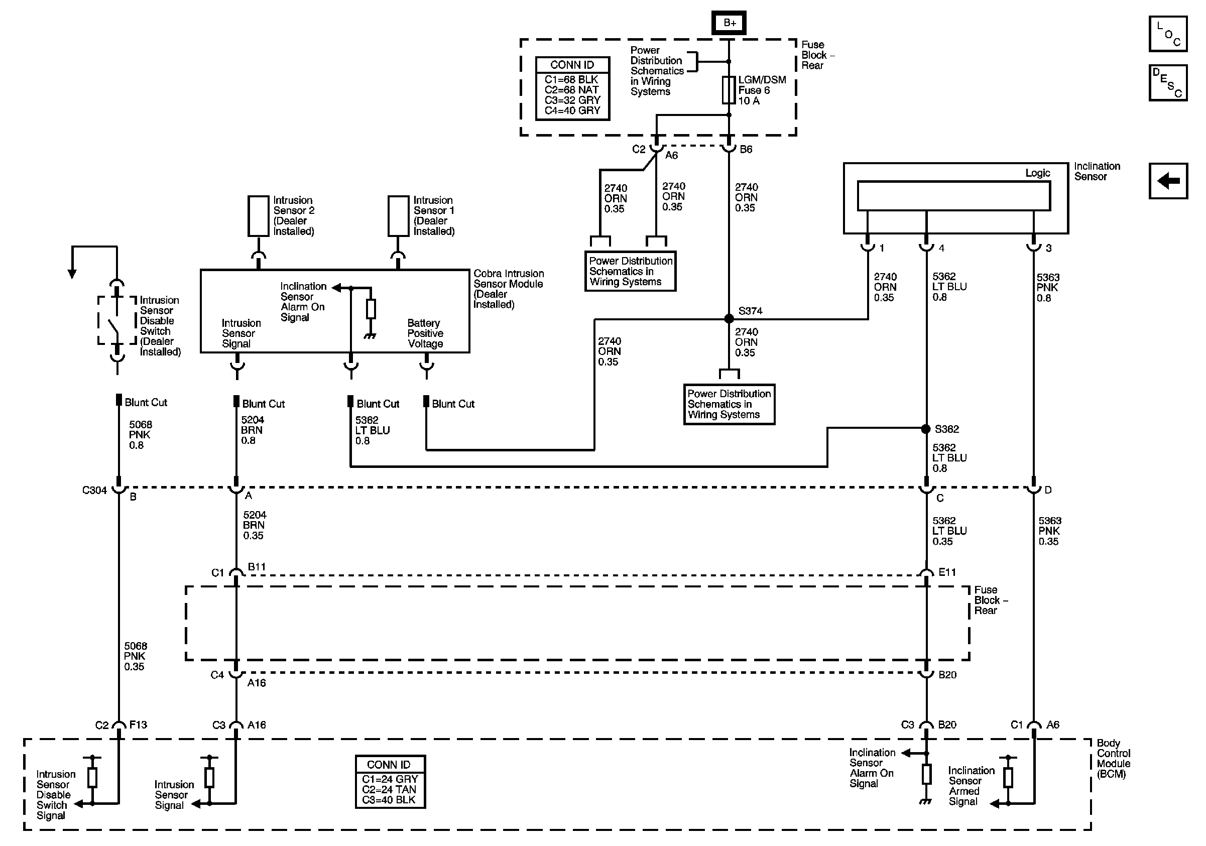
Figure
2:
Inclination Sensor
Master Electrical Component List
Vehicle Theft Deterrent (VTD) Description and Operation
Theft Deterrent, With Immobilizer
LGM/DSM, OH BATT/ONSTAR, RADIO, HVAC B
LGM/DSM, OH BATT/ONSTAR, RADIO, HVAC B
LGM/DSM, OH BATT/ONSTAR, RADIO, HVAC B