GM Service Manual Online
For 1990-2009 cars only
Makes
🢒
Oldsmobile
🢒
2003
🢒
Bravada
🢒
Body and Accessories
🢒
Stationary Windows
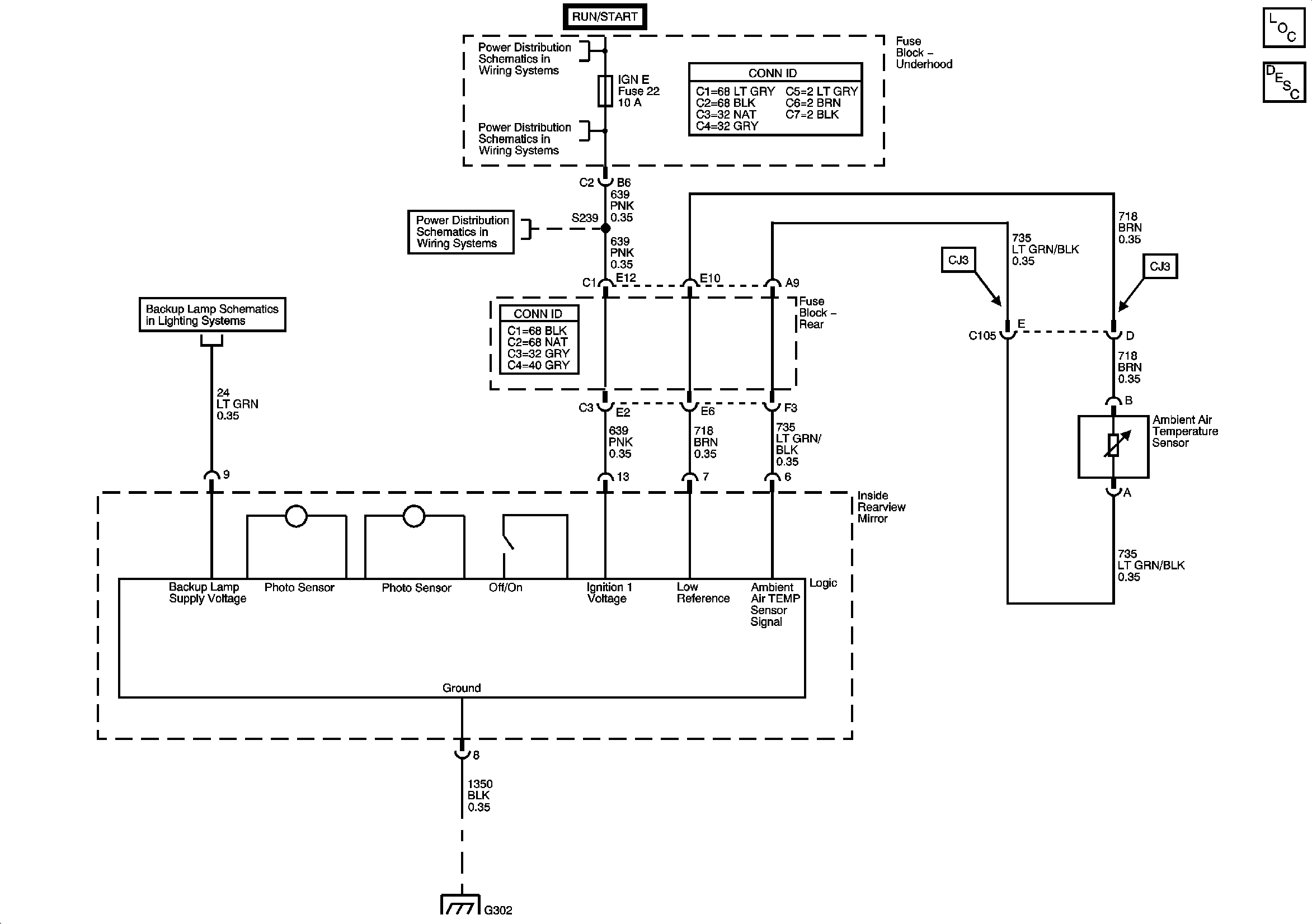
🢒 Inside Rearview Mirror Schematics