GM Service Manual Online
For 1990-2009 cars only
Makes
🢒
Oldsmobile
🢒
2003
🢒
Bravada
🢒
Body and Accessories
🢒
Doors
🢒 Power Window Schematics
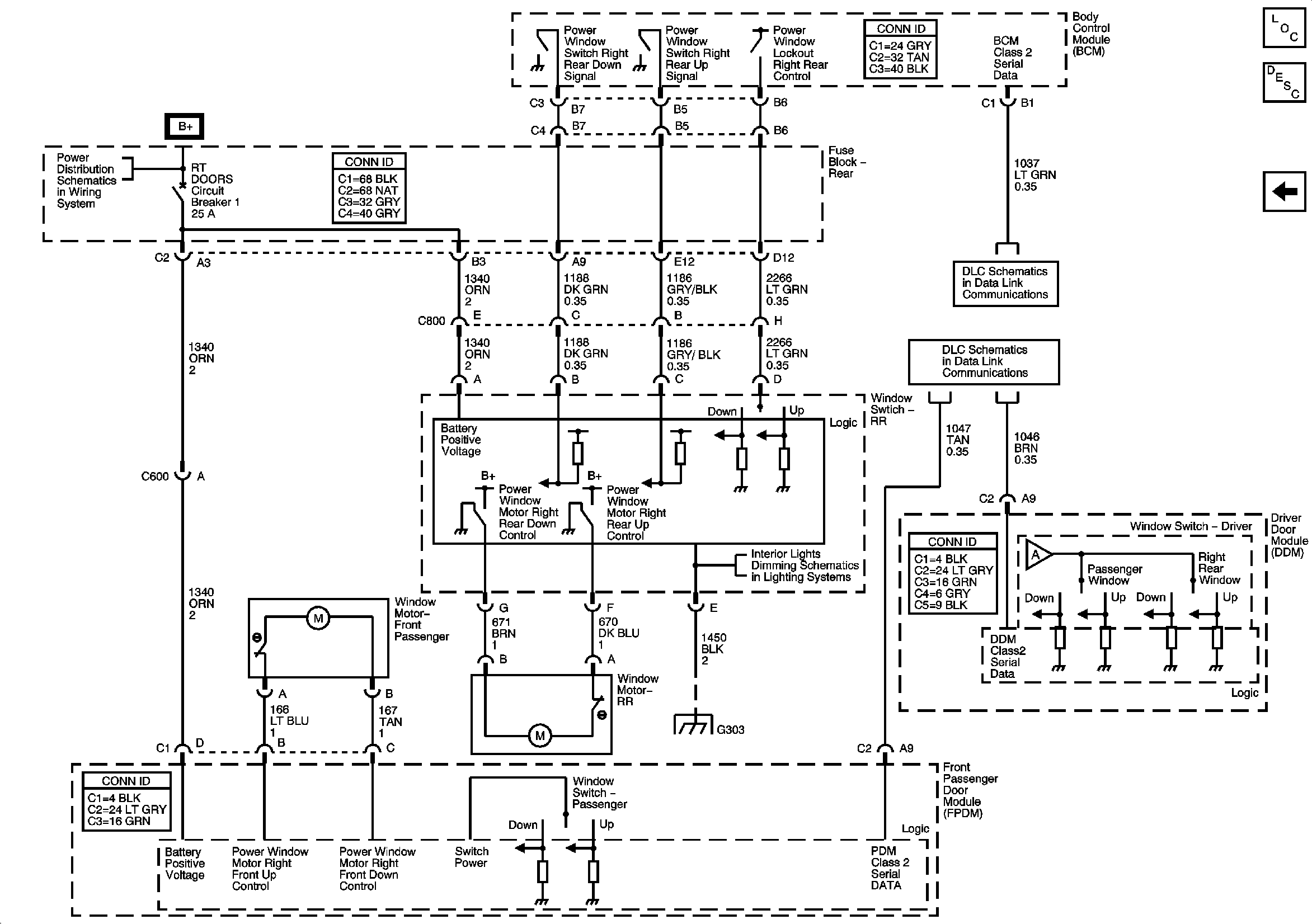
Figure
1:
Left
Master Electrical Component List
Power Windows Description and Operation
Right
B+ Bus - Rear Fuse Block
Data Link Connector and SP205
SP306
I/P Dimming Supply - 1of 2
G302 - 1 of 2, G303 and G304
Right
Figure
2:
Right
Master Electrical Component List
Power Windows Description and Operation
Left
B+ Bus - Rear Fuse Block
Data Link Connector and SP205
SP306
I/P Dimming Supply - 1of 2
G302 - 1 of 2, G303 and G304
Left