GM Service Manual Online
For 1990-2009 cars only
Makes
🢒
Oldsmobile
🢒
2003
🢒
Bravada
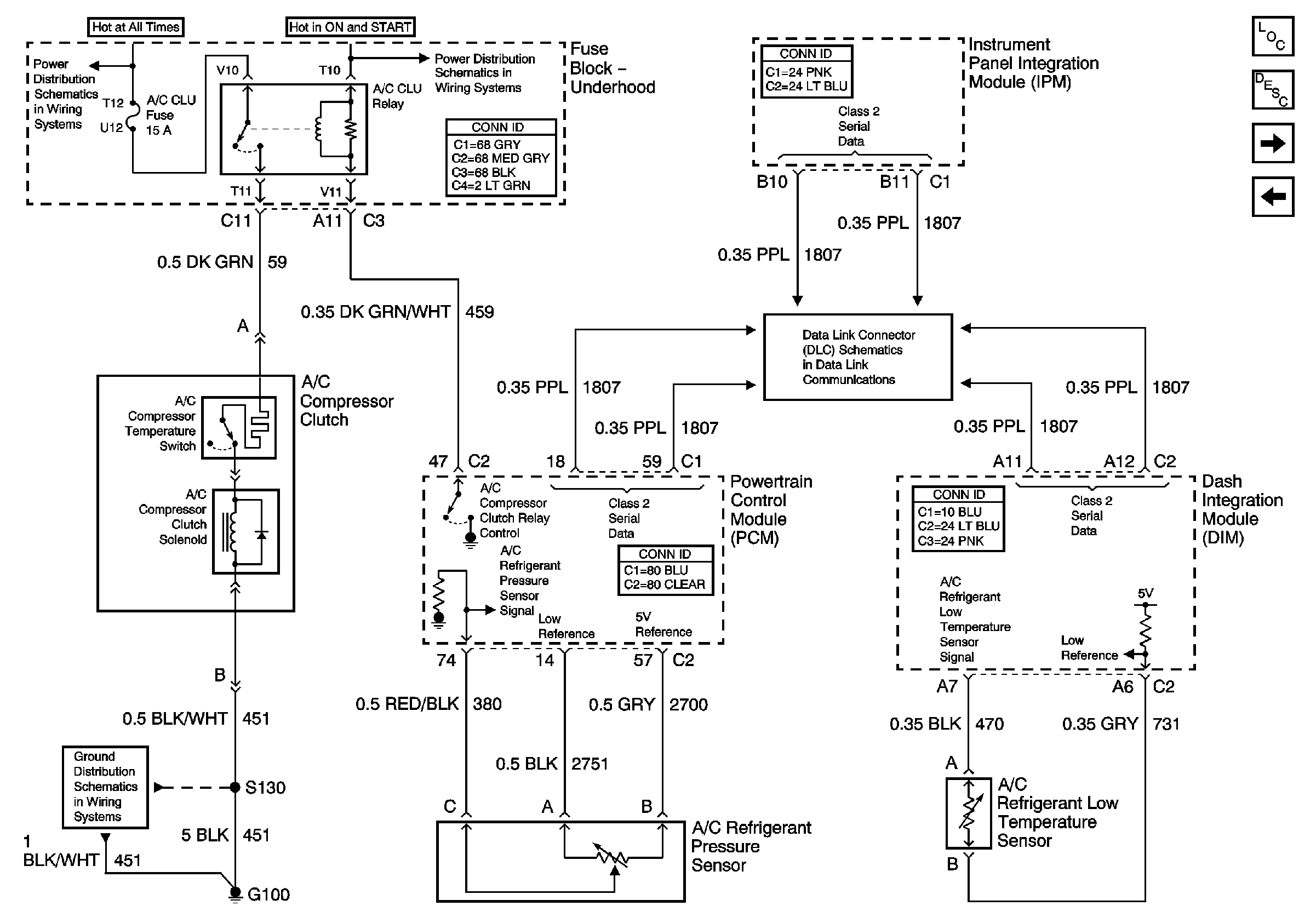
🢒 HVAC Compressor Control
HVAC Compressor Control
HVAC Compressor Control
Master Electrical Component List
Air Temperature Description and Operation
Steering Wheel Controls
Rear Blower Motor- DTS
Underhood Fuse Block Battery Voltage
Ignition Feeds to Underhood and Rear Fuse Blocks
Class 2 Serial Data (1 of 3)
G100