GM Service Manual Online
For 1990-2009 cars only
Makes
🢒
Oldsmobile
🢒
2003
🢒
Bravada
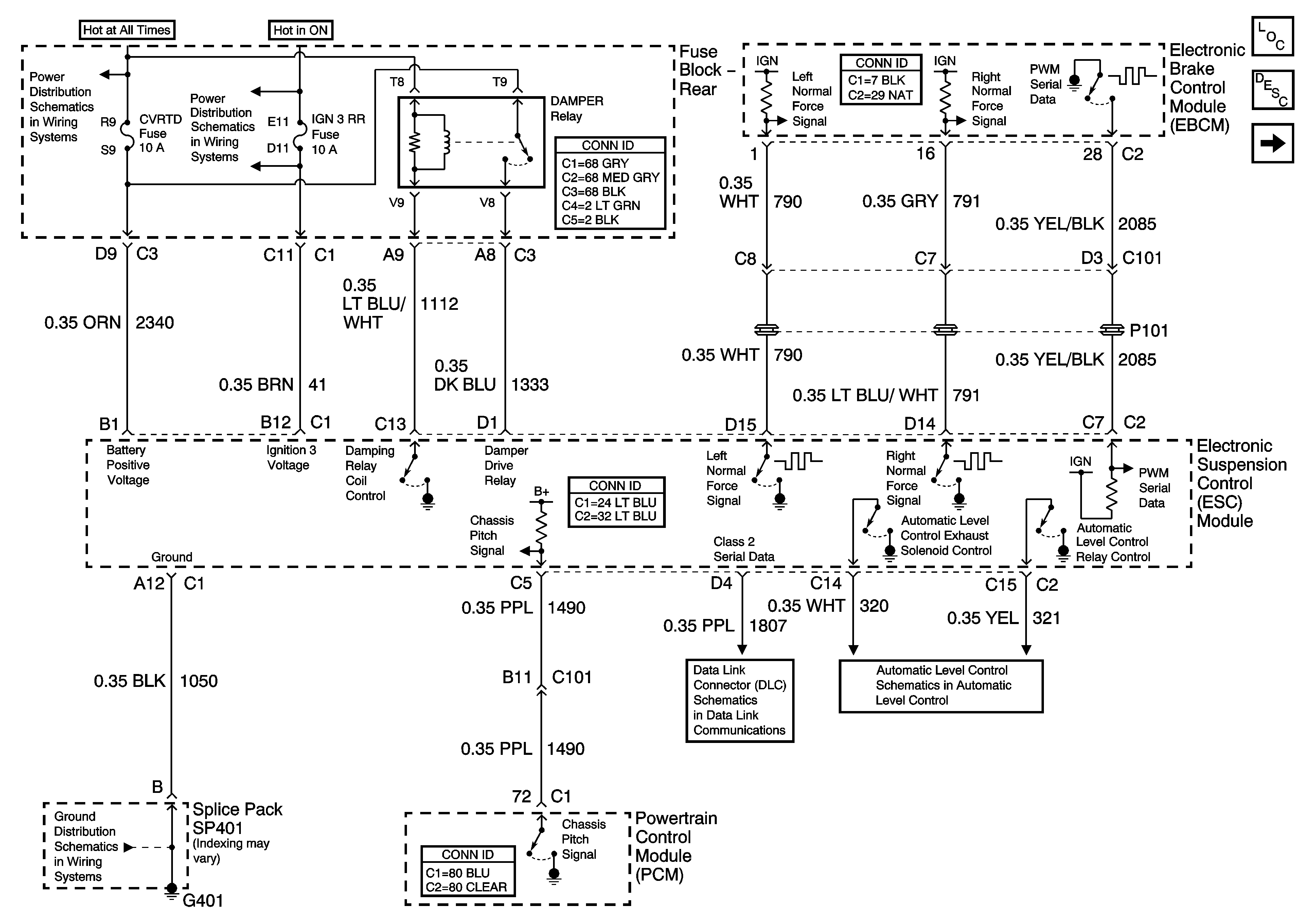
🢒 Electronic Suspension Control Module- Power and Ground
Electronic Suspension Control Module- Power and Ground
Electronic Suspension Control Module-Power and Ground
Master Electrical Component List
Electronic Suspension Control Description and Operation
Actuators and Sensors
Automatic Level Control (w/F45)
Class 2 Serial Data (2 of 3)
G401
Rear Fuse Block- CVRTD, CIGAR, and RAP Fuses and Relays
Rear Fuse Block- IGN 3 Relay, IGN 3 Fuse