GM Service Manual Online
For 1990-2009 cars only
Makes
🢒
Oldsmobile
🢒
2003
🢒
Bravada
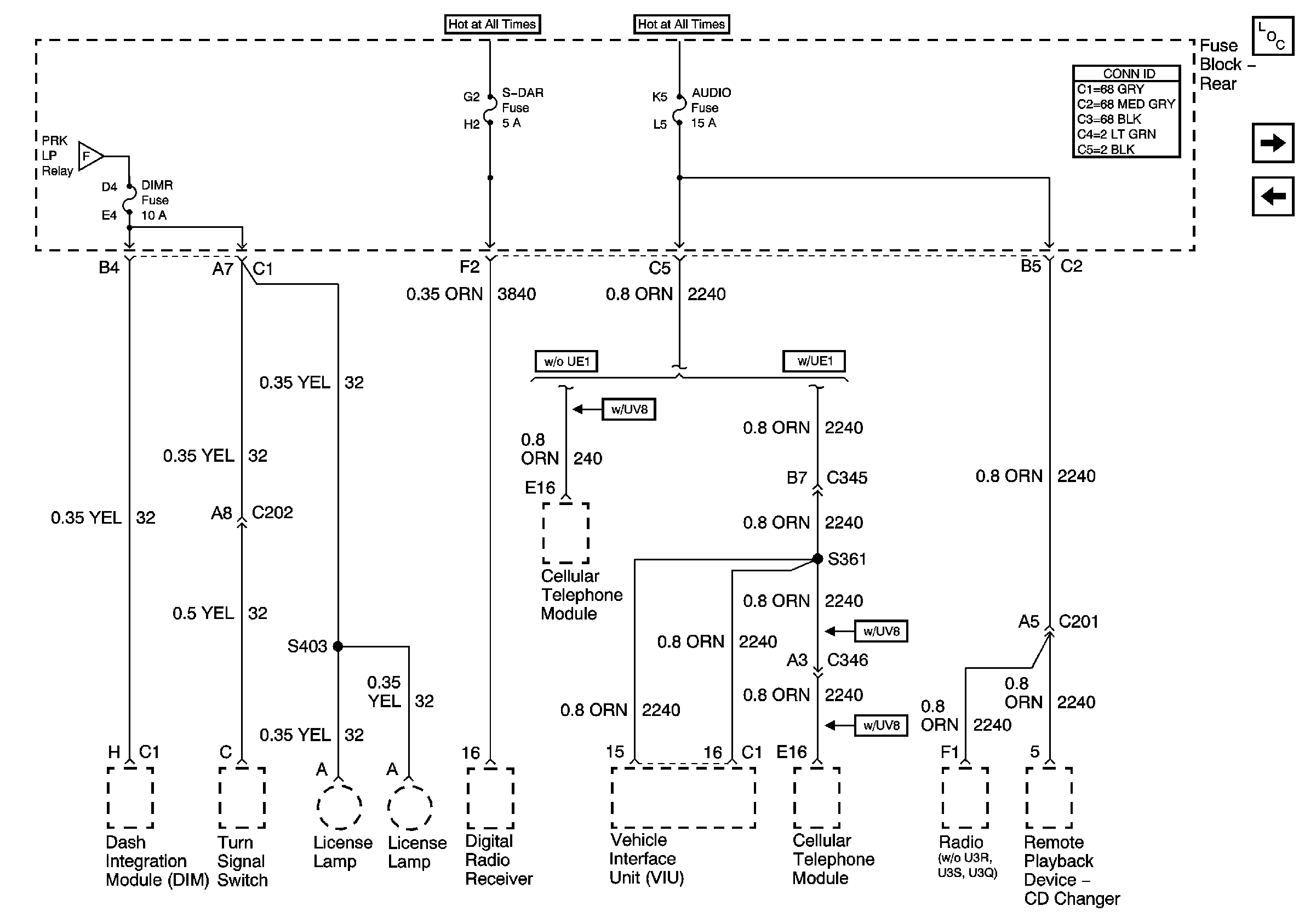
🢒 Rear Fuse Block- DIMR, S-DAR, and AUDIO Fuses
Rear Fuse Block- DIMR, S-DAR, and AUDIO Fuses
S-DAR and Audio Fuses
Master Electrical Component List
Rear Fuse Block- HVAC BLO, DRV MDL, PASS MDL, PWR TT, HTDST LR, HTDST RR, HTDST RF, DIM Fuses
Rear Fuse Block- LP PK R and LP PK L Fuses, PRK LP Relay
Rear Fuse Block- LP PK R and LP PK L Fuses, PRK LP Relay