GM Service Manual Online
For 1990-2009 cars only
Makes
🢒
Oldsmobile
🢒
2003
🢒
Bravada
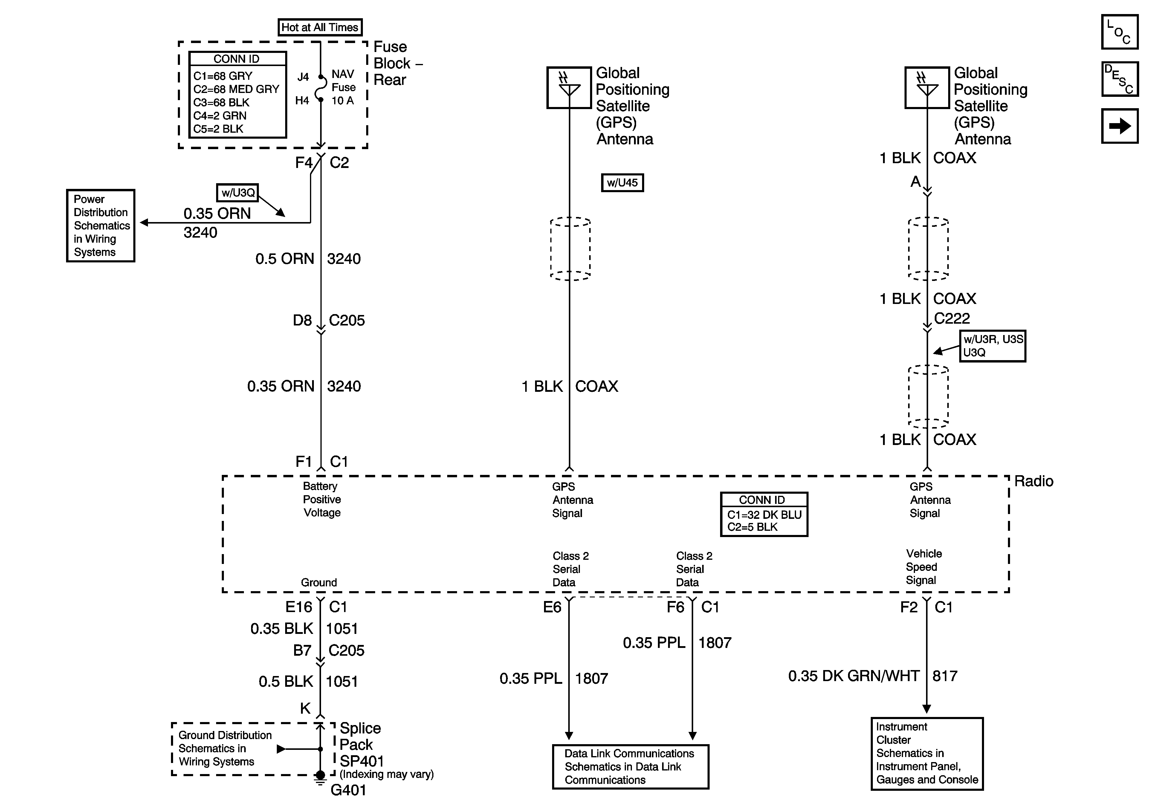
🢒 Power, Ground,and GPS Antennas
Power, Ground,and GPS Antennas
Power, Ground, Components and GPS
Master Electrical Component List
Navigation System Description and Operation
Auxilliary RCA Video Jacks and Export Microphone
Rear Fuse Block- NAV Fuse and PWR SEAT Circuit Breaker
G301
Class 2 Serial Data (1 of 3)
Gages