GM Service Manual Online
For 1990-2009 cars only
Makes
🢒
Oldsmobile
🢒
2003
🢒
Bravada
🢒 Traffic Information Receiver
Traffic Information Receiver
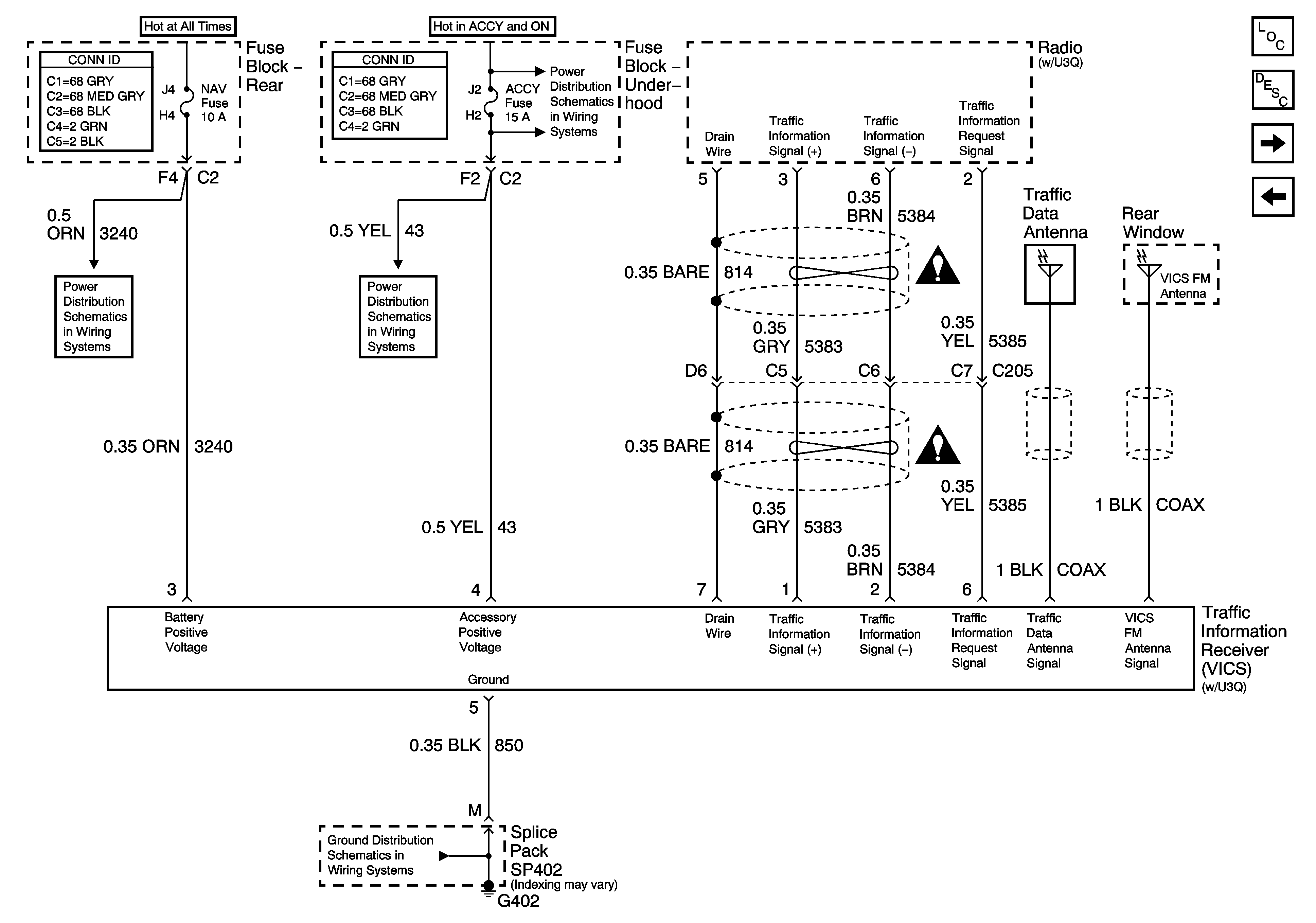
Traffic Information Receiver (VICS)
Master Electrical Component List
Navigation System Description and Operation
TV Antenna Module
Domestic Microphone
Rear Fuse Block- NAV Fuse and PWR SEAT Circuit Breaker
Underhood Fuse Block- ACCY and HDLP Relays
Underhood Fuse Block- ACCY and HDLP Relays
Navigation System Schematic Icons
Navigation System Schematic Icons
G402 (1 of 2)
G402 (1 of 2)