GM Service Manual Online
For 1990-2009 cars only
Makes
🢒
Oldsmobile
🢒
2003
🢒
Bravada
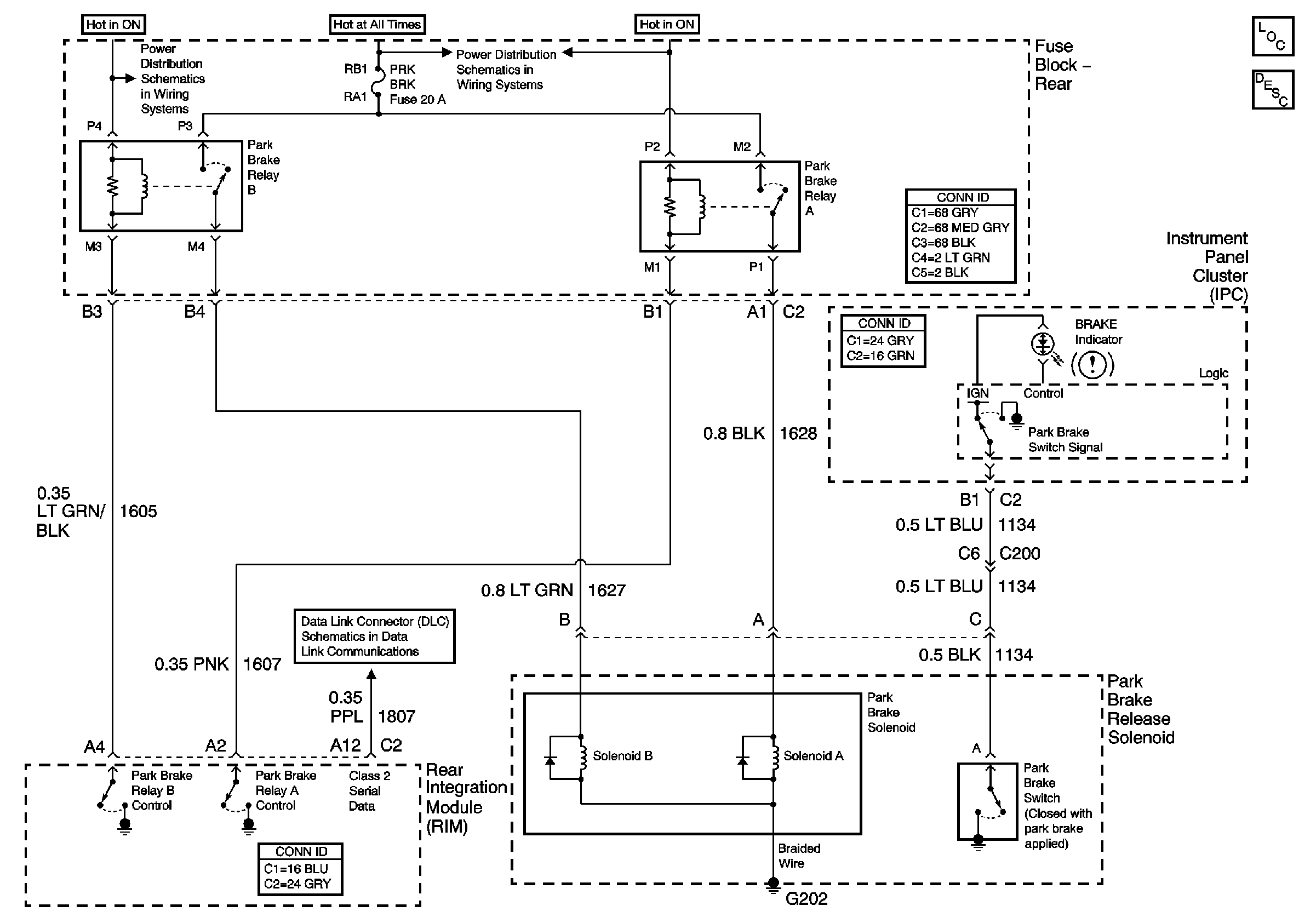
🢒 Parking Brake System Schematic
Parking Brake System Schematic
Master Electrical Component List
Park Brake System Description and Operation
Class 2 Serial Data (2 of 3)
Ignition Feeds to Underhood and Rear Fuse Blocks
Ignition Feeds to Underhood and Rear Fuse Blocks