GM Service Manual Online
For 1990-2009 cars only
Makes
🢒
Oldsmobile
🢒
2003
🢒
Bravada
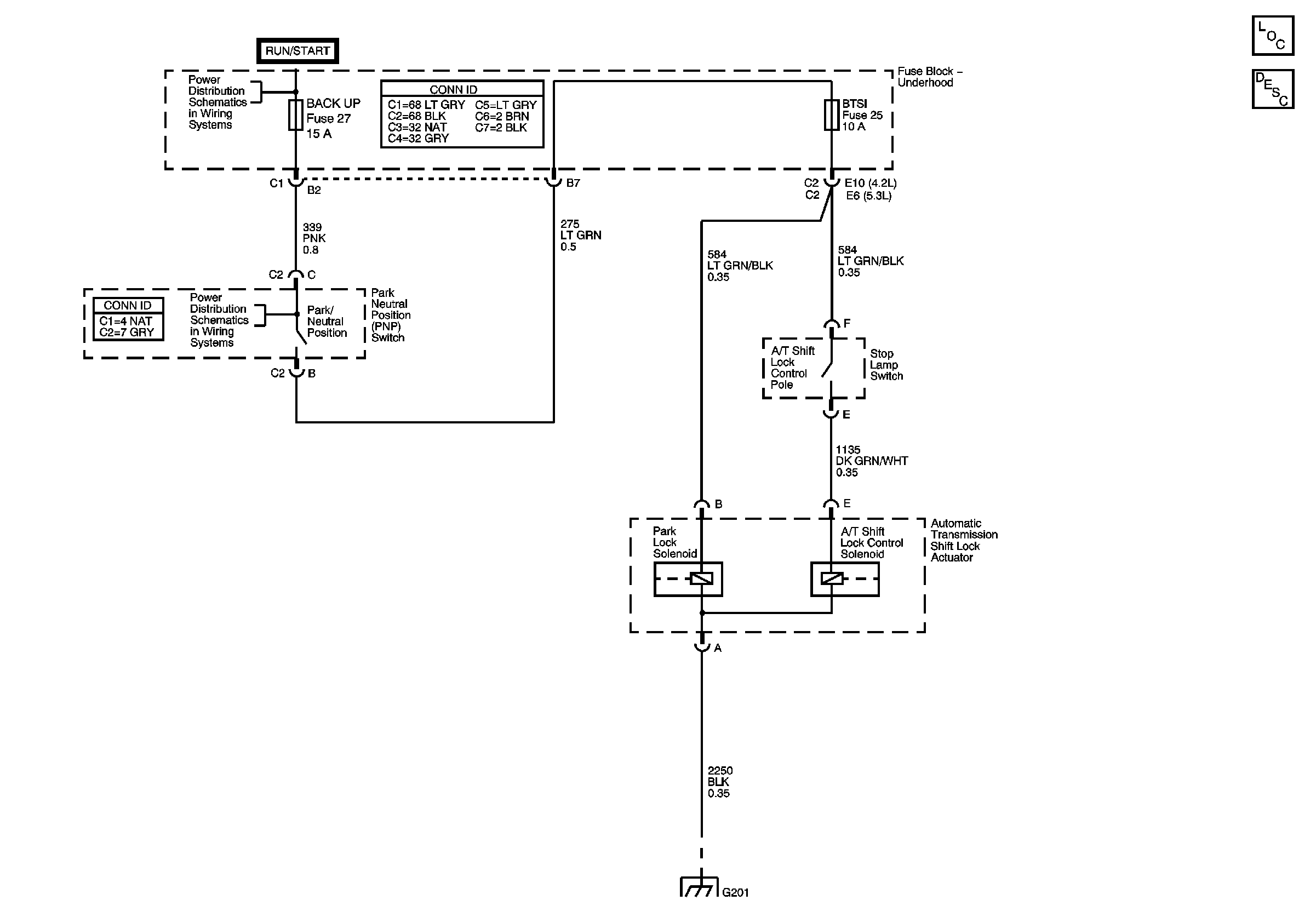
🢒 A/T Shift Lock Control Schematics
A/T Shift Lock Control Schematics
Master Electrical Component List
Automatic Transmission Shift Lock Control Description and Operation
G201 - 1 of 2
IGN E TBC IGN 1, BACK UP, BTSI, and TRLR B/U Fuses