GM Service Manual Online
For 1990-2009 cars only
Makes
🢒
Oldsmobile
🢒
2003
🢒
Bravada
🢒 Foglamps
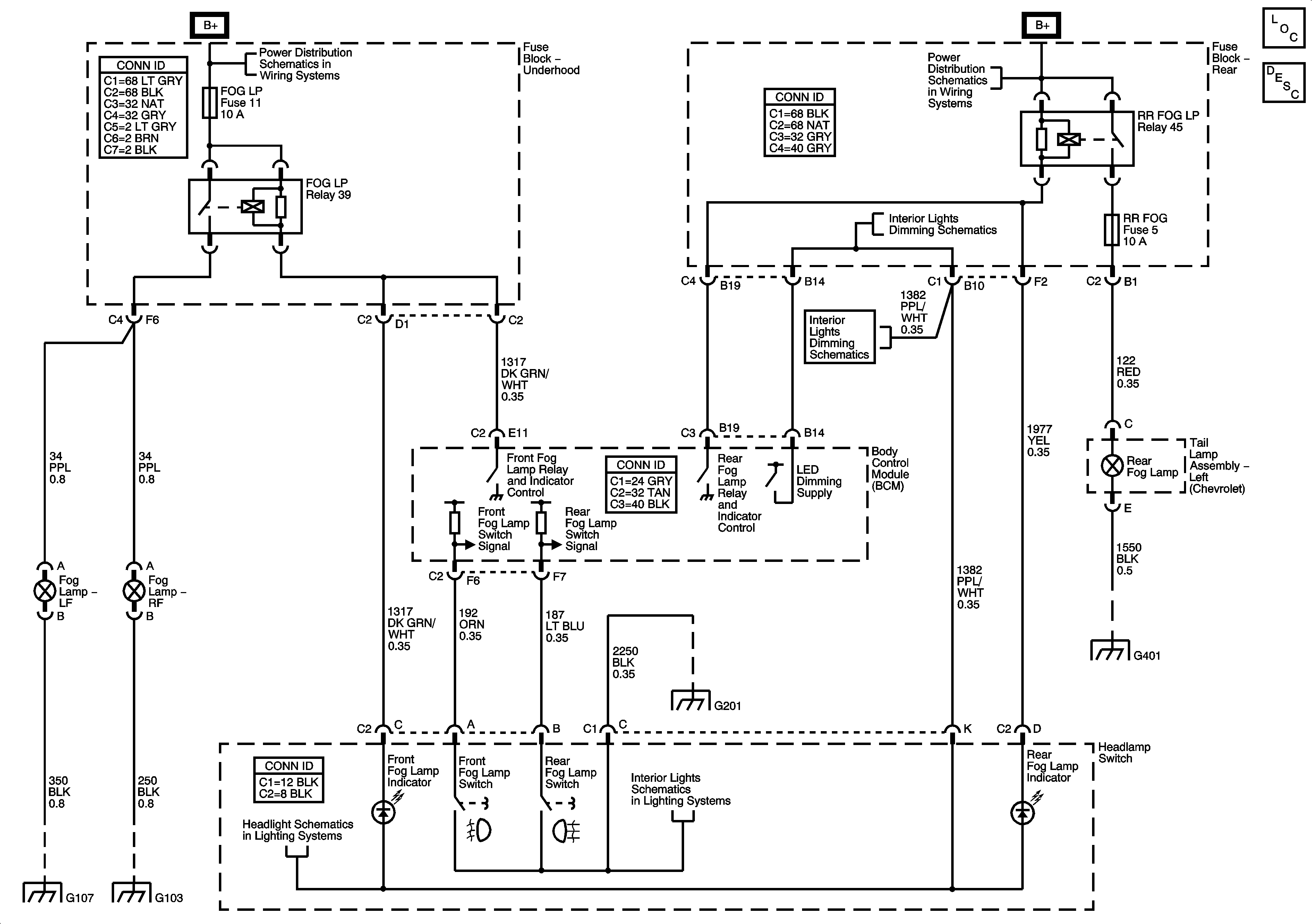
Foglamps
Master Electrical Component List
Exterior Lighting Systems Description and Operation
G401, G402 and G403
Interior Lamps (Short Wheelbase, Body Type VIN 3)
G201 - 1 of 2
Headlamp Switch
G101, G103, G106 and G110
G102, G104, G105 and G107
B+ Bus - Underhood Fuse Block
B+ Bus - Rear Fuse Block
Courtesy Lamp Supply