GM Service Manual Online
For 1990-2009 cars only
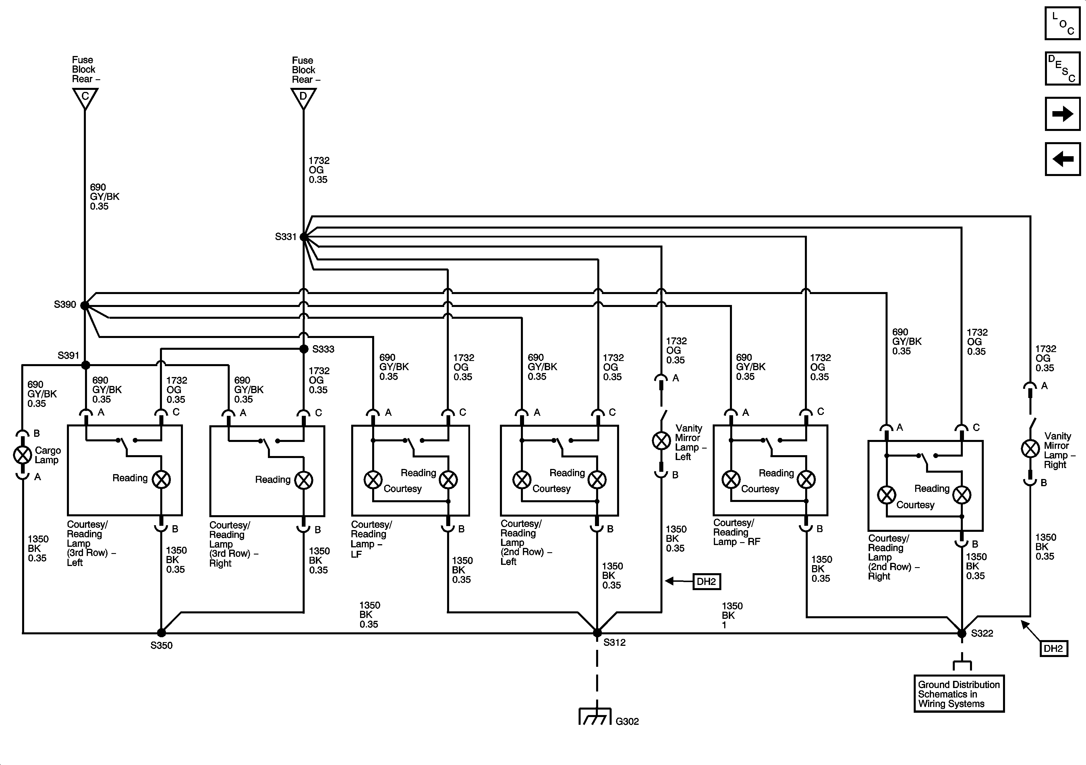
Figure 1:

Interior Lamps Controls


Object Number: 1310035  Size: FS
Master Electrical Component List
Interior Lighting Systems Description and Operation
Interior Lamps - Short Wheelbase (SWB) and XUV
B+ Bus - Rear Fuse Block
Interior Lamps - Short Wheelbase (SWB) and XUV
Interior Lamps - Long Wheelbase (LWB) Except XUV
G201 - 1 of 2
G201 - 1 of 2
G401, G402, and G403 - Except XUV
Figure 2:

Interior Lamps - Short Wheelbase (SWB) and XUV


Object Number: 1310036  Size: FS
Master Electrical Component List
Interior Lighting Systems Description and Operation
Interior Lamps - Long Wheelbase (LWB) Except XUV
Interior Lamps Controls
Interior Lamps Controls
Interior Lamps Controls
G401, G402, and G403 - XUV
G401, G402, and G403 - XUV
G302 - 2 of 2
G302 - 2 of 2
Figure 3:

Interior Lamps - Long Wheelbase (LWB) Except XUV


Object Number: 1310039  Size: FS
Master Electrical Component List
Interior Lighting Systems Description and Operation
Door Switch Inputs
Interior Lamps - Short Wheelbase (SWB) and XUV
Interior Lamps Controls
Interior Lamps Controls
G302 - 2 of 2
G302 - 2 of 2
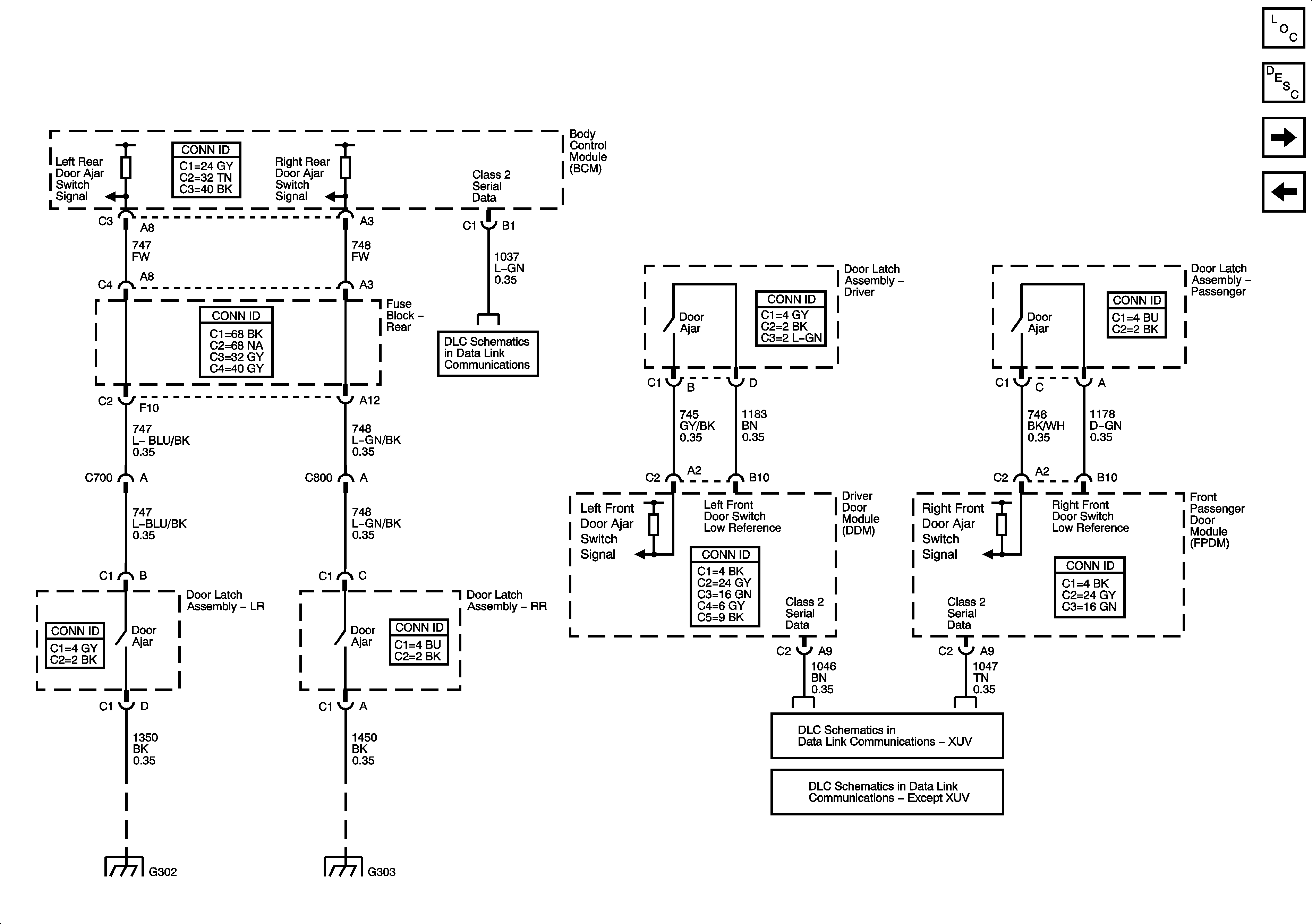
Figure 4:

Door Switch Inputs


Object Number: 1310042  Size: FS
Master Electrical Component List
Interior Lighting Systems Description and Operation
Liftgate Module (Except XUV) and Endgate Module (XUV) Switch Inputs
Interior Lamps - Long Wheelbase (LWB) Except XUV
Power, Ground, Data Link Connector, and SP205
Power, Ground, Data Link Connector, and SP205
SP306 - Except XUV
G302 - 1 of 2, G303, and G304
G302 - 1 of 2, G303, and G304
Figure 5:

Liftgate Module (Except XUV) and Endgate Module (XUV) Switch Inputs


Object Number: 1310046  Size: FS
Master Electrical Component List
Interior Lighting Systems Description and Operation
Door Switch Inputs
04 S/T Utility Theft Deterrent System Schematics
Power, Ground, Data Link Connector, and SP205
SP306 - XUV