GM Service Manual Online
For 1990-2009 cars only
Makes
🢒
Oldsmobile
🢒
2004
🢒
Bravada - 2WD
🢒
Accessories
🢒
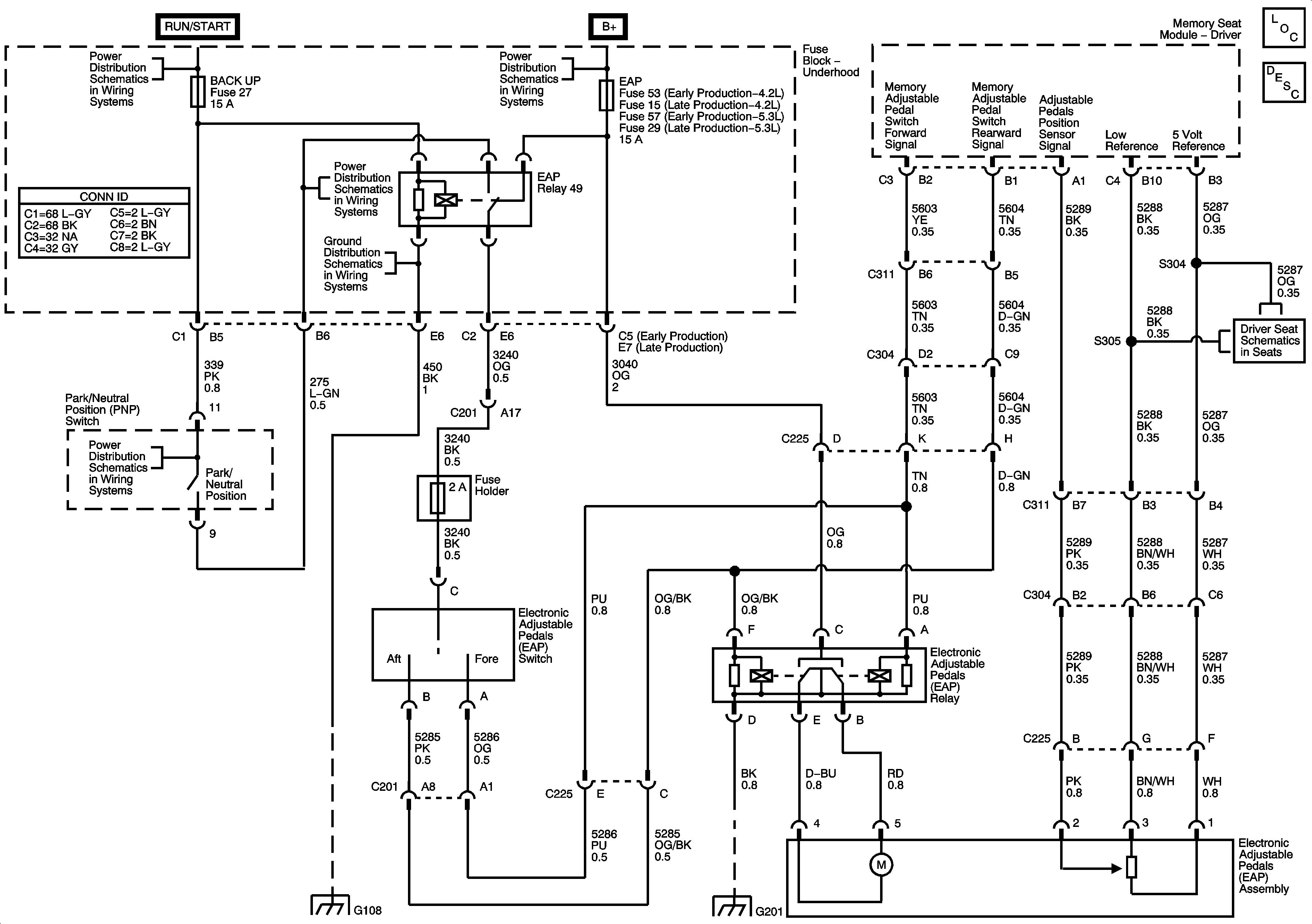
Adjustable Pedals
🢒 Adjustable Pedal Schematics
Master Electrical Component List
Adjustable Pedals Description and Operation
ACCY/RUN and RUN/START Bus Bars
B+ Bus - Underhood Fuse Block
IGN E, TBC IGN 1, BACKUP, BTSI, and TRLR B/U Fuses
G108
Lumbar Controls w/Memory
IGN E, TBC IGN 1, BACKUP, BTSI, and TRLR B/U Fuses
G108
G201 - 2 of 2, and G305