GM Service Manual Online
For 1990-2009 cars only
Makes
🢒
Oldsmobile
🢒
2004
🢒
Bravada - 2WD
🢒 4.2L
4.2L
4.2L
Master Electrical Component List
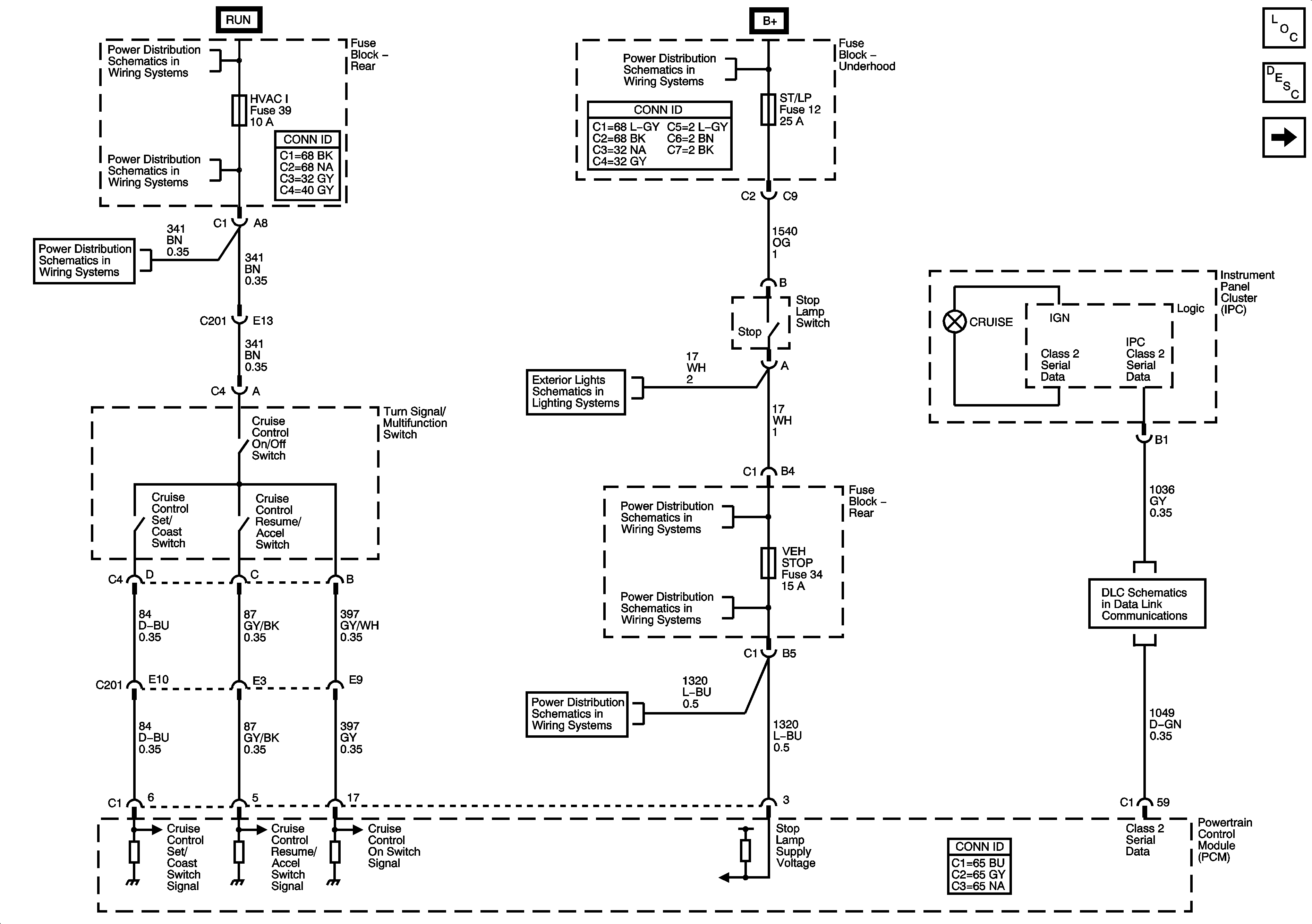
Cruise Control Description and Operation 4.2L
5.3L
ACCY/RUN/START, RUN, and START Bus Bars
B+ Bus - Underhood Fuse Block
HVAC I, BRAKE, and TBC RUN Fuses
HVAC I, BRAKE, and TBC RUN Fuses
Stop Lamps
CIGAR, ABS, ATC, BLOWER, ECAS, IPC/DIC, FLASH, ST/LP, ELEK BRK, and TRAILER Fuses
CIGAR, ABS, ATC, BLOWER, ECAS, IPC/DIC, FLASH, ST/LP, ELEK BRK, and TRAILER Fuses
Power, Ground, Data Link Connector, and SP205
CIGAR, ABS, ATC, BLOWER, ECAS, IPC/DIC, FLASH, ST/LP, ELEK BRK, and TRAILER Fuses