GM Service Manual Online
For 1990-2009 cars only
Makes
🢒
Oldsmobile
🢒
2004
🢒
Bravada - 2WD
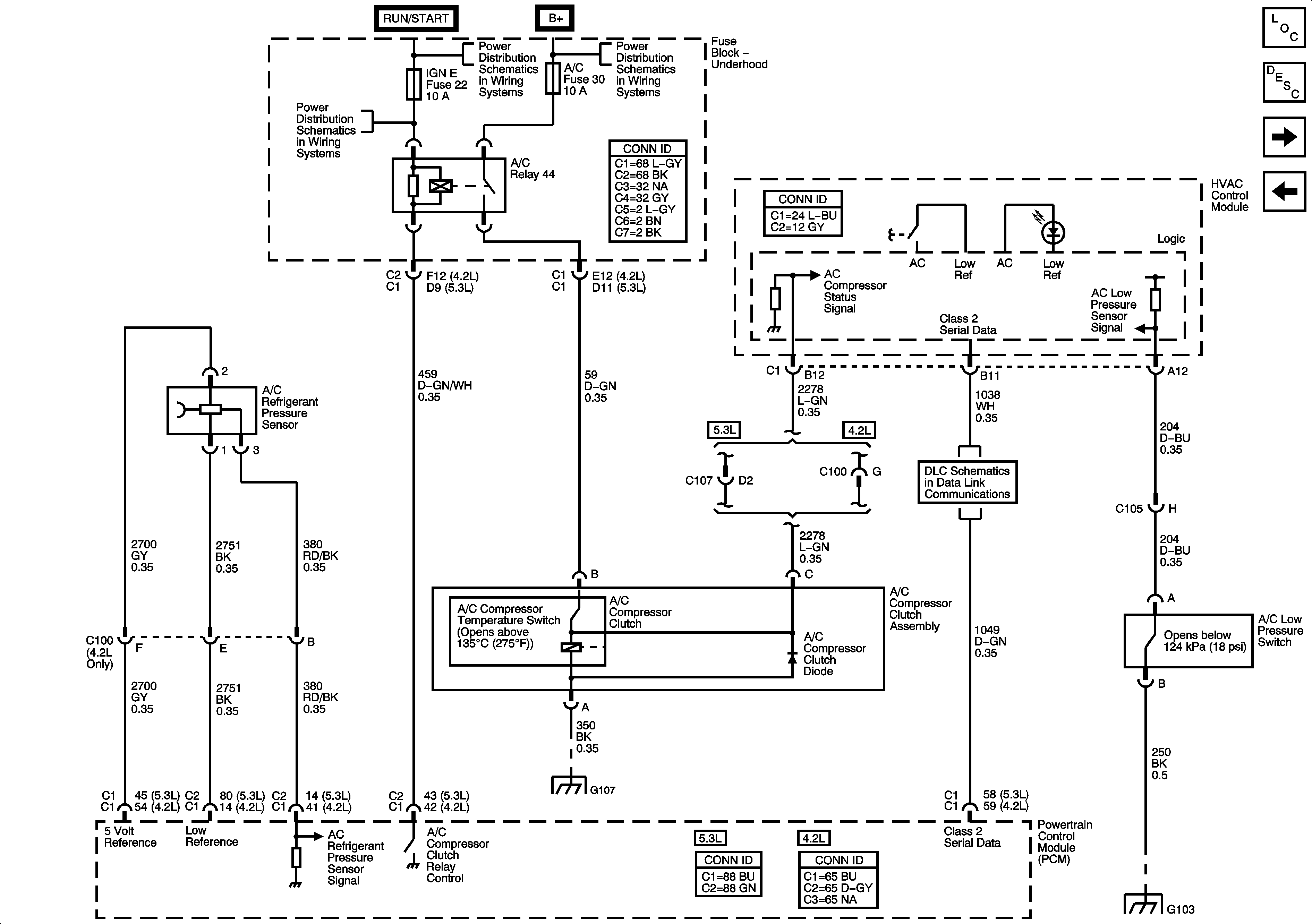
🢒 Compressor Controls
Compressor Controls
Compressor Controls
Master Electrical Component List
Air Delivery Description and Operation
Air Delivery/Temperature Actuators
Module Power, Ground, Serial Data, Blower Motor, and Coolant Bypass Valve
ACCY/RUN and RUN/START Bus Bars
B+ Bus - Underhood Fuse Block
IGN E, TBC IGN 1, BACKUP, BTSI, and TRLR B/U Fuses
Power, Ground, Data Link Connector, and SP205
G104, G105, and G107
G101, G103, G106, and G110