GM Service Manual Online
For 1990-2009 cars only
Makes
🢒
Oldsmobile
🢒
2004
🢒
Bravada - 2WD
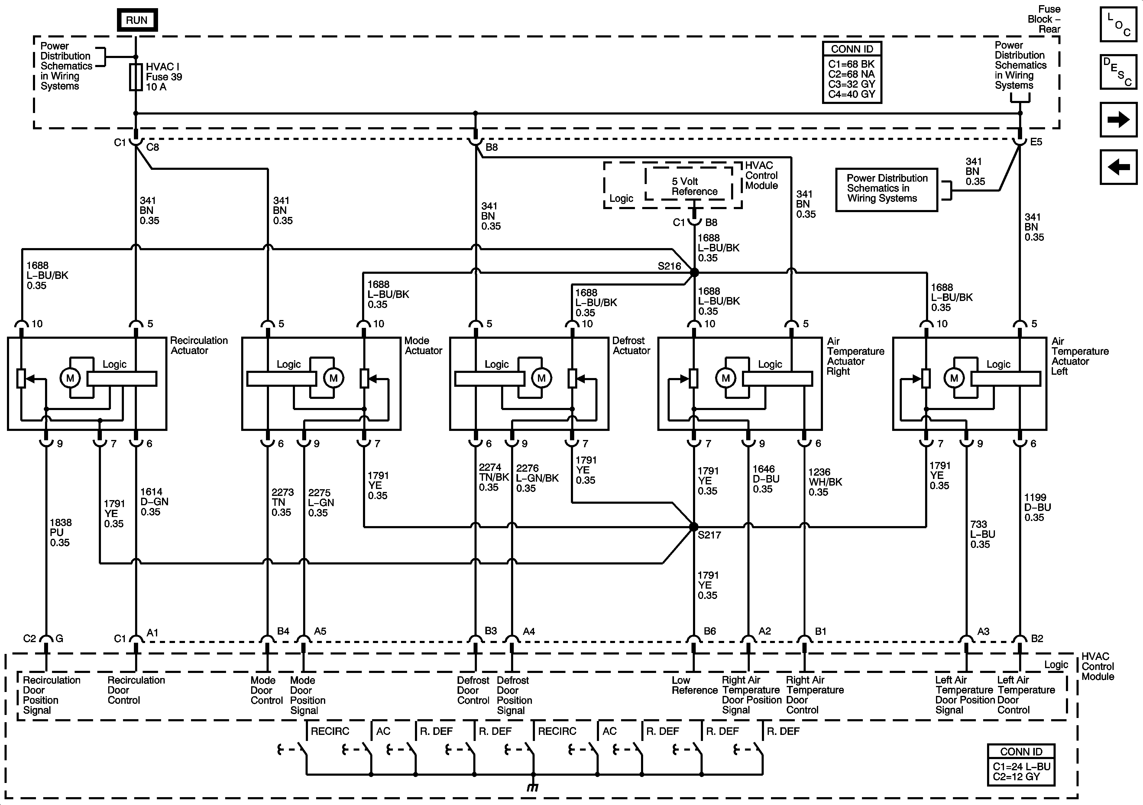
🢒 Air Delivery/Temperature Actuators
Air Delivery/Temperature Actuators
Air Delivery/Temperature Actuators
Master Electrical Component List
Air Temperature Description and Operation
Air Temperature Sensors
Compressor Controls
ACCY/RUN/START, RUN, and START Bus Bars
HVAC I, BRAKE, and TBC RUN Fuses
HVAC I, BRAKE, and TBC RUN Fuses