GM Service Manual Online
For 1990-2009 cars only
Makes
🢒
Oldsmobile
🢒
2004
🢒
Bravada - 2WD
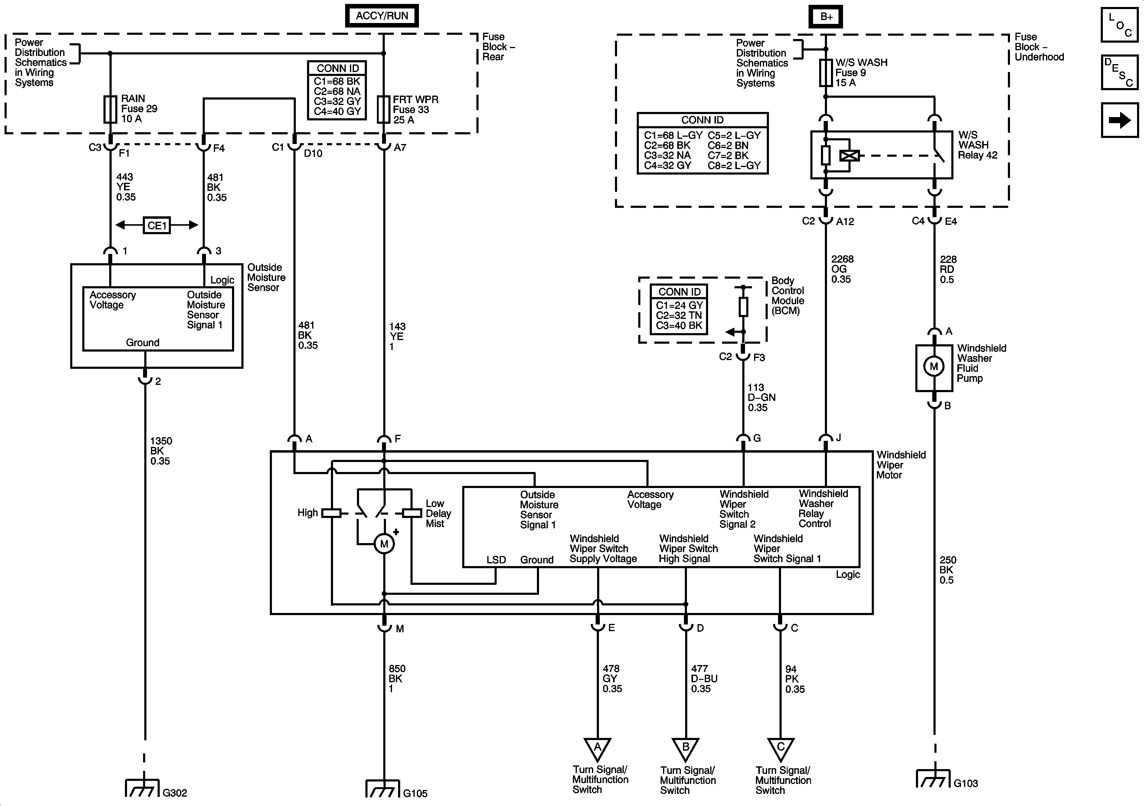
🢒 Outside Moisture Sensor and Front Wiper/Washer Motor
Outside Moisture Sensor and Front Wiper/Washer Motor
Outside Moisture Sensor and Front Wiper/Washer Motor
Master Electrical Component List
Wiper/Washer System Description and Operation
Wiper/Washer Switch and Washer Fluid Level Switch
ACCY/RUN and RUN/START Bus Bars
B+ Bus - Underhood Fuse Block
G302 - 2 of 2
G104, G105, and G107
Wiper/Washer Switch and Washer Fluid Level Switch
G101, G103, G106, and G110