GM Service Manual Online
For 1990-2009 cars only
Makes
🢒
Oldsmobile
🢒
2004
🢒
Bravada - 2WD
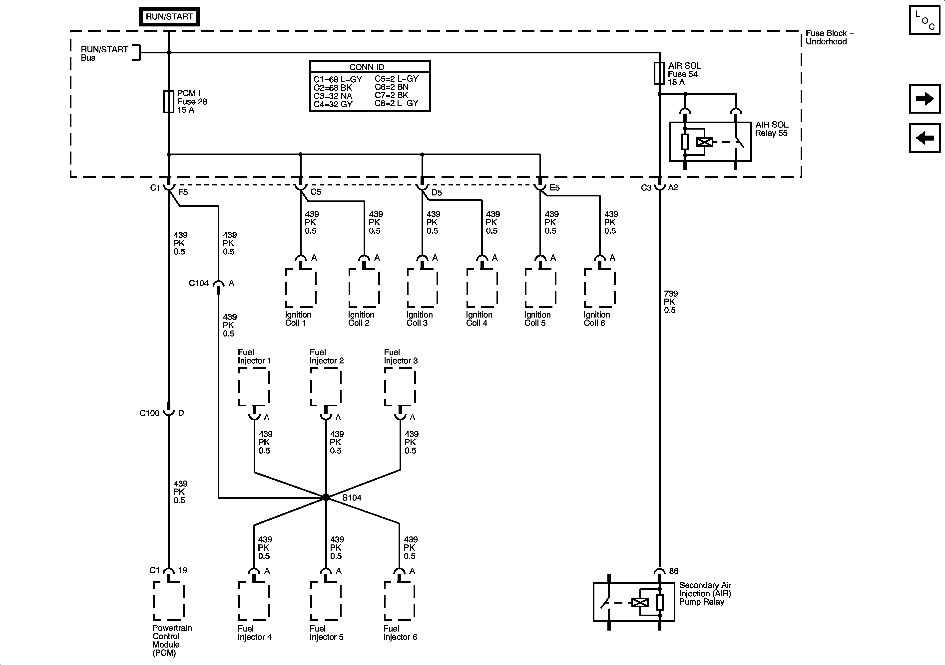
🢒 PCM I and AIR SOL Fuses - 4.2L
PCM I and AIR SOL Fuses - 4.2L
PCM I and AIR SOL Fuses - 4.2L
Master Electrical Component List
PCM I, O2A, O2B, and ENG I Fuses - 5.3L
IGN E, TBC IGN 1, BACKUP, BTSI, and TRLR B/U Fuses