GM Service Manual Online
For 1990-2009 cars only
Makes
🢒
Oldsmobile
🢒
2004
🢒
Bravada - 2WD
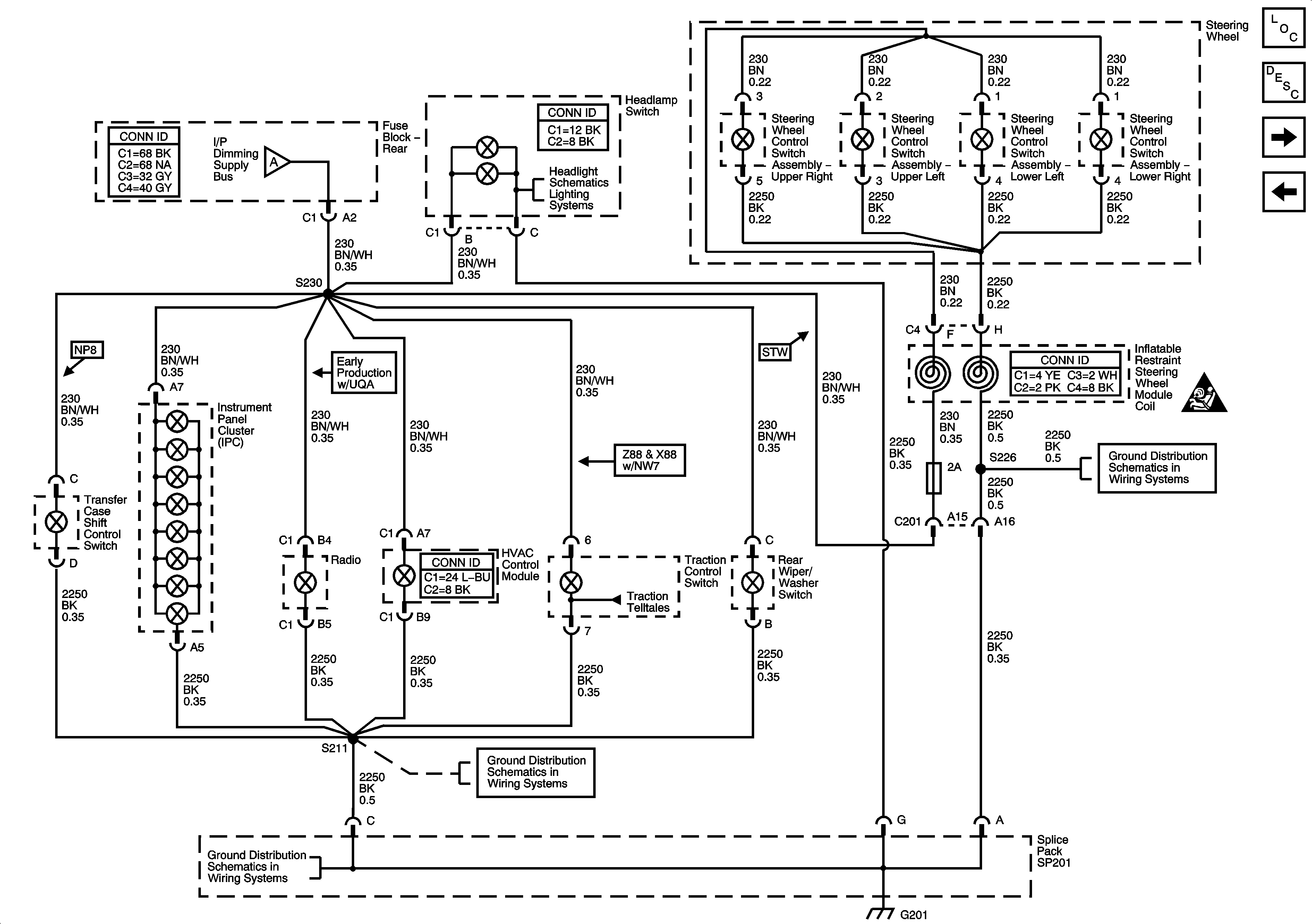
🢒 I/P Dimming Supply - 2 of 2
I/P Dimming Supply - 2 of 2
I/P Dimming Supply - 2 of 2
Master Electrical Component List
Interior Lighting Systems Description and Operation
Courtesy Lamp Supply - 1 of 2
I/P Dimming Supply - 1 of 2
I/P Dimming Supply - 1 of 2
SIR Caution for Zoning
G201 - 1 of 2
Traction Control (NW7) and Wheel Speed Sensors - Except Buick/Oldsmobile
G201 - 2 of 2, and G305
Headlamp Switch
G201 - 1 of 2
G201 - 1 of 2