GM Service Manual Online
For 1990-2009 cars only
Makes
🢒
Oldsmobile
🢒
2004
🢒
Bravada - 2WD
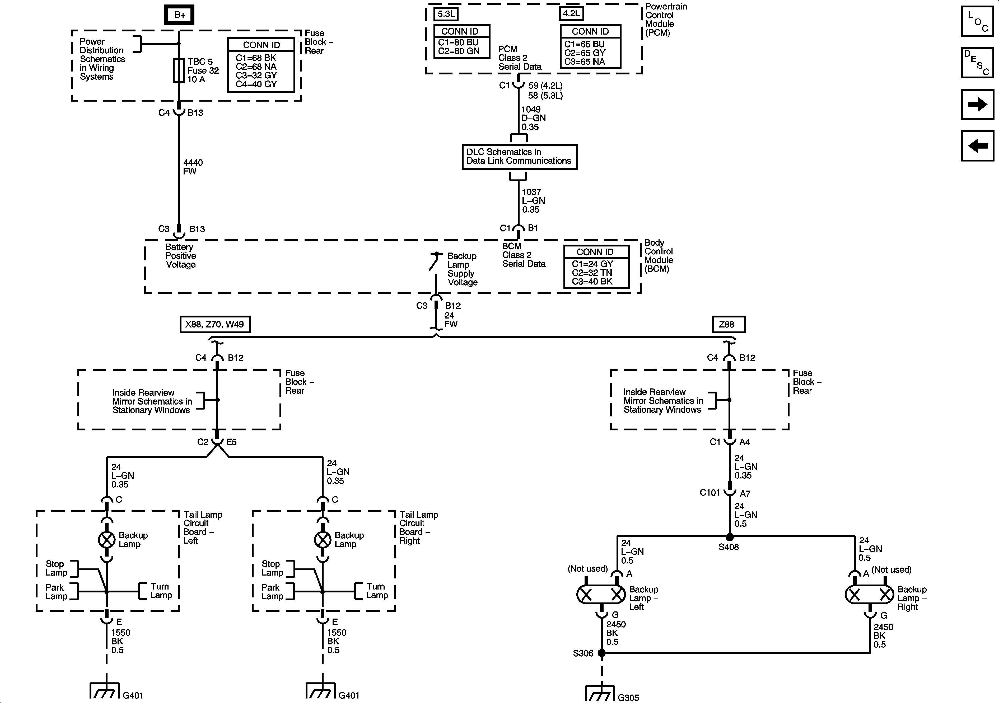
🢒 Backup Lamps
Backup Lamps
Backup Lamps
Master Electrical Component List
Exterior Lighting Systems Description and Operation
Trailer Wiring
Right Turn Signals
B+ Bus - Rear Fuse Block
Power, Ground, Data Link Connector, and SP205
04 S/T Utility Inside Rearview Mirror Schematics
04 S/T Utility Inside Rearview Mirror Schematics
Stop Lamps
Clearance, License, and Rear Park Lamps
Left Turn Signals
Stop Lamps
Clearance, License, and Rear Park Lamps
Right Turn Signals
G401, G402, and G403 - Except XUV
G401, G402, and G403 - Except XUV
G201 - 2 of 2, and G305