GM Service Manual Online
For 1990-2009 cars only

CAMPAIGN: INOP. ENG. COOL FAN A/C SYS/FAULTY C/F RELAYS

Models/Years 1982-83 Cutlass Ciera & Omega Models W/2.5L Engines (LR8) & Air Conditioning

Condition

Some late 1982 and all 1983 Cutlass Ciera and Omega models equipped with 2.5 liter engines and air conditioners were assembled with engine cooling fan relay which could cause the engine cooling fan and air conditioning system to be inoperative.

Vehicles Involved

All 1982 and 1983 Cutlass Ciera and Omega models equipped with 2.5 liter engines and air conditioners and built within the following VIN breakpoints:

Year Models Assembly Plant Beginning VIN Ending VIN ---- ------ -------------- -------------- ----------

1982 Ciera Doraville CD355286 End of Production 1982 Omega Willow Run CW345236 End of Production 1983 Ciera Doraville DD300001 End of Production 1983 Ciera Framingham DG300001 End of Production 1983 Omega Willow Run DW300001 End of Production

DEALER ACTION

To prevent the possibility of this occurring, dealers are to replace the cooling fan relays on all involved vehicles.

Dealers are to service all vehicles subject to this campaign at no charge to owners, regardless of mileage, age of vehicle or ownership, from this time forward.

Whenever a vehicle subject to this campaign is taken into your new or used vehicle inventory, or it is in your dealership for service in the future you should take the steps necessary to be sure the campaign correction has been made before reselling or releasing the vehicle.

Owners of vehicles recently sold from your new vehicle inventory are to be contacted by the dealer, and arrangements made to make the required modification according to instructions contained in this bulletin.

SERVICE PROCEDURE

Part I - Replacement of Cooling Fan Relay

REMOVAL

1. Disconnect negative battery cable.

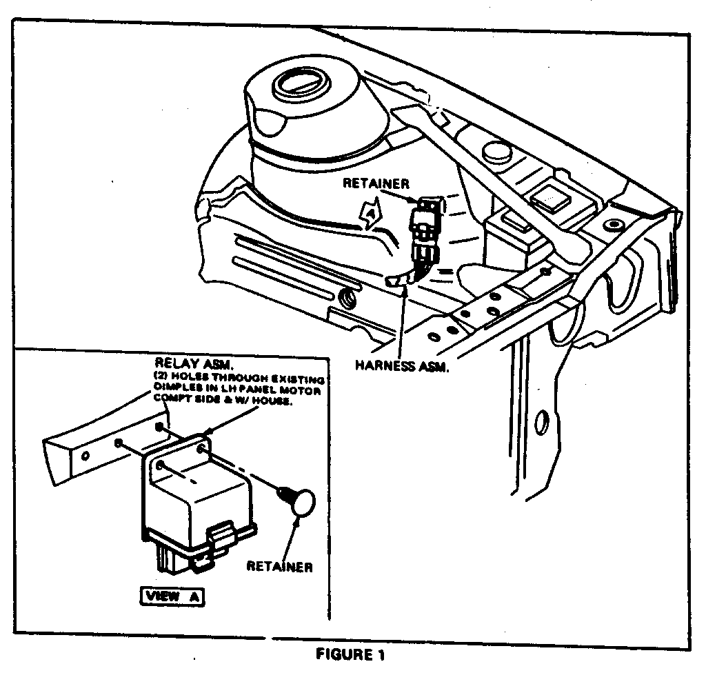
2. Unplug connector from cooling fan relay (see Figure 1).

3. Remove two cooling fan relay retainers (save retainers) and remove relay.

INSTALLATION

Refer to Parts Information Section of this bulletin to obtain new relay, part number 10033118.

1. Change wire location in connector as shown in Figure 2.

2. Be sure to insert plastic plug into cavity "D" as shown in Figure 2. (A package of plastic plugs has been included with this bulletin in the event they are needed.)

3. Install new relay using the two retainers removed from the old relay.

4. Snap connector into relay. Be sure connector seats properly.

5. Reconnect negative battery cable.

Part II - Cooling Fan Operation Should be Checked After Installation of the New Relay Using the Following Procedure:

1. Engine should be cool enough that engine cooling fan is not running. (Engine cooling fan will operate if the engine temperature switch senses coolant at or above 230 DEG F. (110 DEG C.).

2. Turn ignition switch to "ON" position only. DO NOT START ENGINE.

3. Operate the air control (upper) lever of the A/C control. Engine cooling fan should be operating when lever is in the A/C position of MAX, NORM, or BI-LEVEL. (The engine cooling fan will also operate in the defrost position on 1982-83 Cutlass Ciera and Omega models that include relay part number 14047112, added for engine cooling fan operation, in July 1983 Service Guild, Page 77 and October 1983, Page 6.)

4. If engine cooling fan does not operate as outlined in Step 3 above, re-check for proper installation of cooling fan relay wiring outlined in Part I - Replacement of Cooling Fan Relay procedure.

5. If relay wiring is correct and engine cooling fan still does not operate, review the normal diagnostic procedures for cooling fan operation in appropriate service manual.

Part III - Installation of Campaign Identification Label

Each vehicle modified in accordance with the instructions outlined in this service procedure will require a campaign identification label. Each label provides a space to include the campaign number, the five digit dealer code of the dealer performing the campaign service, and the date vehicle was campaigned. This information may be inserted with a typewriter or ballpoint pen. Install the label on the radiator baffle where it is readily visible.

PARTS INFORMATION

The relay required to complete this campaign is to be ordered from WDDGM.

To ensure this part will be obtained as soon as possible, it should be ordered from WDDGM ON A C.I.O ORDER WITH NO special instruction code, but order on an advise code (2).

Description Model Year Part Number ----------- ----------- -----------

Relay Asm. Package 1982 and 1983 10033118

WARRANTY CLAIM INFORMATION

Failure Labor Labor Description Code Operation Hours ----------- ---- --------- -----

Replace Relay and Wire Relocation 96 V2030 .3

Parts will be credited at dealer cost plus 30%.

.1 hour for clerical administration may be added to the above operation numbers.


Object Number: 86210  Size: FS


Object Number: 87331  Size: FS

General Motors bulletins are intended for use by professional technicians, not a "do-it-yourselfer". They are written to inform those technicians of conditions that may occur on some vehicles, or to provide information that could assist in the proper service of a vehicle. Properly trained technicians have the equipment, tools, safety instructions and know-how to do a job properly and safely. If a condition is described, do not assume that the bulletin applies to your vehicle, or that your vehicle will have that condition. See a General Motors dealer servicing your brand of General Motors vehicle for information on whether your vehicle may benefit from the information.