GM Service Manual Online
For 1990-2009 cars only

SERVICE MANUAL UPDATE-8A-110 EXT. LIGHTS-8A-130 DOOR LOCKS

MODELS/YEARS 1989-90 CUTLASS SUPREME MODELS (8A-110) 1990 CUTLASS SUPREME MODELS (8A-130)

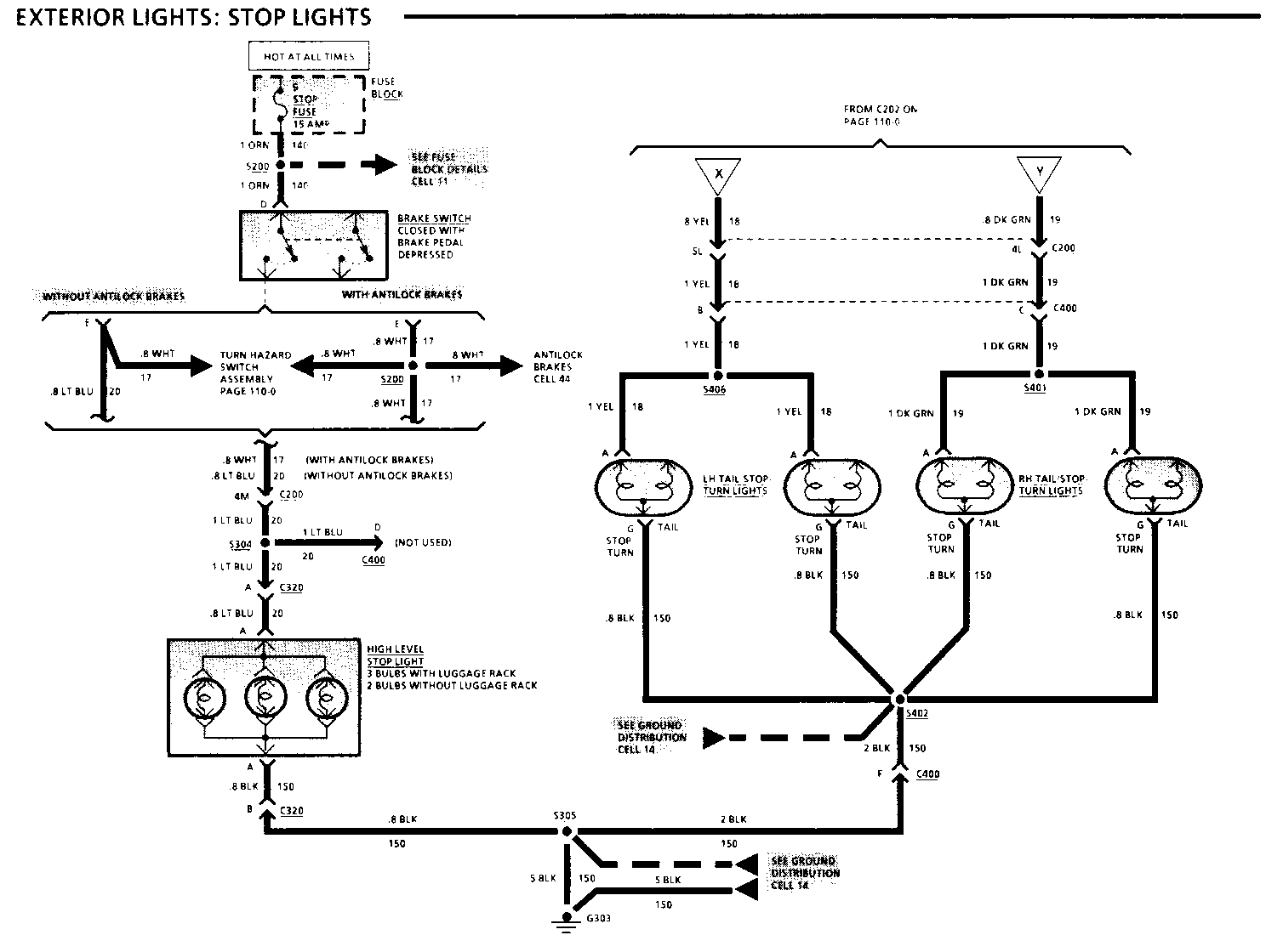
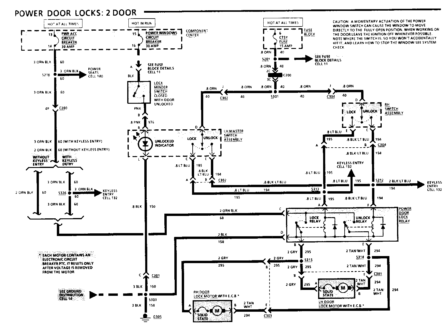
Schematic information given in Sections 8A-110 and 8A-130 of the Oldsmobile Cutlass Supreme Service Manuals has been revised. Please mark a reference to this bulletin in your copy of the 1989 and 1990 Oldsmobile Cutlass Supreme Service Manuals at pages 8A-110-0 and 8A-110-3 and in your 1990 Oldsmobile Cutlass Supreme Service Manual pages 8A-130-0 and 8A-130-1. Schematic revisions are on the following pages.


Object Number: 74863  Size: FS


Object Number: 75023  Size: FS


Object Number: 74862  Size: FS


Object Number: 75161  Size: FS

General Motors bulletins are intended for use by professional technicians, not a "do-it-yourselfer". They are written to inform those technicians of conditions that may occur on some vehicles, or to provide information that could assist in the proper service of a vehicle. Properly trained technicians have the equipment, tools, safety instructions and know-how to do a job properly and safely. If a condition is described, do not assume that the bulletin applies to your vehicle, or that your vehicle will have that condition. See a General Motors dealer servicing your brand of General Motors vehicle for information on whether your vehicle may benefit from the information.