GM Service Manual Online
For 1990-2009 cars only

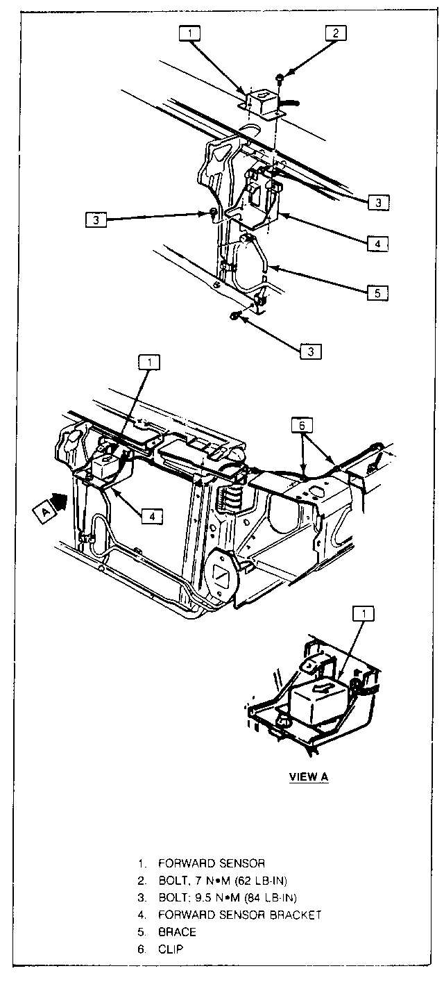
SERVICE MANUAL UPDATE SEC.9-SIR SENSOR MOUNTING

VEHICLES AFFECTED: 1990 'C' AND 'H' CAR

The following reflects product change:

9J-35 INFLATABLE RESTRAINT SYSTEM

Figure 9 - Forward Sensor Mounting - Revised Wire routing to Forward Sensor in SIR system. No change in R&I procedure.

Please update your respective Service Manuals accordingly.


Object Number: 90460  Size: FS

General Motors bulletins are intended for use by professional technicians, not a "do-it-yourselfer". They are written to inform those technicians of conditions that may occur on some vehicles, or to provide information that could assist in the proper service of a vehicle. Properly trained technicians have the equipment, tools, safety instructions and know-how to do a job properly and safely. If a condition is described, do not assume that the bulletin applies to your vehicle, or that your vehicle will have that condition. See a General Motors dealer servicing your brand of General Motors vehicle for information on whether your vehicle may benefit from the information.