GM Service Manual Online
For 1990-2009 cars only
Makes
🢒
Oldsmobile
🢒
1996
🢒
Eighty Eight
🢒
Engine
🢒
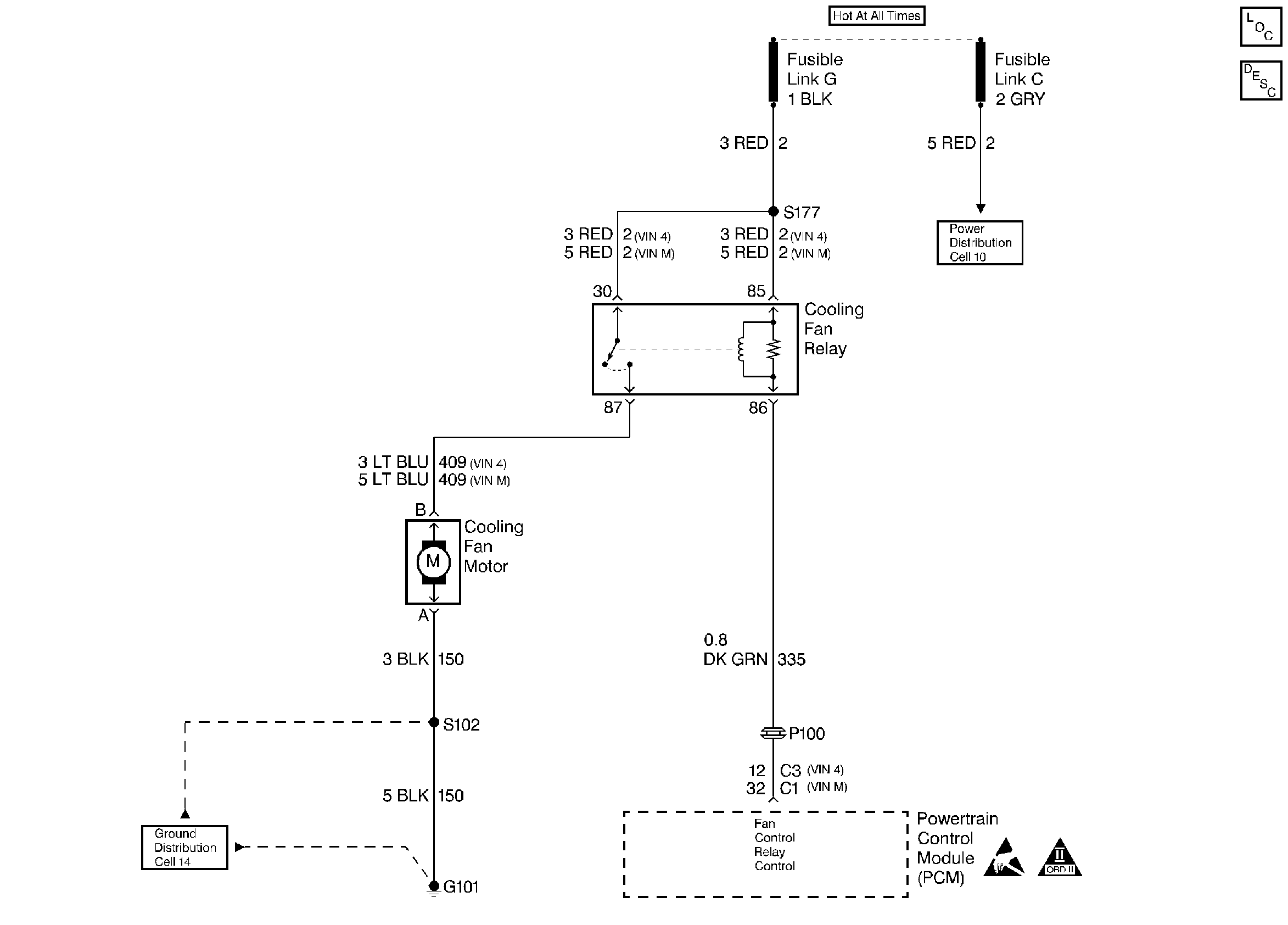
Engine Cooling
🢒 Coolant Fans Schematics
Cooling System Components
OBD II Symbol Description Notice
Handling ESD Sensitive Parts Notice