GM Service Manual Online
For 1990-2009 cars only
Makes
🢒
Oldsmobile
🢒
1996
🢒
Eighty Eight
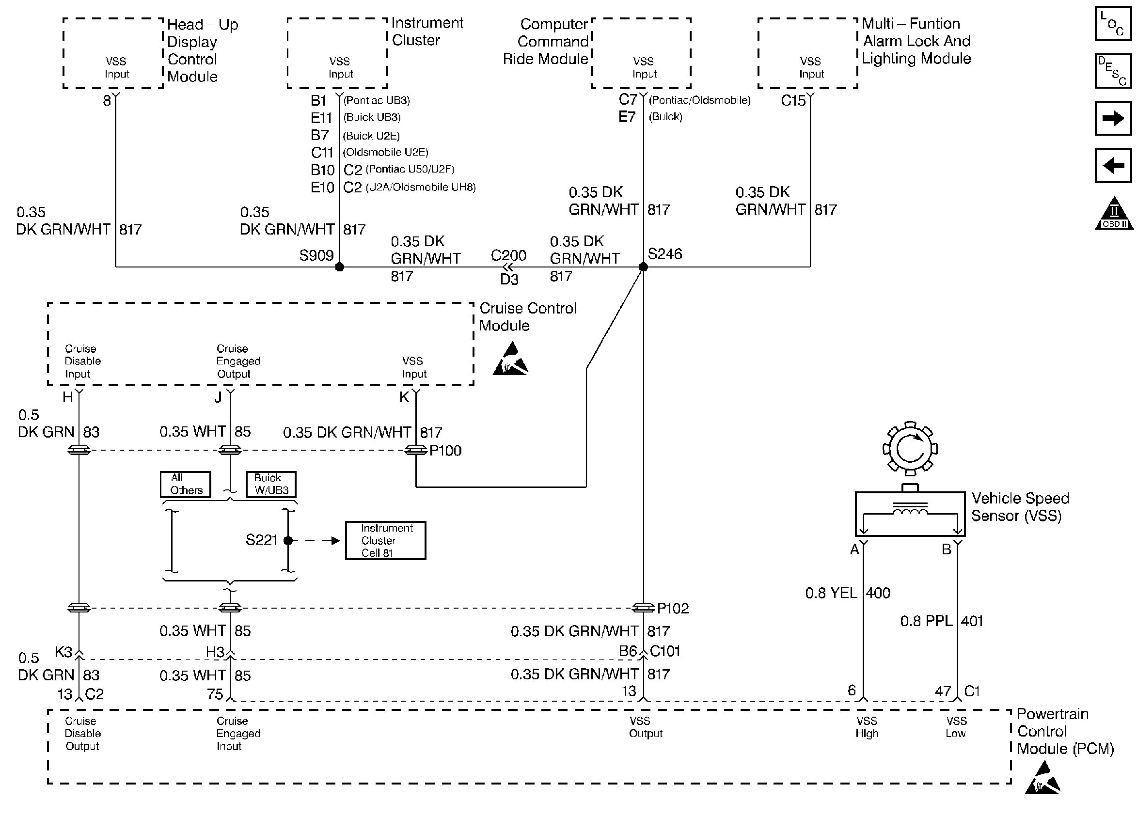
🢒 VSS, Cruise Control Module
VSS, Cruise Control Module
VSS, Cruise Control Module
Trans Range, PNP Switch
Engine Controls Components
DTC P1554 Cruise Control Feedback Circuit
OBD II Symbol Description Notice
HO2S Sensors
Handling ESD Sensitive Parts Notice
Handling ESD Sensitive Parts Notice