GM Service Manual Online
For 1990-2009 cars only
Makes
🢒
Oldsmobile
🢒
1997
🢒
Eighty Eight
🢒
Transmission/Transaxle
🢒
Automatic Transaxle - 4T60-E
🢒 Automatic Transmission Controls Schematics
Figure
1:
PCM Power and VSS
Automatic Transmission Components
Electronic Component Description
Brake Switch, Solenoids, and TFT Sensor
OBD II Symbol Description Notice
Handling ESD Sensitive Parts Notice
Automatic Transmission Schematic References
Automatic Transmission Schematic References
Automatic Transmission Schematic References
Automatic Transmission Schematic References
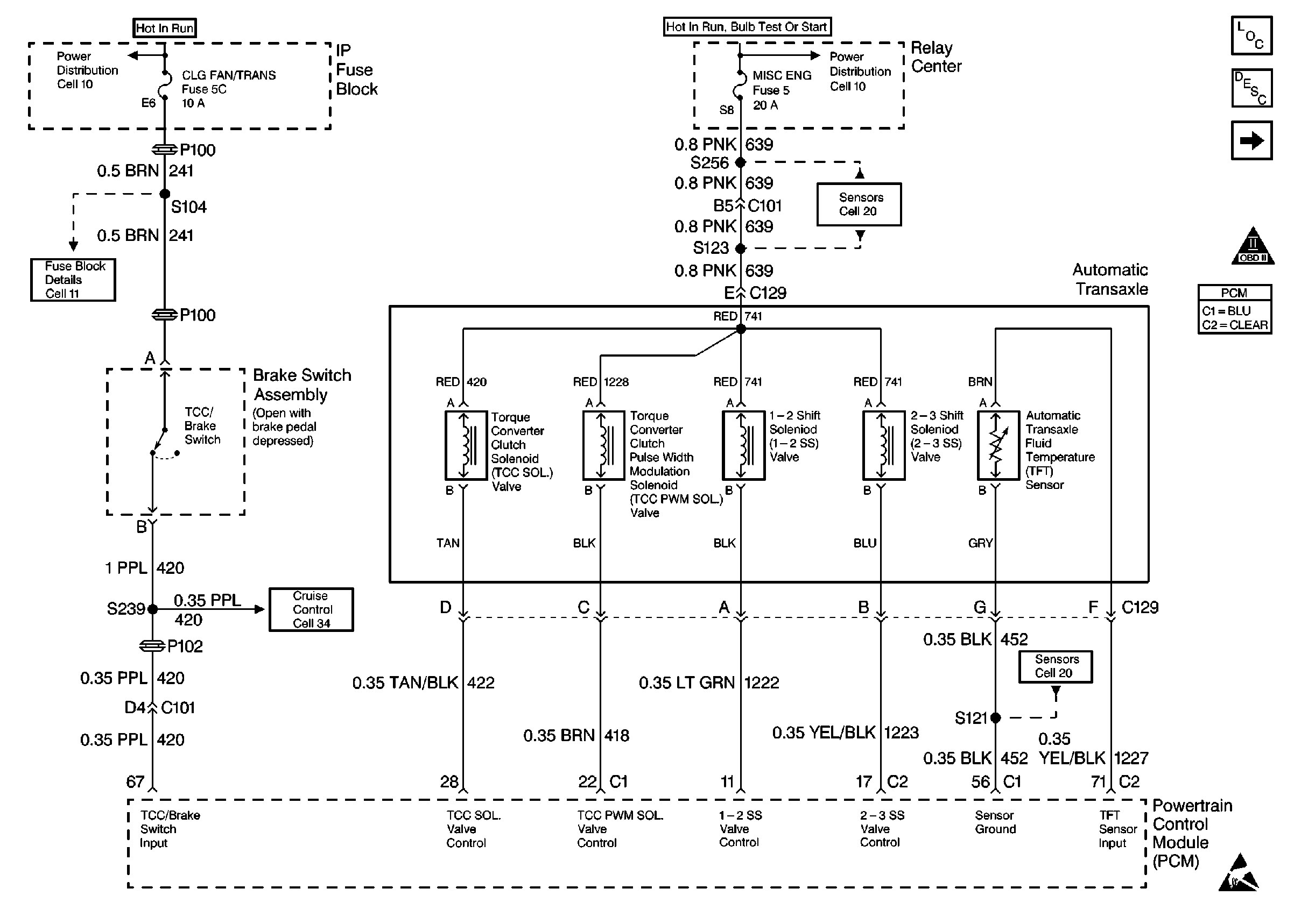
Figure
2:
Brake Switch, Solenoids, and TFT Sensor
Automatic Transmission Components
Electronic Component Description
Brake Switch, TCC PWM, 1-2 Shift, 2-3 Shift, and PC Solenoids - VIN 1
PCM Power and VSS
OBD II Symbol Description Notice
Handling ESD Sensitive Parts Notice
Automatic Transmission Schematic References
Automatic Transmission Schematic References
Automatic Transmission Schematic References
Automatic Transmission Schematic References
Automatic Transmission Schematic References
Automatic Transmission Schematic References