GM Service Manual Online
For 1990-2009 cars only
Makes
🢒
Oldsmobile
🢒
1997
🢒
Eighty Eight
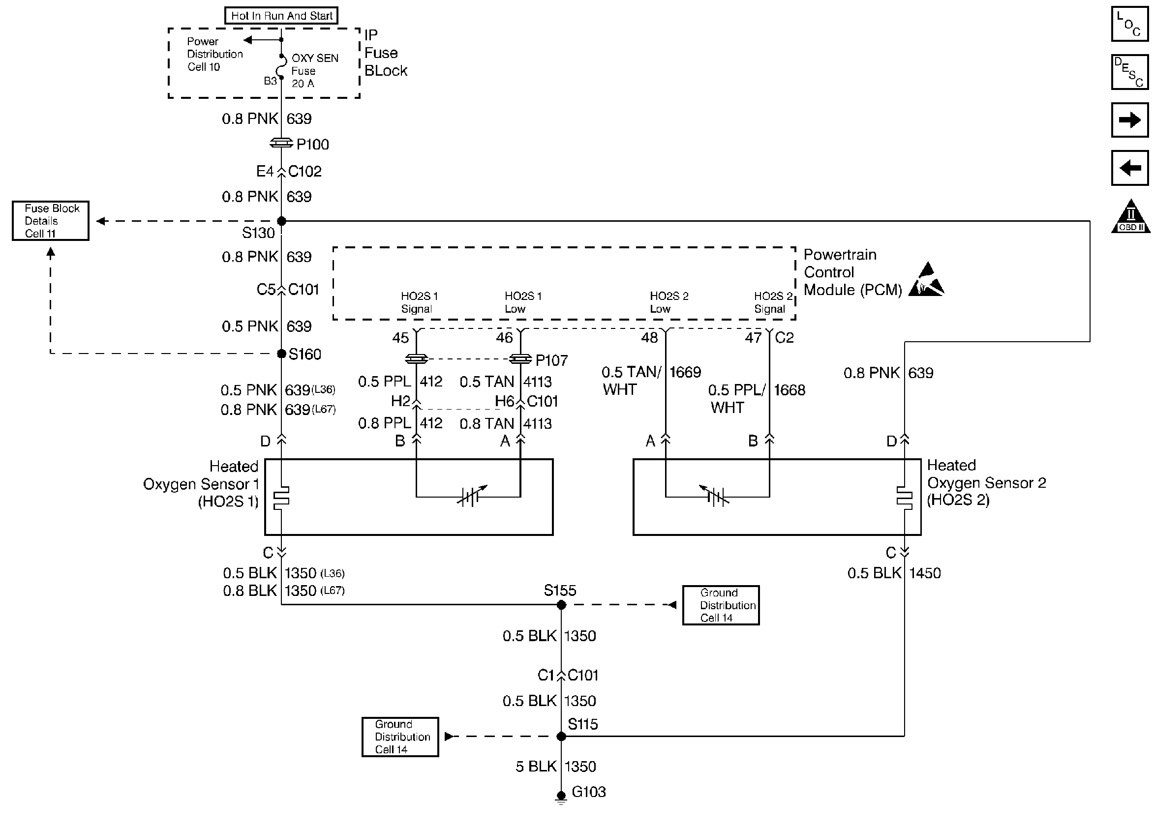
🢒 HO2S Sensors
HO2S Sensors
HO2S Sensors
Engine Controls Components
Information Sensors
TCC Control, Brake Switch
Fuel Injector Control
OBD II Symbol Description Notice
Handling ESD Sensitive Parts Notice