GM Service Manual Online
For 1990-2009 cars only
Makes
🢒
Oldsmobile
🢒
1997
🢒
Eighty Eight
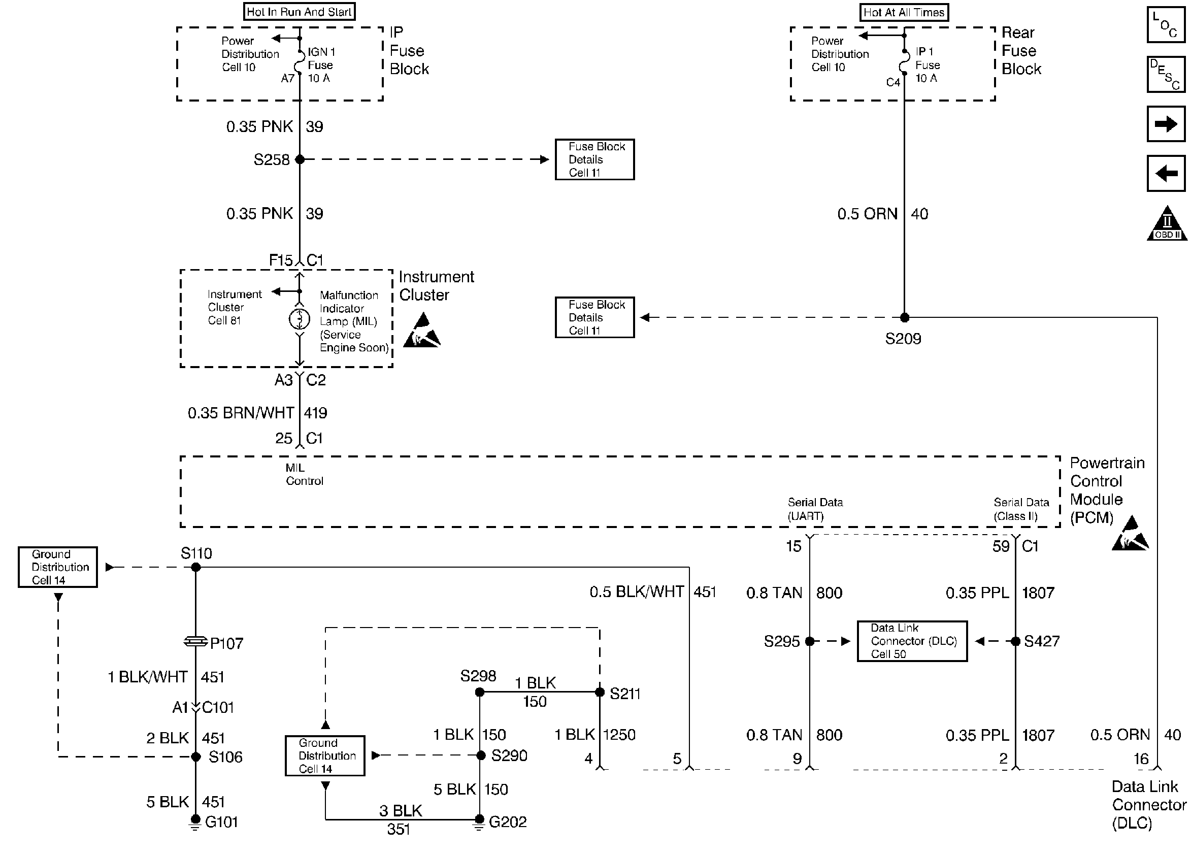
🢒 Mil Control, Data Link Connector
Mil Control, Data Link Connector
Mil Control, Data Link Connector
Engine Controls Components
Data Link Connector Diagnosis
Cooling Fans
Trans Range, Engine Oil Level Sensor
OBD II Symbol Description Notice
Handling ESD Sensitive Parts Notice
Handling ESD Sensitive Parts Notice