GM Service Manual Online
For 1990-2009 cars only
Makes
🢒
Oldsmobile
🢒
1999
🢒
Eighty Eight
🢒
Transmission/Transaxle
🢒
Automatic Transaxle - 4T65-E
🢒 Automatic Transmission Controls Schematics
Figure
1:
Cell 39: PCM Power and Grounds and VSS
Automatic Transmission Electronic Component Views
Transmission Component and System Description
Cell 39: Transaxle Solenoids
OBD II Symbol Description Notice
Handling ESD Sensitive Parts Notice
Power Distribution Schematics
Power Distribution Schematics
Power Distribution Schematics
Power Distribution Schematics
Ground Distribution Schematics
Powertrain Control Module Connector End Views
Figure
2:
Cell 39: Transaxle Solenoids
Automatic Transmission Electronic Component Views
Transmission Component and System Description
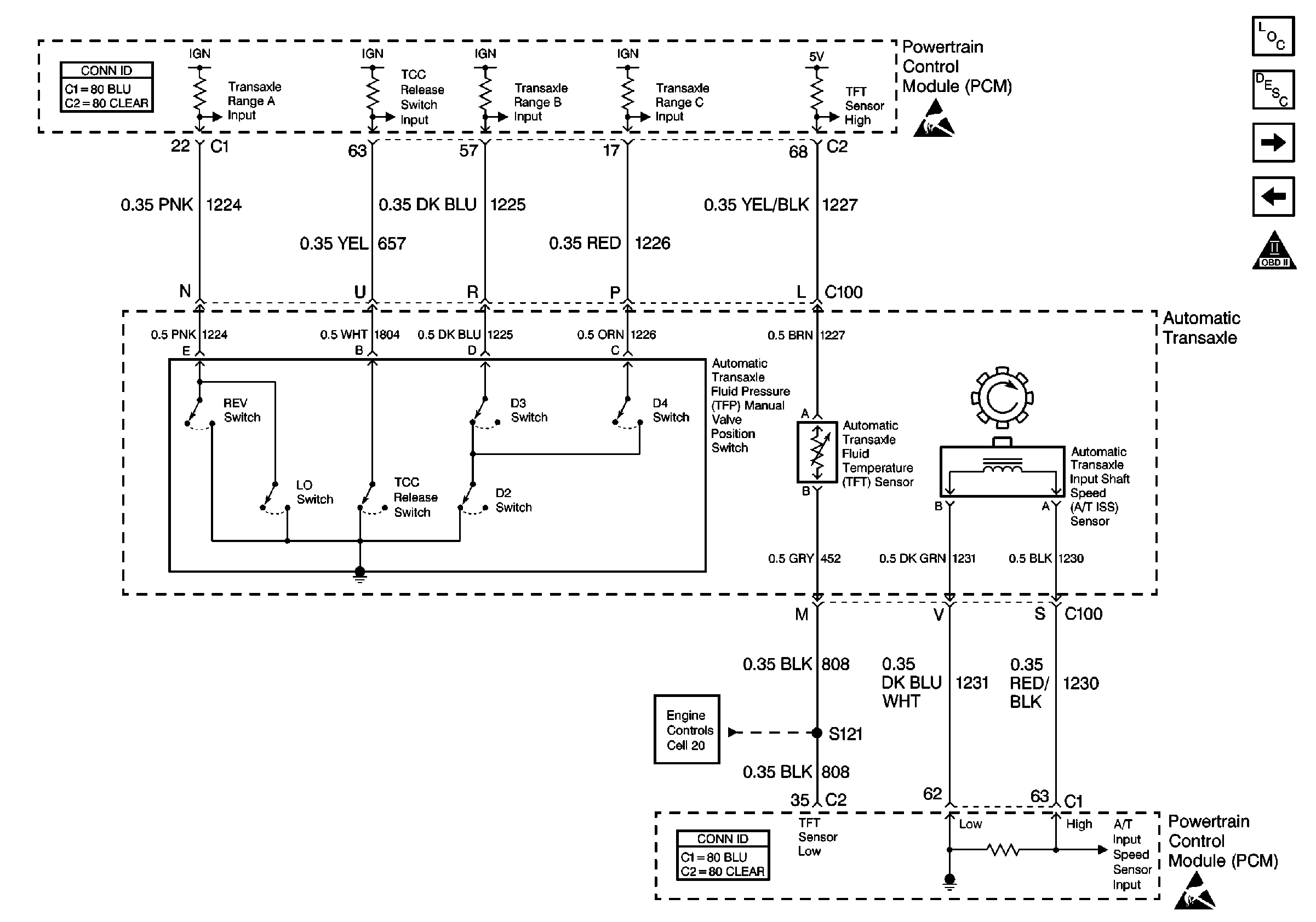
Cell 39: Transaxle TR Switch and Sensors
Cell 39: PCM Power and Grounds and VSS
OBD II Symbol Description Notice
Handling ESD Sensitive Parts Notice
Power Distribution Schematics
Powertrain Control Module Connector End Views
Power Distribution Schematics
Power Distribution Schematics
Cruise Control Schematics
Figure
3:
Cell 39: Transaxle TR Switch and Sensors
Automatic Transmission Electronic Component Views
Transmission Component and System Description
Cell 39: Shift Select Switch (Pontiac)
Cell 39: Transaxle Solenoids
OBD II Symbol Description Notice
Handling ESD Sensitive Parts Notice
Handling ESD Sensitive Parts Notice
Engine Controls Schematics
Powertrain Control Module Connector End Views
Figure
4:
Cell 39: Shift Select Switch (Pontiac)
Automatic Transmission Electronic Component Views
Transmission Component and System Description
Cell 39: Transaxle TR Switch and Sensors
OBD II Symbol Description Notice
Handling ESD Sensitive Parts Notice
Power Distribution Schematics
Interior Lights Schematics Pontiac
Interior Lights Schematics Buick
Interior Lights Schematics Oldsmobile
Power Distribution Schematics
Ground Distribution Schematics
Cell 39: Transaxle TR Switch and Sensors
Ground Distribution Schematics
Cell 39: Transaxle TR Switch and Sensors
Powertrain Control Module Connector End Views