GM Service Manual Online
For 1990-2009 cars only
Makes
🢒
Oldsmobile
🢒
1999
🢒
Eighty Eight
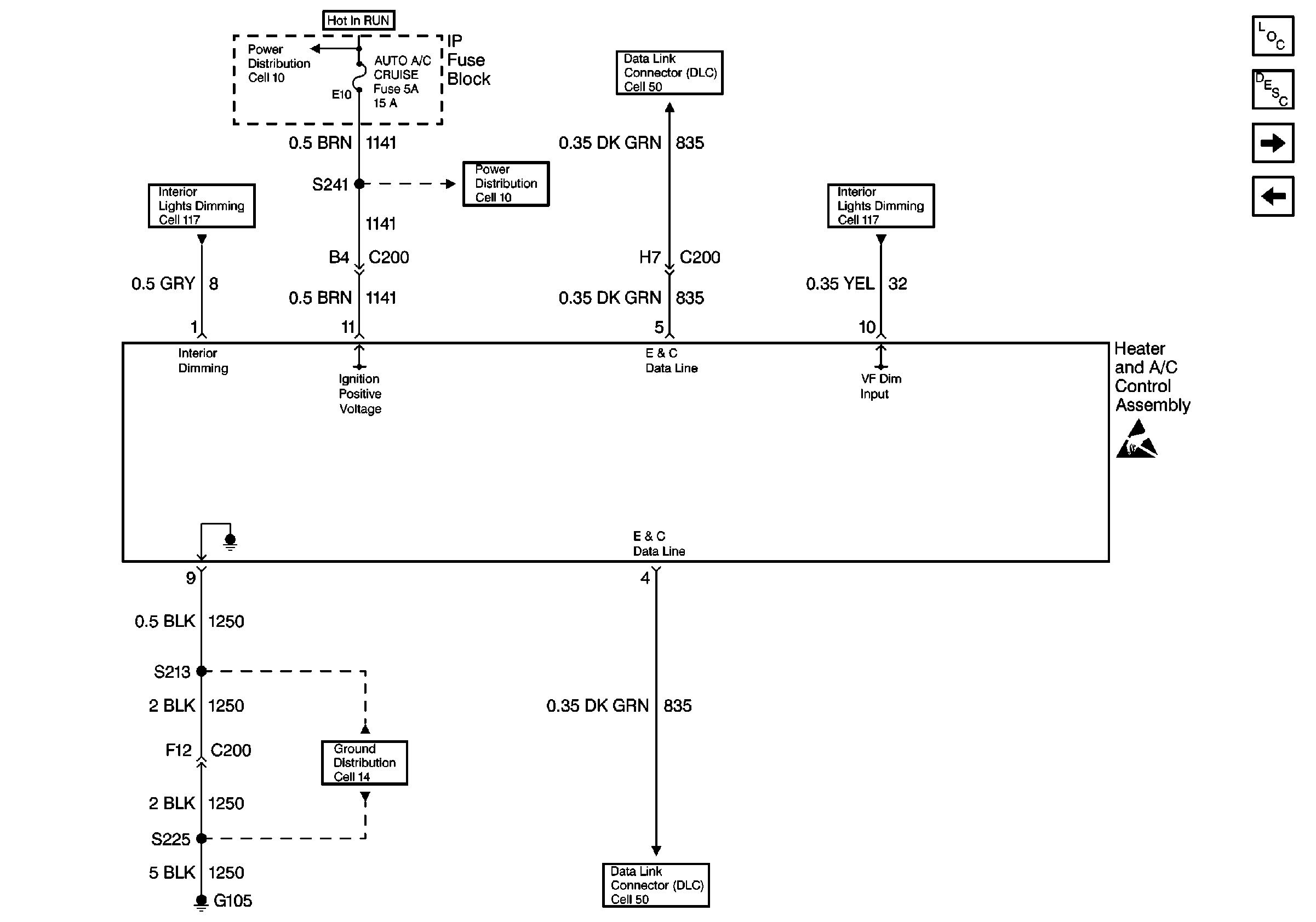
🢒 Cell 68: IP Fuse Block, Heater and A/C Control Assembly - Pontiac
Cell 68: IP Fuse Block, Heater and A/C Control Assembly - Pontiac
Cell 68: IP Fuse Block, Heater and A/C Control Assembly -- Pontiac
HVAC Components
HVAC Temperature Controls Circuit Description C68
HVAC Air Delivery Schematics (Cell 68: IP Fuse Block, DLC - Buick)
Cell 68: Heater and A/C Programmer - Pontiac
Interior Lights Dimming Schematics Buick
Power Distribution Schematics
Data Link Connector Schematics
Interior Lights Dimming Schematics Buick
Ground Distribution Schematics
Data Link Connector Schematics
Handling ESD Sensitive Parts Notice