GM Service Manual Online
For 1990-2009 cars only
Makes
🢒
Oldsmobile
🢒
1999
🢒
Eighty Eight
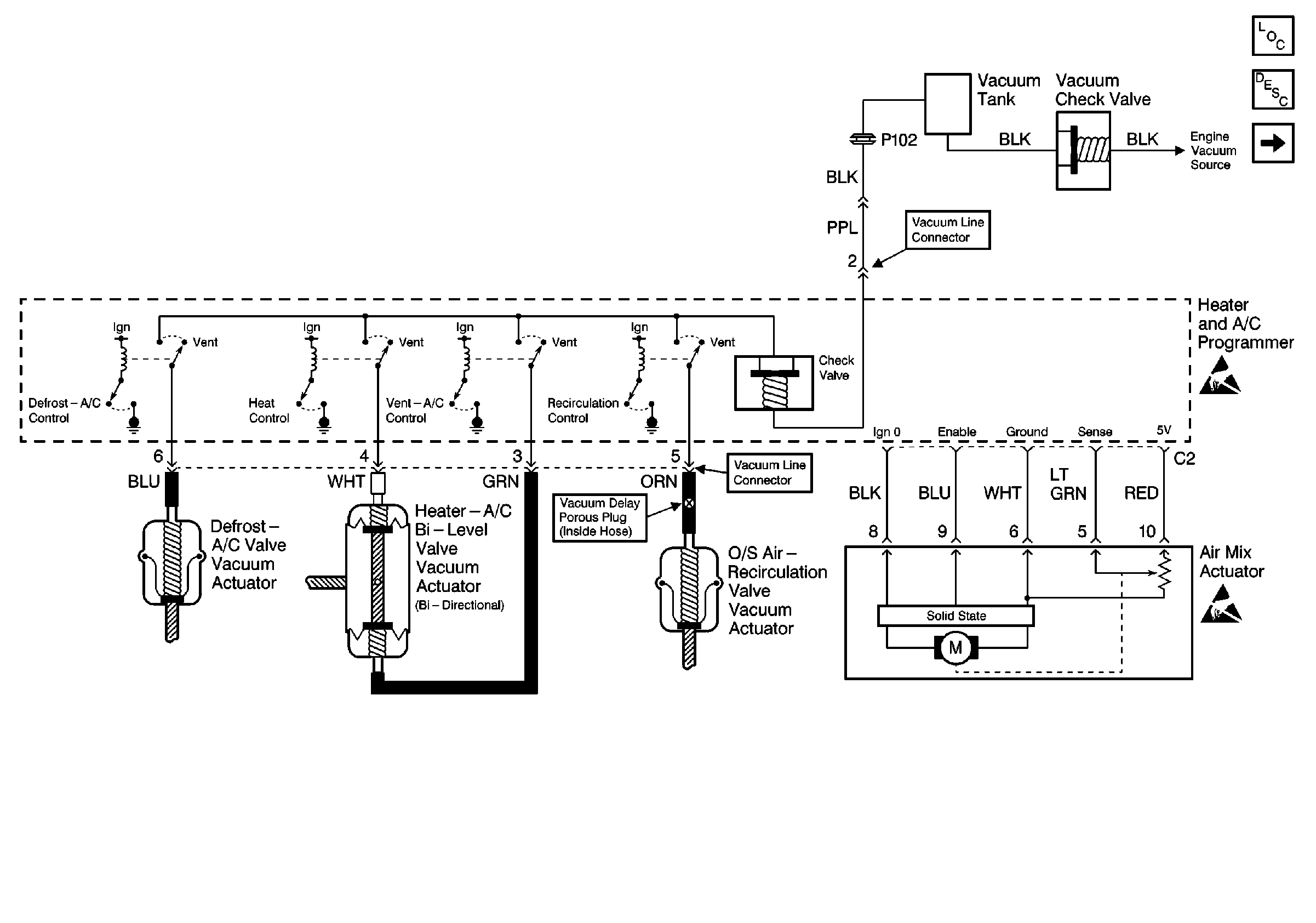
🢒 Cell 68: Vacuum Tank - Pontiac
Cell 68: Vacuum Tank - Pontiac
Cell 68: Vacuum Tank -- Pontiac
HVAC Components
HVAC Temperature Controls Circuit Description C68
Cell 68: Passenger Air Mix Actuator - Oldsmobile, Buick
Handling ESD Sensitive Parts Notice
Handling ESD Sensitive Parts Notice