GM Service Manual Online
For 1990-2009 cars only
Makes
🢒
Oldsmobile
🢒
1999
🢒
Eighty Eight
🢒 Cell 30: Generator Controls
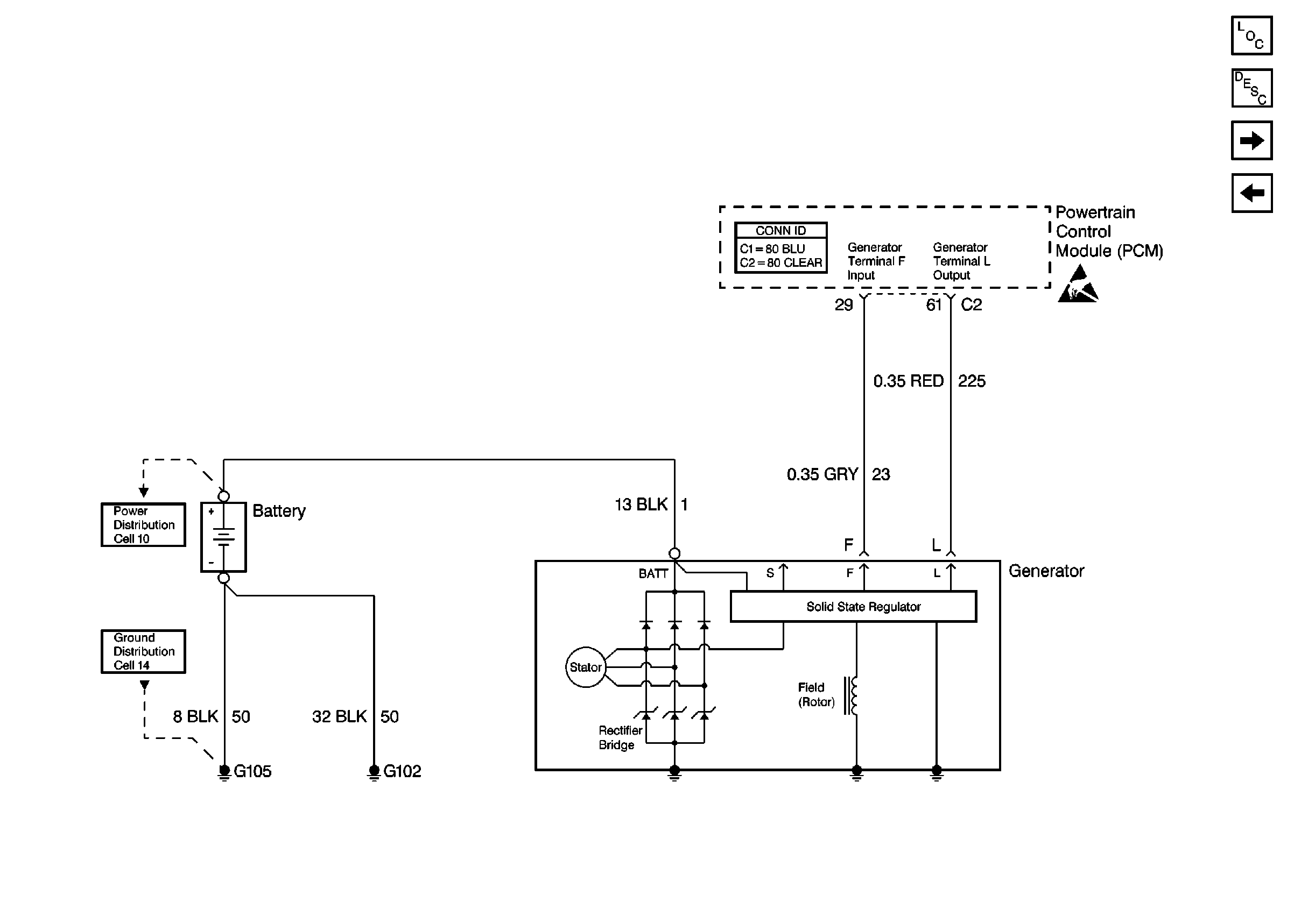
Cell 30: Generator Controls
Cell 30: Generator Controls
Engine Electrical Components
Charging System Circuit Description
Cell 30: Starter Controls
Cell 30: VOLT Indicator Controls
Handling ESD Sensitive Parts Notice
Engine Electrical Schematic References
Engine Electrical Schematic References
Powertrain Control Module Connector End Views