GM Service Manual Online
For 1990-2009 cars only
Makes
🢒
Oldsmobile
🢒
1998
🢒
Intrigue
🢒
Engine
🢒
Engine Electrical
🢒 Starting and Charging Schematics
Figure
1:
Starting System Schematic
Hydraulic Brakes Components
Brake Warning System Circuit Description
Charging System Schematic
OBDII Symbol Description Notice
OBDII Symbol Description Notice
OBDII Symbol Description Notice
Handling Electrostatic Discharge Sensitive Parts Notice
SIR Handling Caution
Power Distribution Schematics
Power Distribution Schematics
Power Distribution Schematics
Power Distribution Schematics
Power Distribution Schematics
Power Distribution Schematics
Power Distribution Schematics
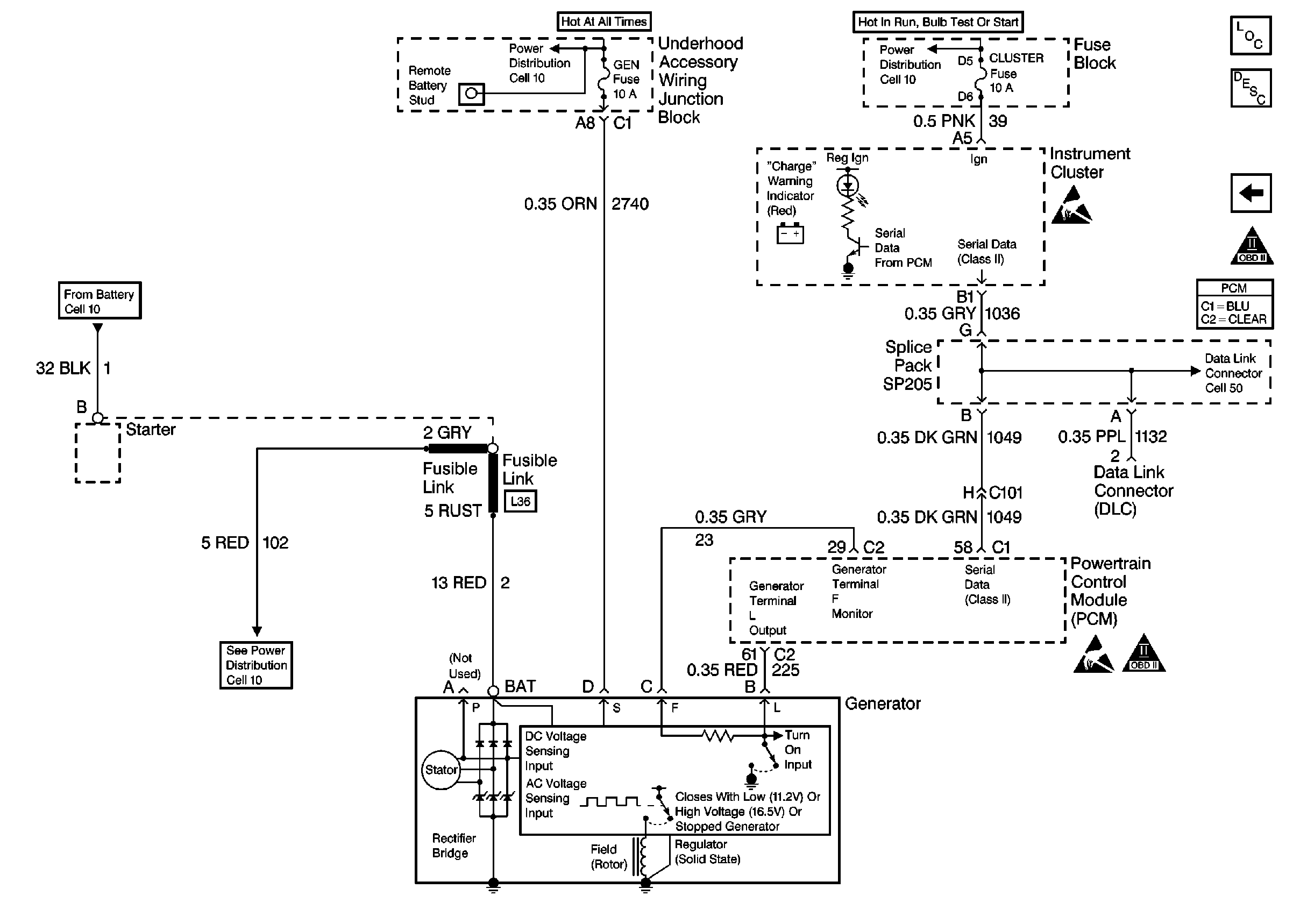
Figure
2:
Charging System Schematic
Engine Electrical Components
Charging System Circuit Description
Starting System Schematic
OBDII Symbol Description Notice
Data Link Connector Schematics
OBDII Symbol Description Notice
OBDII Symbol Description Notice
OBDII Symbol Description Notice
Power Distribution Schematics
Power Distribution Schematics
Power Distribution Schematics
Power Distribution Schematics