GM Service Manual Online
For 1990-2009 cars only
Makes
🢒
Oldsmobile
🢒
1998
🢒
Intrigue
🢒
HVAC
🢒
HVAC Systems - Manual
🢒 HVAC Air Delivery/Temperature Control Schematics
Figure
1:
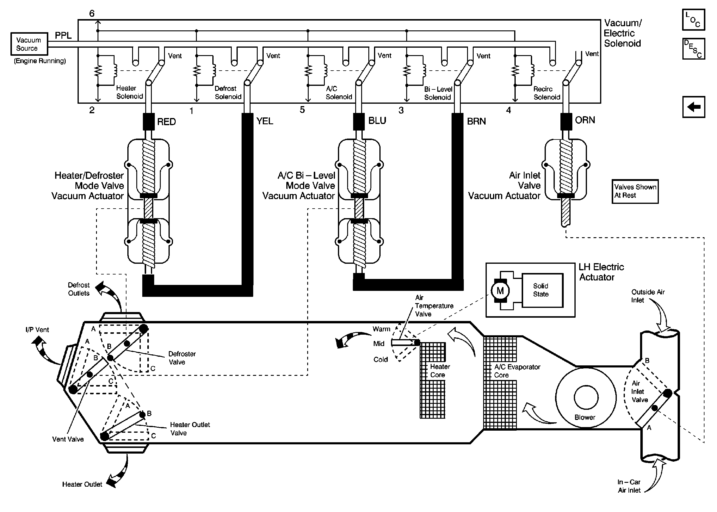
Cell 65: Heater A/C Control and LH Electric Actuator
HVAC Components
HVAC Air Delivery/Temperature Control Circuit Description
Cell 65: Vacuum/Electric Solenoid
Cell 64
Handling Electrostatic Discharge Sensitive Parts Notice
Power Distribution Schematics
Power Distribution Schematics
Interior Lights Dimming Schematics
Ground Distribution Schematics
Ground Distribution Schematics
Figure
2:
Cell 65: Vacuum/Electric Solenoid
HVAC Components
HVAC Air Delivery/Temperature Control Circuit Description
Cell 65: Air Delivery System
Cell 65: Heater A/C Control and LH Electric Actuator
Handling Electrostatic Discharge Sensitive Parts Notice
Power Distribution Schematics
Power Distribution Schematics
Figure
3:
Cell 65: Air Delivery System
HVAC Components
HVAC Air Delivery/Temperature Control Circuit Description
Cell 65: Vacuum/Electric Solenoid
Functional Check