GM Service Manual Online
For 1990-2009 cars only
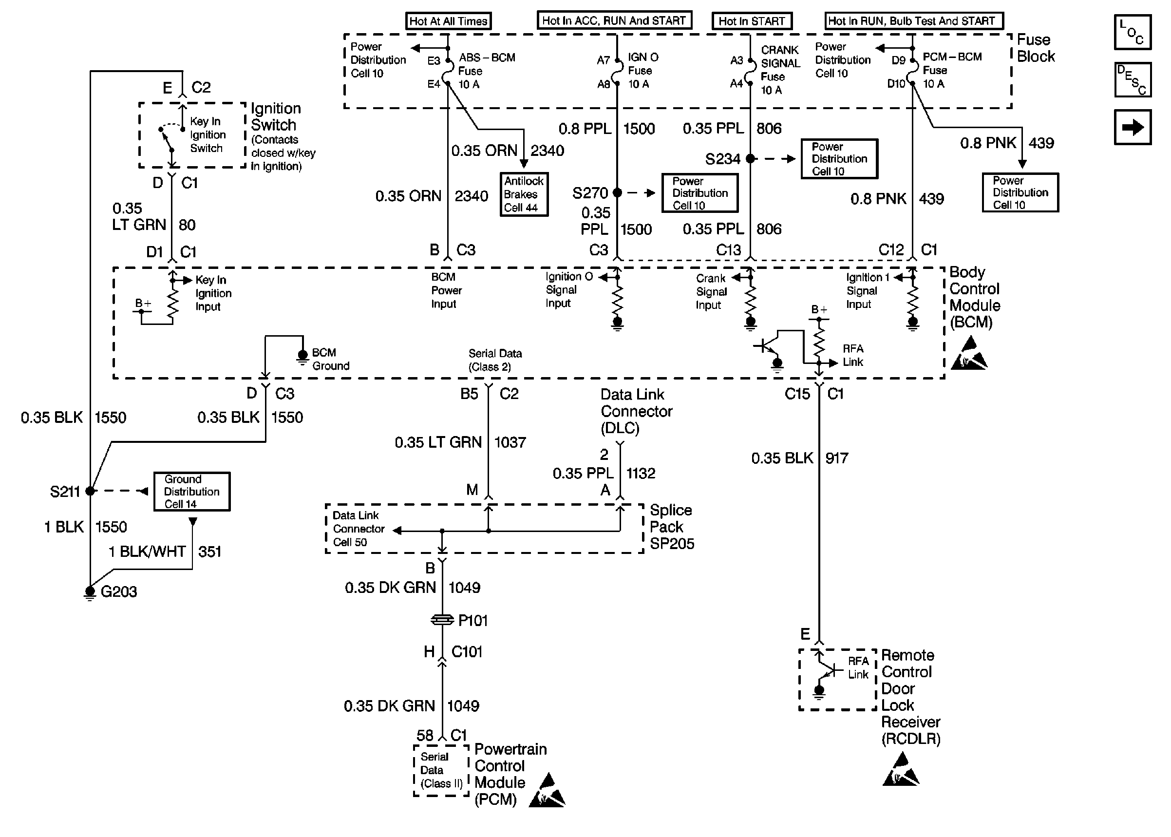
Figure 1:

Cell 114: Power and Ground Distribution, Serial Data, and Inputs


Object Number: 310977  Size: FS
Lighting Systems Components
Interior Lights Circuit Description
Cell 114: Door Lock and I/P Dimmer Switch Inputs
Handling Electrostatic Discharge Sensitive Parts Notice
Handling Electrostatic Discharge Sensitive Parts Notice
Handling Electrostatic Discharge Sensitive Parts Notice
Power Distribution Schematics
Power Distribution Schematics
Power Distribution Schematics
Power Distribution Schematics
Power Distribution Schematics
ABS/ETS Schematics
Data Link Connector Schematics
Ground Distribution Schematics
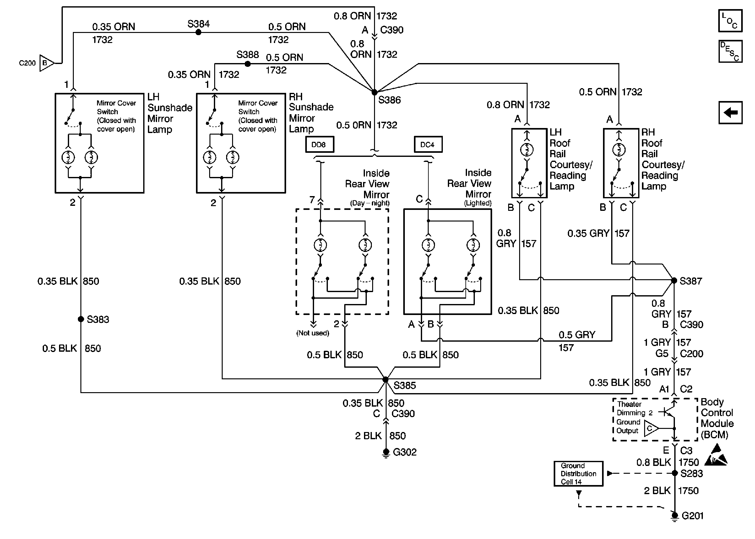
Figure 2:

Cell 114: Door Lock and I/P Dimmer Switch Inputs


Object Number: 295065  Size: FS
Lighting Systems Components
Interior Lights Circuit Description
Cell 114: Trunk Ajar Input, Courtesy Lights B+ Output and Theater Dimming1 Output
Cell 114: Power and Ground Distribution, Serial Data, and Inputs
Handling Electrostatic Discharge Sensitive Parts Notice
Ground Distribution Schematics
Ground Distribution Schematics
Figure 3:

Cell 114: Trunk Ajar Input, Courtesy Lights B+ Output and Theater Dimming 1 Output


Object Number: 295067  Size: FS
Lighting Systems Components
Interior Lights Circuit Description
Cell 114: Theater Dimming 2 Output
Cell 114: Door Lock and I/P Dimmer Switch Inputs
Handling Electrostatic Discharge Sensitive Parts Notice
Handling Electrostatic Discharge Sensitive Parts Notice
Power Distribution Schematics
Ground Distribution Schematics
Ground Distribution Schematics
Ground Distribution Schematics
Figure 4:

Cell 114: Theater Dimming 2 Output


Object Number: 385351  Size: FS
Lighting Systems Components
Interior Lights Circuit Description
Cell 114: Trunk Ajar Input, Courtesy Lights B+ Output and Theater Dimming1 Output
Ground Distribution Schematics