GM Service Manual Online
For 1990-2009 cars only
Makes
🢒
Oldsmobile
🢒
1998
🢒
Intrigue
🢒
Body and Accessories
🢒
Lighting Systems
🢒 Fog Lights Schematics
Figure
1:
Cell 103: Power Distribution, Headlamp Switch and Ground Distribution
Lighting Systems Components
Fog Lights Circuit Description
Cell 103: Fog Lamp Switch, Fog Lamps, Headlamp Switch and BCM
Handling Electrostatic Discharge Sensitive Parts Notice
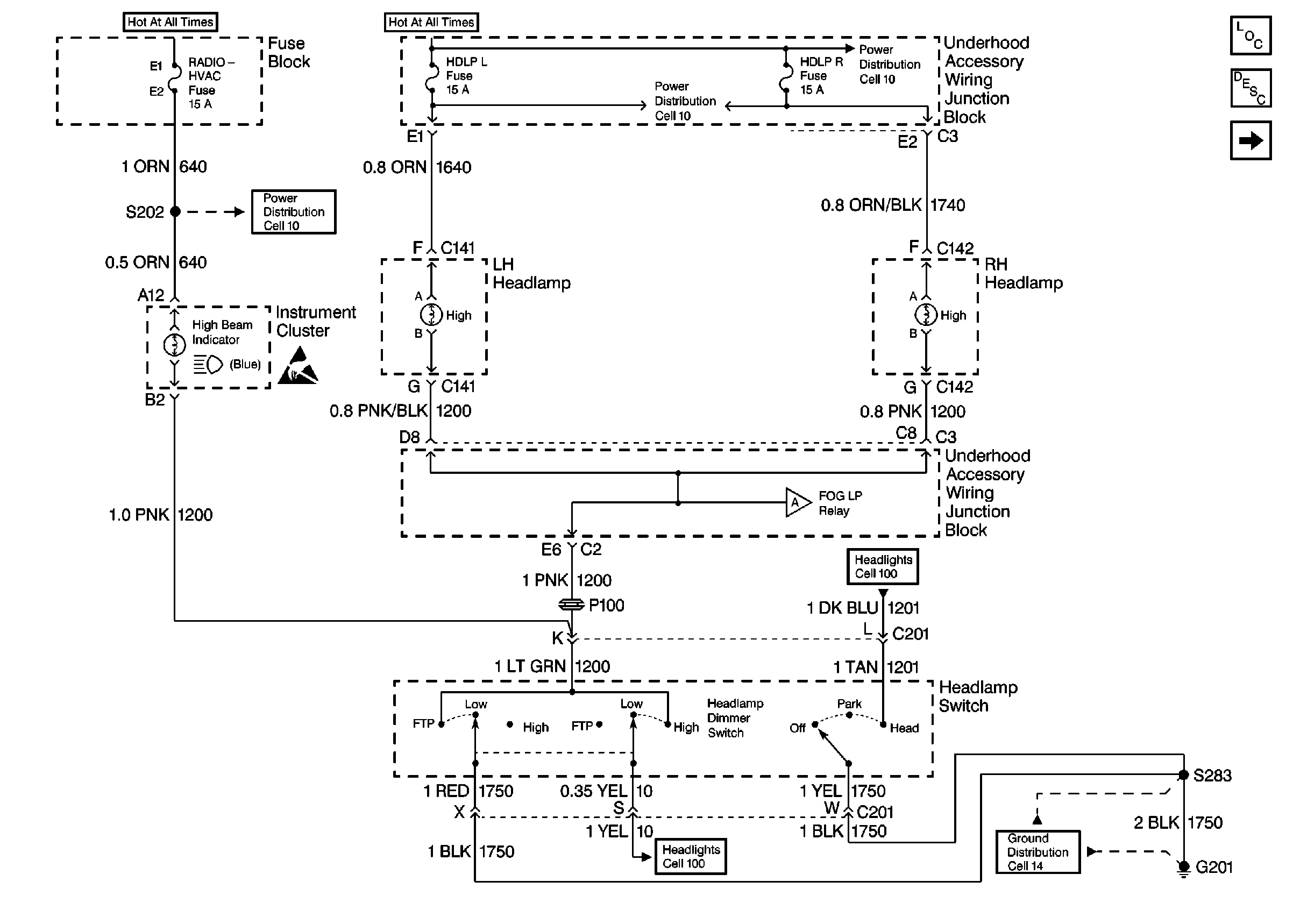
Headlights Schematics
Headlights Schematics
Power Distribution Schematics
Power Distribution Schematics
Power Distribution Schematics
Ground Distribution Schematics
Figure
2:
Cell 103: Fog Lamp Switch, Fog Lamps, Headlamp Switch and BCM
Lighting Systems Components
Fog Lights Circuit Description
Cell 103: Power Distribution, Headlamp Switch and Ground Distribution
Handling Electrostatic Discharge Sensitive Parts Notice
Headlights Schematics
Exterior Lights Schematics
Power Distribution Schematics
Power Distribution Schematics
Power Distribution Schematics
Ground Distribution Schematics