GM Service Manual Online
For 1990-2009 cars only
Makes
🢒
Oldsmobile
🢒
1998
🢒
Intrigue
🢒
Body and Accessories
🢒
Wiring Systems
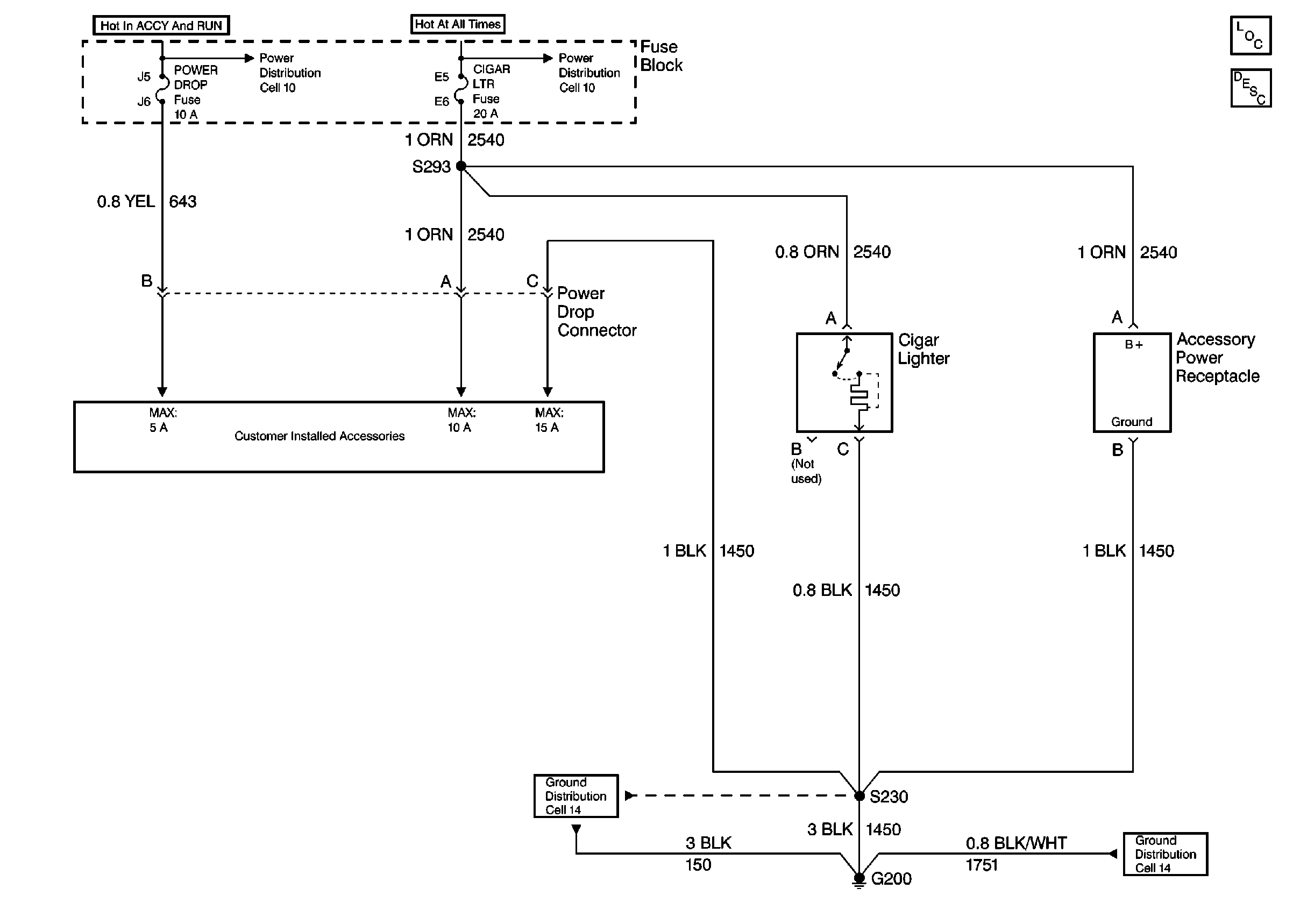
🢒 Cigar Lighter/Power Outlet Schematics
Cell 19
Power and Grounding Components
Cigar Lighter/Auxiliary Outlet Circuit Description
Cell 10: WIPER, POWER DROP, RADIO-CRUISE, And RED STRG WHL ILLUM Fuses
Cell 10: RADIO-HVAC, ABS-BCM, INADV POWER BUS, CIGAR LTR and CD CHANGER Fuses
Cell 14: RH I/P Ground G200
Cell 14: RH I/P Ground G200