GM Service Manual Online
For 1990-2009 cars only
Makes
🢒
Oldsmobile
🢒
1998
🢒
Intrigue
🢒
Body and Accessories
🢒
Doors
🢒 Power Window Schematics
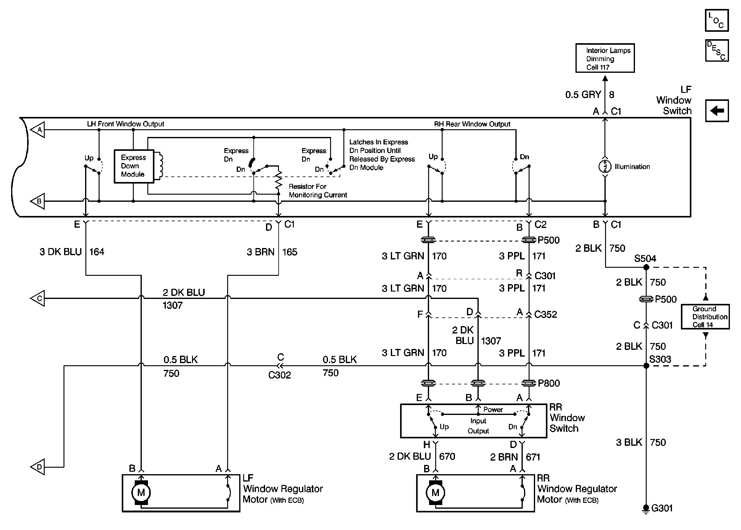
Figure
1:
Cell 120: Power Distribution, Window Switches and Window Regulator Motors
Power Door Systems Components
Power Door Systems Components
Power Windows Circuit Description
Cell 120: Ground Distribution, Window Switches and Window Regulator Motors
Sunroof Schematics
Interior Lights Dimming Schematics
Ground Distribution Schematics
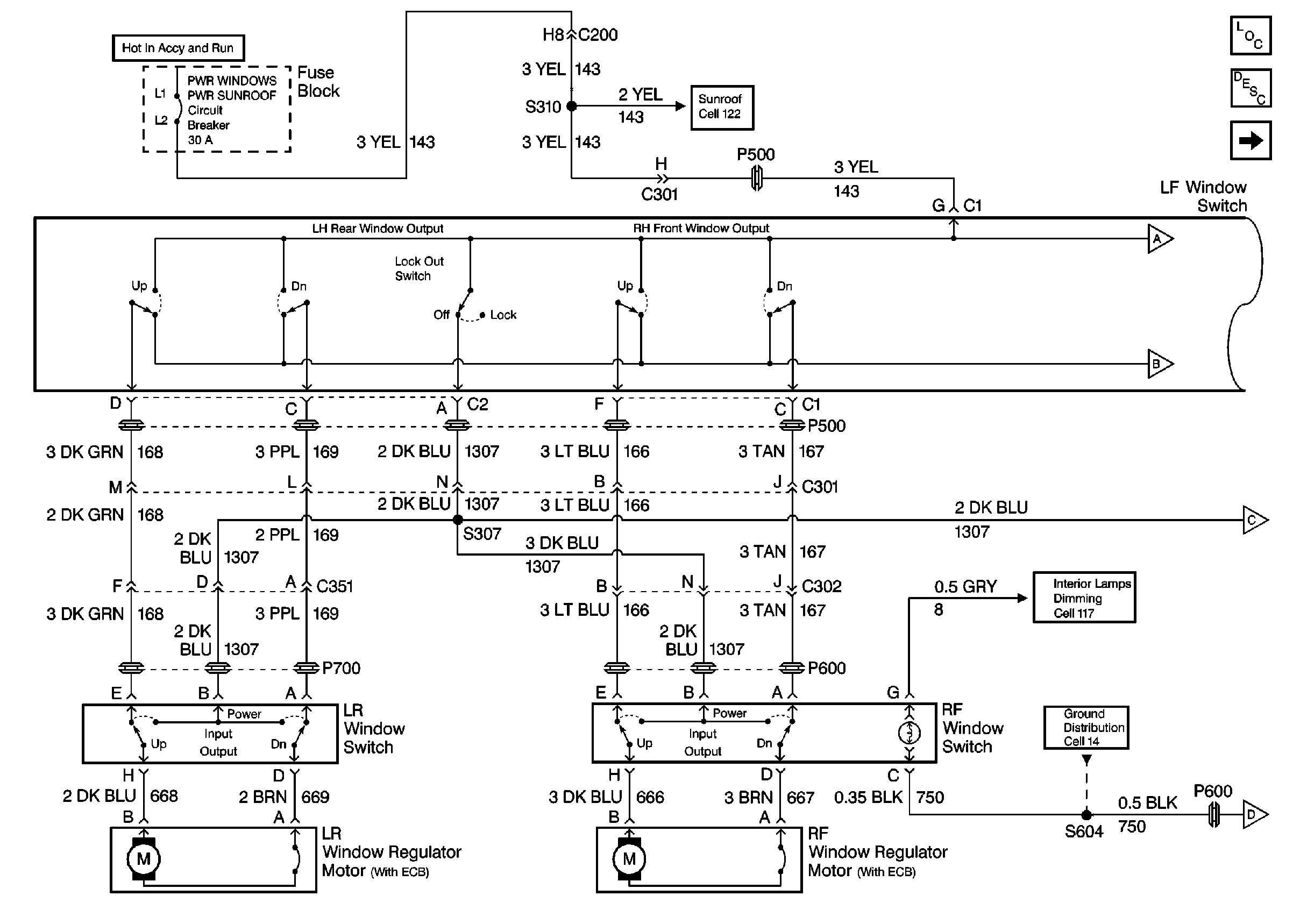
Figure
2:
Cell 120: Ground Distribution, Window Switches and Window Regulator Motors
Power Door Systems Components
Power Windows Circuit Description
Cell 120: Power Distribution, Window Switches and Window Regulator Motors
Interior Lights Dimming Schematics
Ground Distribution Schematics