GM Service Manual Online
For 1990-2009 cars only
Makes
🢒
Oldsmobile
🢒
1998
🢒
Intrigue
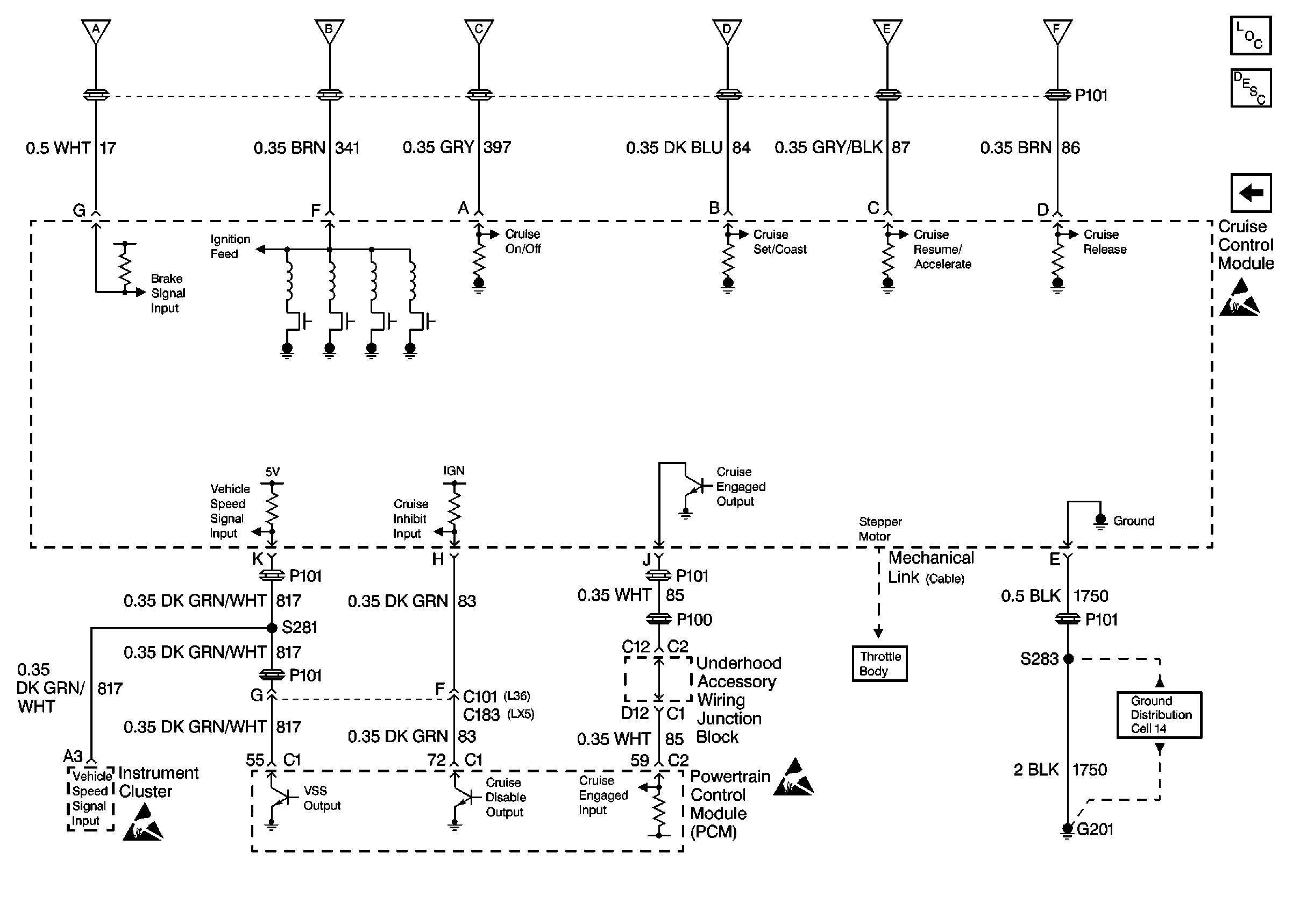
🢒 Cell 34: Cruise Control Module and Ground Distribution
Cell 34: Cruise Control Module and Ground Distribution
Cell 34: Cruise Control Module and Ground Distribution
Cruise Control Components
Cruise Control System Circuit Description
Cell 34: Power Distribution and Cruise Control Switches
Handling Electrostatic Discharge Sensitive Parts Notice
Cell 14: LH I/P Ground G201
Handling Electrostatic Discharge Sensitive Parts Notice
Handling Electrostatic Discharge Sensitive Parts Notice