GM Service Manual Online
For 1990-2009 cars only
Makes
🢒
Oldsmobile
🢒
1998
🢒
Intrigue
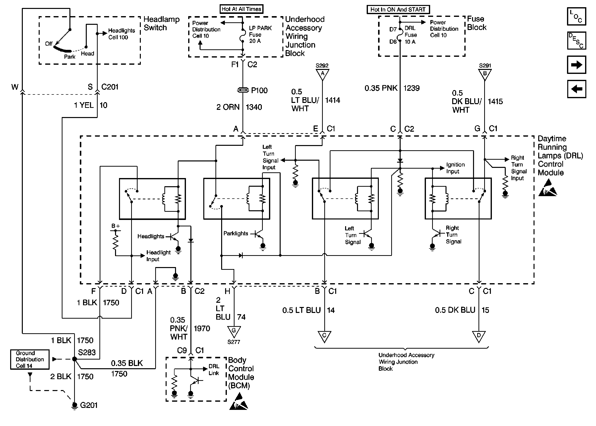
🢒 Cell 110: Headlamp Switch, DRL Control Module, BCM and Ground Distribution
Cell 110: Headlamp Switch, DRL Control Module, BCM and Ground Distribution
Cell 110: Headlamp Switch, DRL Control Module, BCM and Ground Distribution
Lighting Systems Components
Exterior Lights Circuit Description
Cell 110: Headlamp Switch, DRL Control Module and BCM
Cell 110: Power Distribution, Hazard Warning Switch, Turn Signal Switch, Turn Signal Lamps and Ground Distribution
Handling Electrostatic Discharge Sensitive Parts Notice
Handling Electrostatic Discharge Sensitive Parts Notice
Ground Distribution Schematics
Headlights Schematics
Power Distribution Schematics
Power Distribution Schematics