GM Service Manual Online
For 1990-2009 cars only
Makes
🢒
Oldsmobile
🢒
1998
🢒
Intrigue
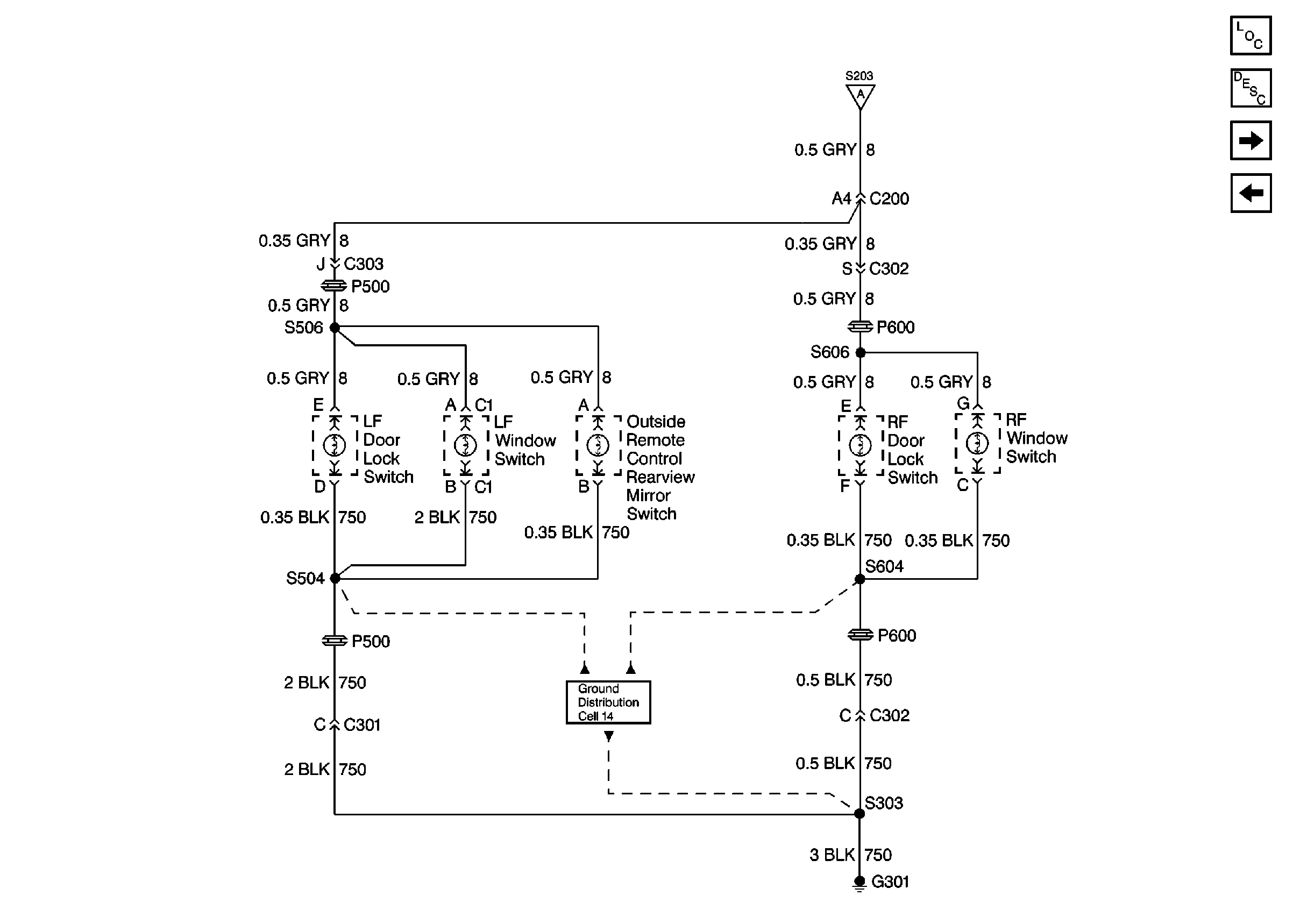
🢒 Cell 117: Ground Distribution
Cell 117: Ground Distribution
Cell 117: Ground Distribution
Lighting Systems Components
Interior Lights Dimming Circuit Description
Cell 117: I/P Lamp Dimmer Switch and Ground Distribution
Cell 117: Power, I/P, Switch Illumination and Ground Distribution
Ground Distribution Schematics