GM Service Manual Online
For 1990-2009 cars only
Makes
🢒
Oldsmobile
🢒
1998
🢒
Intrigue
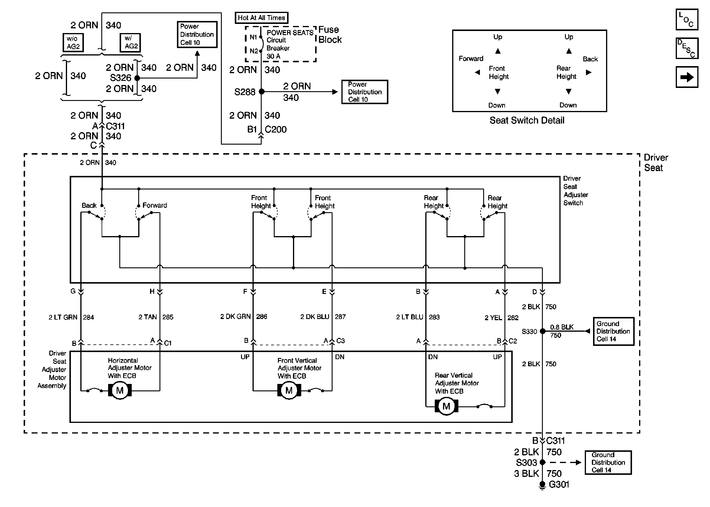
🢒 Cell 140: Driver Seat
Cell 140: Driver Seat
Cell 140: Driver Seat
Power Seat Systems Components
Power Seats Circuit Description
Cell 140 Passenger Seat
Cell 10: Battery, Starter, Generator, Underhood Accessory Wiring JunctiOn Block, And Fuse Block
Cell 10: Battery, Starter, Generator, Underhood Accessory Wiring JunctiOn Block, And Fuse Block
Cell 14: LH Body Harness Ground G301
Cell 14: LH Body Harness Ground G301