GM Service Manual Online
For 1990-2009 cars only

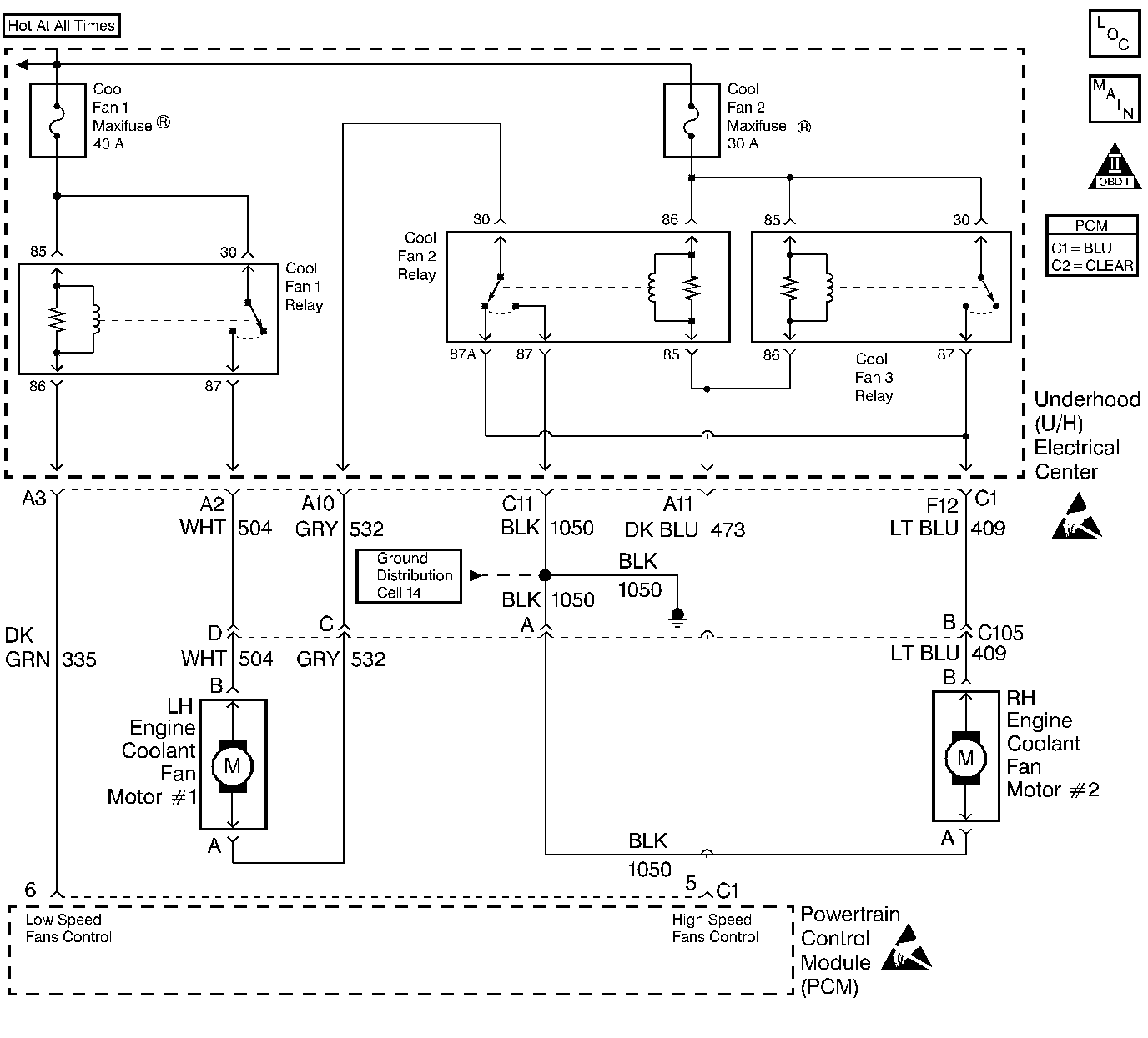
Object Number: 154422  Size: LF
Engine Controls Components
Coolant Fans
OBD II Symbol Description Notice

Circuit Description

Output Driver Modules (ODMs) are used by the PCM to turn on many of the current-driven devices that are needed to control various engine and Transaxle functions. Each ODM is capable of controlling up to 7 separate outputs by applying ground to the device which the PCM is commanding ON. Unlike the Quad Driver Modules (QDMs) used in prior model years, ODMs have the capability of diagnosing each output circuit individually. DTC P1651 set indicates an improper voltage level has been detected on the output circuit which controls the low speed cooling fans relay.

Conditions for Setting the DTC

    • The ignition is ON.
    • An improper voltage level has been detected on the output circuit which controls the fan 1 relay.
    • The above conditions present for at least 30 seconds.

Action Taken When the DTC Sets

    • The PCM will illuminate the MIL during the second consecutive trip in which the diagnostic test has been run and failed.
    • The PCM will store conditions which were present when the DTC set as Freeze Frame and Fail Records data.

Conditions for Clearing the MIL/DTC

    • The PCM will turn the MIL OFF during the third consecutive trip in which the diagnostic has been run and passed.
    • The history DTC will clear after 40 consecutive warm-up cycles have occurred without a malfunction.
    • The DTC can be cleared by using the scan tool Clear Info function or by disconnecting the PCM battery feed.

Diagnostic Aids

Check for the following conditions:

    • Poor connection at the PCM.
        Inspect harness connectors for backed out terminals, improper mating, broken locks, improperly formed or damaged terminals, and poor terminal to wire connection.
    • Damaged harness. Inspect the wiring harness for damage. If the harness appears to be OK, disconnect the PCM, turn the ignition ON and observe a voltmeter connected between the Fan 1 control circuit and ground at the PCM harness connector while moving connectors and wiring harnesses related to the Fan 1 relay. A change in voltage will indicate the location of the malfunction.

Reviewing the Fail Records vehicle mileage since the diagnostic test last failed may help determine how often the condition that caused the DTC to be set occurs. This may assist in diagnosing the condition.

Test Description

The number(s) below refer to the step number(s) on the diagnostic table.

  1. The powertrain OBD System Check prompts you to complete some basic checks and store the freeze frame and failure records data on the scan tool.

  2. Listen for an audible click when the relay operates. Command both the ON and OFF states. Repeat the commands as necessary.

  3. Tests for voltage at the coil feed side of the relay.

  4. Verifies that the PCM is providing ground to the relay.

  5. Tests if ground is constantly being applied to the relay.

  6. The PCM utilizes Electrically Erasable Programmable Read Only Memory (EEPROM). When the PCM is replaced, the new PCM must be programmed.

Step

Action

Value(s)

Yes

No

1

Did you perform the Powertrain On-Board Diagnostic (OBD) System Check?

--

Go to Step 2

Go to Powertrain On Board Diagnostic (OBD) System Check

2

  1. Turn ON the ignition, with the engine OFF.
  2. With a scan tool, command the Fan relay 1 ON and OFF.

Does the relay turn ON and OFF with each command?

--

Go to Diagnostic Aids

Go to Step 3

3

  1. Turn OFF the ignition.
  2. Disconnect the relay.
  3. Turn ON the ignition, with the engine OFF.
  4. Probe the coil feed circuit of the relay with a test lamp that is connected to a good ground.

Does the test lamp illuminate?

--

Go to Step 4

Go to Step 10

4

  1. Connect a test lamp between the control circuit of the relay and the coil feed circuit of the relay.
  2. With a scan tool, command the Fan relay 1 ON and OFF .

Does the test lamp turn ON and OFF with each command?

--

Go to Step 8

Go to Step 5

5

Does the test lamp remain illuminated with each command?

--

Go to Step 7

Go to Step 6

6

Test the control circuits of the relay for a short to voltage or an open. Refer to Wiring Repairs .

Did you find and correct the condition?

--

Go to Step 13

Go to Step 9

7

Test the control circuits of the relay for a short to ground. Refer to Wiring Repairs .

Did you find and correct the condition?

--

Go to Step 13

Go to Step 9

8

Inspect for poor connections at the relay. Refer to Intermittents and Poor Connections Diagnosis and Connector Repairs .

Did you find and correct the condition?

--

Go to Step 13

Go to Step 11

9

Inspect for poor connections at the PCM. Refer to Intermittents and Poor Connections Diagnosis and Connector Repairs .

Did you find and correct the condition?

--

Go to Step 13

Go to Step 12

10

Repair the feed circuit of the relay. Refer to Wiring Repairs .

Did you complete the replacement?

--

Go to Step 13

--

11

Replace the relay. Refer to Electrical Center Identification.

Did you complete the replacement?

--

Go to Step 13

--

12

Important: Perform the set up procedure for the PCM.

Refer to Powertrain Control Module Replacement/Programming .

Replace the PCM.

Did you complete the replacement?

--

Go to Step 13

--

13

  1. Use the scan tool in order to clear the DTCs .
  2. Operate the vehicle within the Conditions for Running the DTC as specified in the supporting text.

Does the DTC reset?

--

Go to Step 2

System OK